Запчасти Case IH D-282 (2-016) - CYLINDER HEAD AND RELATED PARTS / ENGINE BLOCK HEATER

Схема запчастей Case IH D-282 - (2-016) - CYLINDER HEAD AND RELATED PARTS / ENGINE BLOCK HEATER
23
17
1
23
14
26
20
8
8
7
21
34
18
5
6
12a
13
9
20
19
35
2
28
21
19
24
11
25
31
22
27
7
15
33
36
3
10
30
12
4
7
31
FIT
1:1
100%

Артикул

Название

Примечание

Количество

1

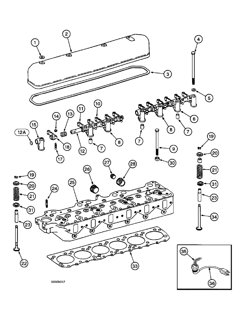
116103

COPPER WASHER,10.31mm ID x 20.63mm OD x 1.65mm Thk

WASHER - valve cover bolt

4шт.

2

278307R1

COVER

- valve

1шт.

17790R1

SCREW - cap, 3/8 NC x 4-3/4 inch, no longer available

4шт.

3

278308R3

GASKET,1.19mm Thk

- valve cover

1шт.

4

320097R1

BOLT (SPREADER),1/2" - 13 x 8"

BOLT - cylinder head, long

9шт.

315701R1

GUIDE

SPACER - cylinder head bolt, no longer available

2шт.

5

345409R1

WASHER,13.84mm ID x 25.4mm OD x 2.34mm Thk

- cylinder head bolt

7шт.

6

76860R1

HOLDER

BRACKET ASSEMBLY - rocker arm shaft, Includes: Ref. 7, no longer available

3шт.

7

69500R1

SLEEVE

DOWEL - rocker arm shaft bracket

3шт.

8

76858R1

BRACKET

- rocker arm shaft, no longer available

2шт.

9

278305R1

BOLT,Hex, 1/2" - 13 x 6.03"

- cylinder head, short

5шт.

10

278304R21

ARM

- exhaust rocker, right-hand, used with nut 133093R1, item 14 and screw 16067DA, item 17

3шт.

11

323727R91

ROCKER

ARM - intake rocker, used with nut 133093R1, item 14 and screw 16067DA, item 17

6шт.

12

318020R11

SHAFT

ASSEMBLY - rocker arm, Includes: Ref. 12A

2шт.

12a

169071R1

PLUG

- rocker arm shaft

2шт.

13

35619H

SPRING

- rocker arm shaft

6шт.

14

133093R1

NUT,Hex, 3/8" - 24

- screw lock, tappet adjusting

12шт.

15

76859R1

BRACKET

- rocker arm shaft, no longer available

2шт.

17

16067DA

ADJUSTMENT SCREW,3/8" - 24

- tappet adjusting

12шт.

18

278303R21

ARM

- exhaust rocker, left-hand, used with nut 133093R1, item 14 and screw 16067DA, item 17

3шт.

19

41339D

KEY

- valve spring seat

24шт.

20

151167R3

SEAT

RETAINER - valve spring

12шт.

21

315744R1

SPRING

- exhaust valve

12шт.

22

349381R1

STD EXHAUST VALVE

VALVE - exhaust, no longer available, order valve 612312C2

6шт.

22

612312C2

VALVE

- exhaust (Replaces valve 349381R1)

6шт.

749629C91

HEAD ASSEMBLY - cylinder with valves, remanufactured for head assembly 278368R61, engine serial numbers prior to 3624, no longer available

1шт.

749630C91

HEAD

ASSEMBLY - cylinder with valves, remanufactured for head assembly 323771R31, engine serial number 3624 and after, no longer available, order head assembly 323771R31 below

1шт.

1928105C1

CORE-CYLINDER HEAD

RETURN NUMBER - use this part number to return cylinder head for credit when using a remanufactured assembly, no longer used

1шт.

323771R31

HEAD (CYLINDER)

HEAD ASSEMBLY - cylinder, new, Includes: Ref. 23 - 29, no longer available

1шт.

23

278300R1

PILOT VALVE

GUIDE - valve

12шт.

24

A59077

STUD

- exhaust manifold (Replaces stud 303473R1)

10шт.

25

NSS

NOT SOLD SEPARAT

HEAD - cylinder, order head assembly 323771R31

1шт.

NSS

NOT SOLD SEPARAT

SLEEVE - cylinder head, order head assembly 323771R31

6шт.

26

601244C1

PLUG

- countersunk, headless pipe, 1-1/4 inch

5шт.

27

217-439

PLUG,Hex Soc, 1/2" - 14 NPTF

- hex socket, 1/2 inch PT (Replaces plug 444588)

1шт.

28

221-607

REDUCER,Hex, 1 1/4" x 1/2" NPT

- pipe, 1-1/4 male x 1/2 inch female (Replaces bushing 142765)

1шт.

29

217-469

DRAIN PLUG,Sq Soc, 3/4" - 14 NPTF

PLUG - hex socket, 3/4 inch PT (Replaces plug 9409949)

11шт.

30

278306R1

WASHER

- cylinder head bolt

5шт.

30

278306R1

WASHER

- cylinder head bolt

5шт.

31

317935R91

SEAT

ROTO COIL - intake and exhaust valve

12шт.

32

612107C1

BAFFLE

DEFLECTOR - intake valve, stem oil, not shown

6шт.

33

134400A1

CYLINDER HEAD GASKET

- cylinder, head (Replaces gasket 601509C1)

1шт.

34

323774R1

VALVE

- intake

6шт.

35

106725A1

HEATER

- engine block, 115 volt, used with 560, 656, 660 and 706 tractors; 403 and 615 combines; 416 and 422 cotton pickers (Replaces heater 407046R93)

1шт.

35

106725A1GV

BLOCK HEATER

- engine block, 115 volt, used with 560, 656, 660 and 706 tractors; 403 and 615 combines; 416 and 422 cotton pickers (Replaces heater 407046R93)

1шт.

36

407369R1

CABLE

- engine block heater, 70 inch (1778 mm) long, rectangular-shaped opening

1шт.

36

407370R1

CABLE

- engine block heater, 6 inch (152 mm) long, kidney-shaped opening

1шт.

Выбрано товаров: 47