Запчасти Case IH D-301 (3-38) - FUEL RETURN BY-PASS SYSTEM, FOR ROOSA MASTER INJECTION PUMPS / OIL PUMP

Схема запчастей Case IH D-301 - (3-38) - FUEL RETURN BY-PASS SYSTEM, FOR ROOSA MASTER INJECTION PUMPS / OIL PUMP
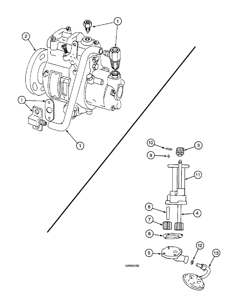
4
7
1
5
9
13
11
12
3
6
1
1
2
10
8
FIT
1:1
100%

Артикул

Название

Примечание

Количество

1

606847C91

STRIPPER PACKAGE

KIT - fuel return by-pass, no longer available

1шт.

2

REF

INSTRUCTION

PUMP ASSEMBLY - fuel injection, see Figures 3-20 - 3-26 for correct assembly

1шт.

230421R91

PUMP, HYDRAULIC

PUMP ASSEMBLY - oil, new, used with 403, 403 hillside, 453 hillside, 503 and 715 combines, Includes: Ref. 3 - 11

1шт.

735245C91

REMAN-ENG OIL PUMP

REMAN-ENGINE OIL PUMP PUMP ASSEMBLY - oil, remanufactured (North America only), component parts do not apply to the remanufactured assembly

1шт.

1928211C1

CORE-ENGINE OIL PUMP

CORE-ENGINE OIL PUMP RETURN NUMBER - For N.A. only

1шт.

3

69608R3

PINION

GEAR - oil pump drive, phosphate coated, no longer available

1шт.

3

404210R1

SPARE PART GEAR - oil pump drive, no longer available

1шт.

4

NSS

NOT SOLD SEPARAT

SHAFT - oil pump drive, includes gear, order pump assembly 230421R91

1шт.

5

169679R1

SPARE PART COVER - oil pump body

1шт.

413-516

BOLT,Hex, 5/16" - 18 x 1", Gr 5

BOLT - hex, 5/16 NC x 1 inch (Replaces bolt 179818)

4шт.

492-11031

LOCK WASHER,5/16"

WASHER, LOCK, (Replaces washer 103320) 5/16"

4шт.

6

69607R1

GASKET

GASKET - oil pump cover

1шт.

7

227713R1

GEAR WHEEL

GEAR - pump body driven

1шт.

8

35647H

SHAFT

SHAFT - idler gear, no longer available

1шт.

9

126-111

WOODRUFF KEY,#5, 1/8" x 5/8", HT

WOODRUFF KEY, (Replaces key 103905) #5, 1/8" x 5/8", HT

1шт.

10

38-1814

LOCK PIN,1/8" x 7/8", Slotted

Pin, (Replaces pin 112011) 1/8" x 7/8", Slotted

1шт.

11

NSS

NOT SOLD SEPARAT

BODY - oil pump, order pump assembly 230421R91

1шт.

413-516

BOLT,Hex, 5/16" - 18 x 1", Gr 5

BOLT - hex, 5/16 NC x 1 inch (Replaces bolt 179818)

2шт.

492-11031

LOCK WASHER,5/16"

WASHER, LOCK, (Replaces washer 103320) 5/16"

2шт.

12

238-5113

O-RING,0.103" Thk x 0.549" ID, -113, Cl 5, 75 Duro

O-RING, , Oil pump screen (Replaces seal 352221R1) -113, 70 Duro, .549" ID x .103" Thk

1шт.

13

678210C1

SCREEN

SCREEN ASSEMBLY - oil pump (Replaces screen assembly 359160R91)

1шт.

137195

PIN - cotter, 1/8 x 1-1/4 inch, no longer available

1шт.

Выбрано товаров: 22