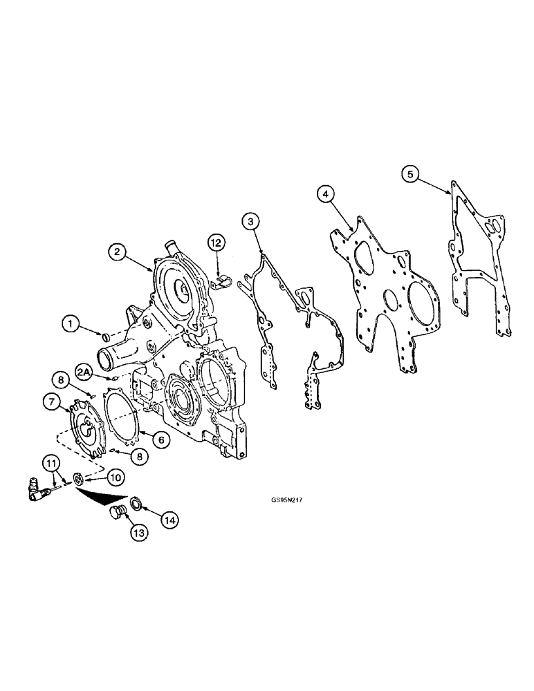
Запчасти Case IH D-360 (9B-04) - CRANKCASE FRONT COVER AND RELATED PARTS

Схема запчастей Case IH D-360 - (9B-04) - CRANKCASE FRONT COVER AND RELATED PARTS
2
11
3
8
4
7
13
10
1
14
8
2a
12
5
6
FIT
1:1
100%

Артикул

Название

Примечание

Количество

1

41-1616

PLUG,Cup, 1", Stainless

3шт.

2

1802237C91

COVER

ASSEMBLY - crankcase front (Replaces cover assemblies 673928C91 and 687179C91), Includes: Ref. 2A

1шт.

2a

367572R1

INDICATOR

POINTER - timing

1шт.

25228R1

BOLT,Hex, 5/16" - 18 x 3/4", Gr 8

- hex, 5/16 NC x 3/4 inch

1шт.

326-524

BOLT,Hex, 5/16" - 18 x 1-1/2", Gr 8

(Replaces bolt 25654R1) Hex, 5/16"-18 x 1 1/2", G8

2шт.

326-536

BOLT,Hex, 5/16" - 18 x 2-1/4", Gr 8

(Replaces bolt 25234R1) Hex, 5/16"-18 x 2 1/4", G8

7шт.

326-552

BOLT,Hex, 5/16" - 18 x 3-1/4", Gr 8

5/16"-18 x 3 1/4", G8 (Replaces bolt 25678R1)

2шт.

326-516

BOLT,Hex, 5/16" - 18 x 1", Gr 8

(Replaces bolts 24477R1 and 25493R1) Hex, 5/16"-18 x 1", G8, Full Thd

2шт.

24621R1

BOLT,Hex, 3/8" - 16 x 2 1/4", Gr 8

1шт.

326-1032

BOLT,Hex, 5/8" - 11 x 2", Gr 8

(Replaces bolt 24875R1) Hex, 5/8"-11 x 2", G8

2шт.

326-1044

BOLT,Hex, 5/8" - 11 x 2-3/4", Gr 8

(Replaces bolt 24878R1) Hex, 5/8"-11 x 2 3/4", G8

2шт.

396-21034

WASHER,8.74mm ID x 17.48mm OD x 2.26mm Thk

- flat, 11/32 x 11/16 x 3/32 inch, hardened (Replaces washer 27326R1)

14шт.

396-21041

WASHER,10.31mm ID x 20.63mm OD x 2.26mm Thk

- flat, 13/32 x 13/16 x 3/32 inch, hardened

1шт.

25537R1

WASHER,21/32" x 1 5/16" x .095", HDN

- flat, 5/8 inch, hardened

4шт.

3

675813C2

GASKET,0.79mm Thk

- crankcase front cover

1шт.

4

675811C1

PLATE

- crankcase front

1шт.

25228R1

BOLT,Hex, 5/16" - 18 x 3/4", Gr 8

- hex, 5/16 NC x 3/4 inch (Replaces bolt 9409011)

4шт.

5

675812C2

GASKET

- crankcase front plate

1шт.

6

675816C2

GASKET,0.79mm Thk

- injection pump access cover

1шт.

7

675814C91

COVER

- injection pump access

1шт.

329-105

NUT,5/16"-18, G8

(Replaces nut 25520R1) 5/16"-18, G8

3шт.

326-516

BOLT,Hex, 5/16" - 18 x 1", Gr 8

2шт.

326-556

BOLT,Hex, 5/16" - 18 x 3-1/2", Gr 8

(Replaces bolt 26057R1) Hex, 5/16"-18 x 3 1/2", G8

1шт.

326-560

BOLT,Hex, 5/16" - 18 x 3-3/4", Gr 8

(Replaces bolt 26043R1) Hex, 5/16"-18 x 3 3/4", G8

3шт.

396-21034

WASHER,8.74mm ID x 17.48mm OD x 2.26mm Thk

- flat, 11/32 x 11/16 x 3/32 inch, hardened (Replaces washer 27326R1)

9шт.

8

680481C1

PIN

- dowel, 1/4 x 5/8 inch

2шт.

10

683079C1

NUT

- tachometer drive, used with 766 and 886 tractors

1шт.

11

671806C1

DRIVE

- tachometer adapter, used with 766 tractors and 886 tractors

1шт.

12

399657R1

CLIP

- engine harness, used with 886 tractors

1шт.

13

217-439

PLUG,Hex Soc, 1/2" - 14 NPTF

- hex socket headless, 1/2 inch PT, used with 886 tractors with digital tachometers, 453 combines, used to fill tachometer drive adapter hole

1шт.

14

59658D

WASHER,22.62mm ID x 32.54mm OD x 1.72mm Thk

GASKET - oil pan drain plug, used with plug 217-439, item 13

1шт.

Выбрано товаров: 31