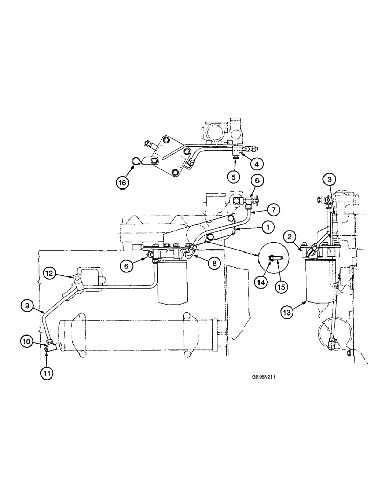
Запчасти Case IH D-414 (9C-84) - COOLANT FILTER AND CONDITIONER, 1086 TRACTORS W/ENGINE S/N PRIOR TO 159499

Схема запчастей Case IH D-414 - (9C-84) - COOLANT FILTER AND CONDITIONER, 1086 TRACTORS W/ENGINE S/N PRIOR TO 159499
2
16
15
14
12
3
8
10
6
9
6
11
1
4
13
5
7
FIT
1:1
100%

Артикул

Название

Примечание

Количество

1

121881C1

BRACKET

- water filter

1шт.

326-656

BOLT,Hex, 3/8" - 16 x 3-1/2", Gr 8

(Replaces bolt 24844R1) Hex, 3/8"-16 x 3 1/2", G8

2шт.

396-21041

WASHER,10.31mm ID x 20.63mm OD x 2.26mm Thk

- flat, 13/32 x 13/16 x 3/32 inch, hardened

2шт.

2

A152821

HEAD

BASE - coolant filter (Replaces base 427446C1)

1шт.

326-620

BOLT,Hex, 3/8" - 16 x 1-1/4", Gr 8

(Replaces bolt 140483H) Hex, 3/8"-16 x 1 1/4", G8, Full Thd

4шт.

396-21041

WASHER,10.31mm ID x 20.63mm OD x 2.26mm Thk

- flat, 13/32 x 13/16 x 3/32 inch, hardened

4шт.

492-11038

LOCK WASHER,3/8"

(Replaces washer 115093) 3/8"

4шт.

3

359105R1

SPACER,3/8" X-Strng Pipe x 1/2"

- tubular, 3/8 x 1/2 inch, pipe

2шт.

4

444150

TEE,3/8"-18 NPTF Fem x 3/8"-18 NPTF Male Run

- pipe, 3/8 inch PT

1шт.

5

217-87

PLUG,Hex Hd, 3/8"-18 NPTF, Brass

- hex, 3/8 inch PT (Replaces plug 20990R1)

1шт.

6

121894C1

FAUCET,3/8" - 18 NPTF x 5/8" - 24

VALVE - shut-off (Replaces valve 690191C1)

2шт.

7

121888C2

TUBE

ASSEMBLY - coolant outlet, 14 inch (356 mm) long, cut from bulk hose 995063R1 below, Includes: Ref. 7A & 7B

1шт.

7a

222-114

NUT,5/8"-24

NUT - hex, 3/8 inch OD x 5/8 inch (Replaces nut 265205R1)

2шт.

7b

222-104

SLEEVE,3/8" Tube

- tube, 3/8 inch OD (Replaces sleeve 265204R1)

2шт.

8

222-48

ELBOW,90º, 13/16"-18 Fem x 3/8"-18 NPTF

- coolant outlet tube, 90 degree compression x 3/8 tube OD x 3/8 inch PT (Replaces elbow 606618C1)

1шт.

9

121889C1

TUBE

ASSEMBLY - coolant inlet, 23 inch (554 mm) long, cut from bulk hose 995063R1 below, used with 1086 tractors with engine serial numbers prior to 118713, Includes: Ref. 9A & 9B

1шт.

9

690406C91

TUBE

ASSEMBLY - coolant inlet, used with 1086 tractors with engine serial numbers 118713 to 159498, Includes: Ref. 9A & 9B

1шт.

9a

222-114

NUT,5/8"-24

NUT - hex, 3/8 inch OD x 5/8 inch (Replaces nut 265205R1)

1шт.

9b

222-104

SLEEVE,3/8" Tube

- tube, 3/8 inch OD (Replaces sleeve 265204R1)

1шт.

10

690592C1

TEE,3/8" x 1/4" - 18 NPT x 1/8" - 27 NPT

- oil cooler

1шт.

11

217-84

PLUG,Hex Hd, 1/8"-27, Brass

- hex, 1/8 inch PT (Replaces plug 444572)

1шт.

12

362120R1

CLAMP,9.53mm ID, 10.32mm Bolt Hole, P Type

CLAMP - P-type, tube, used with 1086 tractors with engine serial numbers, Serial Range: prior-118713

1шт.

12

673193C1

CLIP

- tube, used with 1086 tractors with engine serial numbers 118713, Serial Range: -159498

1шт.

13

A77544

FILTER

- coolant, includes gasket (Replaces filter 1801090C1)

1шт.

14

121756C2

SENSOR

- temperature

1шт.

15

384396R1

SPADE TERMINAL,Male

TERMINAL - sender

1шт.

16

362667R1

CLIP

CLAMP - retainer, electrical harness (Replaces clamp 363660R1)

1шт.

995063R1

TUBE

HOSE - bulk, 50 foot (15240 mm) long

1шт.

Выбрано товаров: 28