Запчасти Case IH BC-144 (H-06) - THERMOSTAT AND WATER PUMP, MACHINES WITH ENGINE SERIAL NUMBER 6028 AND BELOW

Схема запчастей Case IH BC-144 - (H-06) - THERMOSTAT AND WATER PUMP, MACHINES WITH ENGINE SERIAL NUMBER 6028 AND BELOW
2
4
8
5
11
12
3
9
10
13
7
6
1
FIT
1:1
100%

Артикул

Название

Примечание

Количество

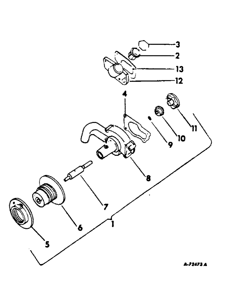
1

3065132R91

WATER PUMP

PUMP ASSY, water, order package, 389918R91

1шт.

102635

NUT,3/8"-16, G5

4шт.

103321

LOCK WASHER,3/8"

WASHER, LOCK, 3/8"

4шт.

2

369322R91

THERMOSTAT

170 deg opening

1шт.

3

3040778R2

RING, SNAP

RING, thermostat retainer

1шт.

4

703816R1

GASKET

water pump

1шт.

5

703825R11

FLANGE

WITH SCREW, 102831 and nut, 114502, water pump pulley

1шт.

114502

JAM NUT,Jam, 5/16"-18, G5

1шт.

102831

SCREW

5/16 x 7/8 hdls dog-pt set

1шт.

6

704222R1

HUB

water pump pulley

1шт.

7

704217R91

NO LONGER SERVICED

BEARING, water pump spindle

1шт.

8

704216R2

BODY

water pump, order body, 704216R3 and plug, 103884

1шт.

704218R1

BOLT,1/4" - 20 x 1/2"

water pump bearing retaining

1шт.

103884

PLUG,Slotted, 1/4" NPT

1/4 slt-hdls pipe

1шт.

103319

LOCK WASHER,1/4"

WASHER, LOCK, 1/4"

1шт.

9

352221R1

O-RING,0.103" Thk x 0.549" ID, -113, Cl 5, 75 Duro

9/16 x 3/4 x 3/32

1шт.

10

703822R91

SEAL

water pump

1шт.

11

709909R2

TURBINE

IMPELLER, water pump

1шт.

12

703814R1

HOUSING

thermostat

1шт.

179818

BOLT,Hex, 5/16" - 18 x 1", Gr 5

2шт.

179828

BOLT,Hex, 5/16" - 18 x 2 1/2", Gr 5

1шт.

103320

LOCK WASHER,5/16"

WASHER, LOCK, 5/16"

3шт.

13

703815R1

GASKET

thermostat housing

1шт.

Выбрано товаров: 23