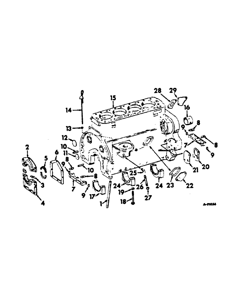
Запчасти Case IH C-123 (B-16) - CRANKCASE AND RELATED PARTS

Схема запчастей Case IH C-123 - (B-16) - CRANKCASE AND RELATED PARTS
21
27
9
7
8
28
26
14
18
24
10
4
16
2
19
10
9
24
13
8
25
10
9
6
3
9
22
5
7
29
20
10
17
23
12
8
1
15
FIT
1:1
100%

Артикул

Название

Примечание

Количество

1

365936R1

SLEEVE, oil level gage, 130, 130HC, 140, and 140HC tractors

1шт.

1

365937R1

SLEEVE, oil level gage, 57 twine or wire balers and T-4 crawler tractors

1шт.

1

361555R1

SLEEVE, oil level gage, 100 and 100HC tractors

1шт.

2

6101D

RETAINER

crankshaft upper rear oil seal

1шт.

179817

BOLT,Hex, 5/16" - 18 x 7/8", Gr 5, Full Thd

3шт.

103320

LOCK WASHER,5/16"

WASHER, LOCK, 5/16"

3шт.

3

43447D

GASKET

crankshaft rear oil seal retainer center

2шт.

4

6102D

RETAINER

crankshaft lower rear oil seal

2шт.

NLS

NO LONGER SERVICED

SCREW, 1/4-20 x 7/8 hex-hd cap

2шт.

179817

BOLT,Hex, 5/16" - 18 x 7/8", Gr 5, Full Thd

5шт.

103319

LOCK WASHER,1/4"

WASHER, LOCK, 1/4"

2шт.

103320

LOCK WASHER,5/16"

WASHER, LOCK, 5/16"

5шт.

5

24425D

OIL SEAL,24.61mm ID x 50.01mm OD x 4.76mm Thk

crankshaft rear oil seal

2шт.

6

43448D

GASKET

crankshaft rear oil retainer

1шт.

7

6100DA

SUPPORT ASSY.

PLATE, crankshaft front and rear oil sea retainer

2шт.

8

43446DA

GASKET,1.29mm Thk

crankshaft oil seal retainer plate

4шт.

9

43445DA

PAD

PLUG, crankshaft oil seal retainer plate

4шт.

10

357232R1

PIN

DOWEL, clutch housing, 57 twine or wire balers and 140 tractors

2шт.

10

46923D

PIN

DOWEL, clutch housing, T-4 crawler tractors

2шт.

10

15945D

DOWEL, clutch housing, 100 and 130 tractors

2шт.

11

172576

PLUG,Exp, 1 5/8"

1-5/8 expansion, camshaft rear

1шт.

12

63556R1

PLUG

2 in. expansion, replaces 172592

1шт.

13

34259H

WASHER, oil level gage felt

2шт.

14

362611R31

DIPSTICK

GAUGE ASSY, oil level

1шт.

15

367825R31

CRANKCASE ASSY, 140 and 140HC tractors

1шт.

Consists of (6) bolt 17091R1, (1) bushing 43439DBR, (1) bushing 375747R1, (2) cap (NSS), (1) cap (NSS), (1) connector 539968R1, (1) crankcase (NSS), (2) dowel 357232R1, (3) plug 444687, (1) plug 444576, (1) plug 444673, (2) plug 444654, (1) plug 172576, (1) plug 63556R1, (1) sleeve 365936R1, (6) washer 58516H

1шт.

444687

PLUG,Hex Soc, 1/8"-27

1/8-27 auto sq-hd pipe

3шт.

445673

PIPE PLUG,Sq Hd, 3/8"-18 NPTF

PLUG, 3/8-18 auto sq-hd pipe, water drain

1шт.

444654

PLUG,Sq Soc, 1/4"-18 NPTF

1/4-18 auto sq-hd pipe

2шт.

9617020

PLUG,1/4" - 18 x 0.48"

1/4-18 auto Hex Socket, oil filter drain hole

1шт.

15

366294R94

CRANKCASE ASSY, see sleeve with piston & ring assemblies below, 100, 100HC, 130, and 130HC tractors

1шт.

Consists of (6) bolt 17091R1, (9) bolt 20842R1, (1) bushing 43439DBR, (1) bushing 375747R1, (2) cap (NSS), (1) cap (NSS), (1) connector 539968R1, (1) cover 251067R1, (1) crankcase (NSS), (2) dowel 357232R1, (1) elbow 106649, (1) gage 362611R31, (1) gasket 350708R1, (1) plug 444576, (2) plug 444654, (1) plug 172576, (1) plug 63556R1, (3) plug 444687, (2) screw 179837, (1) sleeve 365936R1, (15) washer 58516H, (2) washer 103321

1шт.

444654

PLUG,Sq Soc, 1/4"-18 NPTF

1/4-18 auto sq-socket pipe, oil filter drain hole

2шт.

15

367826R31

CRANKCASE ASSY, T-4 crawler tractors

1шт.

Consists of (6) bolt 17091R1, (1) bushing 43439DBR, (1) bushing 375747R1, (2) cap (NSS), (1) cap (NSS), (1) crankcase (NSS), (1) connector 539968R1, (2) dowel 357232R1, (4) plug 444687, (1) plug 445673, (2) plug 444654, (1) plug 172576, (1) plug 63556R1, (1) sleeve 365937R1, (6) washer 58516H

1шт.

444687

PLUG,Hex Soc, 1/8"-27

1/8-27 auto sq-hd pipe

4шт.

444654

PLUG,Sq Soc, 1/4"-18 NPTF

1/4-18 auto sq-hd pipe

2шт.

9617020

PLUG,1/4" - 18 x 0.48"

1/4-18 auto Hex Socket ipe stl, used in oil filter drain hole

1шт.

15

366296R94

CRANKCASE ASSY, 57 twine or wire balers

1шт.

Consists of (6) bolt 17091R1, (9) bolt 20842R1, (1) bushing 43439DBR, (1) bushing 375747R1, (2) cap (NSS), (1) cap (NSS), (1) connector 539968R1, (1) cover 251067R1, (1) crankcase (NSS), (2) dowel 357232R1, (1) gage 362611R31, (1) gasket 350708R1, (4) plug 444687, (2) plug 444654, (1) plug 172576, (1) plug 63556R1, (2) screw 179837, (1) sleeve 365937R1, (2) washer 103321, (15) washer 58516H

1шт.

444654

PLUG,Sq Soc, 1/4"-18 NPTF

1/4-18 auto sq-soc pipe

2шт.

444687

PLUG,Hex Soc, 1/8"-27

1/8-27 auto sq-hd pipe

4шт.

16

43439DBR

BUSHING,50.77mm ID x 54.15mm OD x 33.34mm L

distributor gear

1шт.

17

NSS

NOT SOLD SEPARAT

CAP, crankshaft rear bearing, not serviced separately, order crankcase assy

1шт.

18

17091R1

BOLT, 1/2-13 x 3 hed-hd lock

8шт.

19

58516H

WASHER,17/32" x 1 1/16" x .095", HDN

crankshaft brg cap bolt

6шт.

20

350708R1

GASKET

hyd pump pad cover

1шт.

21

251067R1

COVER

hyd pump pad

1шт.

179837

BOLT,Hex, 3/8" - 16 x 3/4", Gr 5

2шт.

103321

LOCK WASHER,3/8"

WASHER, LOCK, 3/8"

2шт.

22

29710D

COVER

fuel pump opening, 57 twine or wire balers and T-4 crawler tractors

1шт.

179814

SPACER

2шт.

103220

REGULATOR

WASHER, 5/16 med lock

2шт.

23

49124D

GASKET

fuel tank opening cover, 57 twine or wir balers and T-4 crawler tractors

1шт.

24

NSS

NOT SOLD SEPARAT

CAP, crankshaft front & center bearing, not serviced separately, order crankcase assy

2шт.

25

119113

ELBOW, 1/4 x 45 deg street, 57 twine or wire balers 45º, 1/4" NPT Street

1шт.

26

121209

NIPPLE, LUBE,Nipple, 1/4" NPT x 3"

NIPPLE, 1/4 x 3 pipe, 57 twine or wire balers

1шт.

27

NLS

NO LONGER SERVICED

oil filter drain pipe, 57 twine or wire balers

1шт.

28

68104C1

GASKET

water passage cover, 140, 140HC tractos and T-4 crawler tractors

1шт.

29

367733R1

COVER, water passage, replaces 367735R11, 140, 140HC tractors and T-4 crawler tractors

1шт.

NLS

NO LONGER SERVICED

2шт.

103321

LOCK WASHER,3/8"

WASHER, LOCK, 3/8"

2шт.

375747R1

BUSHING,46.19mm ID x 49.45mm OD x 30.43mm L

camshaft front

1шт.

374338R93

SLEEVE ASSY

SLEEVE W/PISTON AND RINGS ASSY, cylinder, fire crater increased power, gasoline, std altitude

4шт.

Must also be furnished depending on type of fuel and altitude desired when crankcase assy 366294R94 is furnished for service on 100 and 100HC tractors.

1шт.

374493R93

SLEEVE ASSY

SLEEVE W/PISTON AND RINGS ASSY, cylinder, fire crater increased power, gasoline, high altitude

4шт.

Must also be furnished depending on type of fuel and altitude desired when crankcase assy 366294R94 is furnished for service on 100 and 100HC tractors.

1шт.

374897R91

KIT

PACKAGE, distributor change-over, required with 374338R93 and 374493R93

1шт.

Must also be furnished depending on type of fuel and altitude desired when crankcase assy 366294R94 is furnished for service on 100 and 100HC tractors.

1шт.

366837R91

SLEEVE W/PISTON AND RINGS ASSY, cylinder, distillate, standard altitude

4шт.

Must also be furnished depending on type of fuel and altitude desired when crankcase assy 366294R94 is furnished for service on 100 and 100HC tractors.

1шт.

NLS

NO LONGER SERVICED

SLEEVE W/PISTON AND RINGS ASSY, cylinder, distillate, high altitude, discontinued for service

4шт.

Must also be furnished depending on type of fuel and altitude desired when crankcase assy 366294R94 is furnished for service on 100 and 100HC tractors.

1шт.

NLS

NO LONGER SERVICED

SLEEVE W/PISTON AND RINGS ASSY, cylinder, kerosine, standard altitude, discontinued for service

4шт.

Must also be furnished depending on type of fuel and altitude desired when crankcase assy 366294R94 is furnished for service on 100 and 100HC tractors.

1шт.

366657R91

SLEEVE W/PISTON AND RINGS ASSY, cylinder, kerosine, high altitude

4шт.

Must also be furnished depending on type of fuel and altitude desired when crankcase assy 366294R94 is furnished for service on 100 and 100HC tractors.

1шт.

Выбрано товаров: 77