Запчасти Case IH C-153 (E-10) - CRANKCASE AND RELATED PARTS

Схема запчастей Case IH C-153 - (E-10) - CRANKCASE AND RELATED PARTS
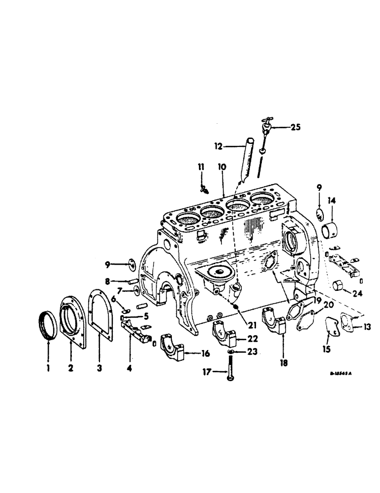
24
23
19
16
6
12
25
14
15
9
7
10
3
2
9
21
8
4
18
5
1
11
20
13
22
17
FIT
1:1
100%

Артикул

Название

Примечание

Количество

1

378040R91

PACKING RING

SEAL, crankcase rear oil

1шт.

2

377996R2

HUB

RETAINER, crankshaft rear oil seal

1шт.

179818

BOLT,Hex, 5/16" - 18 x 1", Gr 5

8шт.

103320

LOCK WASHER,5/16"

WASHER, LOCK, 5/16"

8шт.

3

377997R1

GASKET

crankshaft rear oil seal retainer

1шт.

4

6100DA

SUPPORT ASSY.

PLATE, crankshaft front and rear oil seal retainer

2шт.

5

43445DA

PAD

PLUG, crankshaft oil seal retainer plate felt

4шт.

6

43446DA

GASKET,1.29mm Thk

crankshaft oil seal retainer, plate

4шт.

7

172576

PLUG,Exp, 1 5/8"

1-5/8 expansion, camshaft rear

1шт.

8

358568R1

DOWEL, clutch housing, 3514 tractors

2шт.

8

46923D

PIN

DOWEL, clutch housing, 93, 105, 203 combines 210, 230, 275, 375 windrowers and 225 hayswathers

2шт.

8

357232R1

PIN

DOWEL, rear support plate, 1 used for 444, 2444, 2444 lo-boy tractors and 4000 fork lifts

1шт.

9

22263R1

PLUG

core hole

5шт.

10

391239R21

CRANKCASE ASSY, 3514 tractors

1шт.

Consists of (6) bolt 70133R1, (1) bushing 43439DBR, (1) bushing 375747R1, (2) cap (NSS), (1) cap (NSS), (1) connector 539968R1, (1) crankcase 391239R2 (NSS), (2) dowel 368568R1, (5) plug 22263R1, (1) plug 444574, (2) plug 444654, (1) plug 172576, (1) plug 63556R1, (2) plug 444687, (1) sleeve 368985R2, (6) washer 58516H

1шт.

444654

PLUG,Sq Soc, 1/4"-18 NPTF

1/4-18 auto sq-soc pipe stl

2шт.

444687

PLUG,Hex Soc, 1/8"-27

1/8-27 auto sq-soc pipe

2шт.

10

378597R31

CRANKCASE ASSY, 504 tractors

1шт.

Consists of (6) bolt 70133R1, (1) bushing (NSS), (1) bushing 375747R1, (2) cap (NSS), (1) cap (NSS), (1) connector 539968R1, (1) crankcase 375597R3 (NSS), (2) dowel 368568R1, (5) plug 22263R1, (1) plug 172576, (1) plug 63556R1, (2) plug 444687, (1) plug 444574, (2) plug 444654, (1) sleeve 368985R2, (6) washer 58516H

1шт.

10

405163R92

CRANKCASE ASSEMBLY W/PISTONS AND RINGS, 93, 105, 203 combines, 210, 230, 275, 375 windrowers and 225 hayswathers

1шт.

Consists of (6) bolt 70133R1, (1) bushing (NSS), (1) bushing 375747R1, (2) cap (NSS), (1) cap (NSS), (1) connector 539968R1, (1) crankcase (NSS) 379171R3, (2) dowel 46923D, (4) pin 367797R1, (4) piston 375806R2 (NSS), (5) plug 22263R1, (1) plug 444574, (2) plug 444654, (1) plug 63556R1, (1) plug 172576, (2) plug 444687, (8) ring 367798R1, (4) ring 359657R1, (4) ring 375810R1, (4) ring 402264R1, (1) sleeve 368985R2, (6) washer 58516H

1шт.

10

388575R31

CRANKCASE ASSEMBLY, 444, 2444, 2444 lo-boy tractors and 4000 fork lists

1шт.

Consists of, (6) bolt 70133R1, (1) bushing (NSS), (1) bushing 375747R1, (2) cap (NSS), (1) cap (NSS), (1) cock 103647, (1) connector 539968R1, (1) crankcase 388575R3 (NSS), (1) dowel 357232R1, (1) drain cock 103647, (1) plug 172576, (3) plug 444654, (5) plug 22263R1, (2) plug 444687, (1) plug 63556R1, (1) sleeve 368985R2, (6) washer 58516H

1шт.

444654

PLUG,Sq Soc, 1/4"-18 NPTF

1/4-18 auto sq-soc pipe stl

3шт.

444687

PLUG,Hex Soc, 1/8"-27

1/8-27 auto sq-soc pipe

2шт.

63556R1

PLUG

expansion

1шт.

11

103647

VALVE

COCK, 1/4 type C water drain

1шт.

12

368985R2

TUBE

SLEEVE, oil level gage

1шт.

13

350708R1

GASKET

hydraulic pump pad cover, all machines except 444, 2444, 2444 lo-boy tractors and 4000 fork lifts

1шт.

14

43439DBR

BUSHING,50.77mm ID x 54.15mm OD x 33.34mm L

distributor gear

1шт.

15

251067R1

COVER

hydraulic pump pad, all machines except 444, 2444, 2444 lo-boy tractors and 4000 fork lifts

1шт.

179837

BOLT,Hex, 3/8" - 16 x 3/4", Gr 5

2шт.

103321

LOCK WASHER,3/8"

WASHER, LOCK, 3/8"

2шт.

16

NSS

NOT SOLD SEPARAT

CAP, crankshaft rear bearing, not serviced separately order crankcase assy

1шт.

17

70133R1

BOLT

BOLT, crankshaft bearing cap

6шт.

18

NSS

NOT SOLD SEPARAT

CAP, crankshaft front bearing, not serviced separately order crankcase assy

1шт.

19

49124D

GASKET

fuel tank opening cover, all machines except 444, 2444, 2444 lo-boy tractors and 4000 for lifts

1шт.

20

29710D

COVER

fuel pump opening, all machines except 444, 2444, 2444 lo-boy tractors and 4000 fork lifts

1шт.

179814

SPACER

2шт.

103320

LOCK WASHER,5/16"

WASHER, LOCK, 5/16"

2шт.

21

444574

PLUG,Sq Hd, 1/4"-18 NPTF

1/4-18 auto sq-hd pipe

1шт.

22

NSS

NOT SOLD SEPARAT

CAP, crankshaft center bearing, not serviced separately order crankcase assy

1шт.

23

58516H

WASHER,17/32" x 1 1/16" x .095", HDN

crankshaft bearing cap bolt

6шт.

24

375747R1

BUSHING,46.19mm ID x 49.45mm OD x 30.43mm L

camshaft front

1шт.

Block is bored for camshaft, no rear or center bushing.

1шт.

25

375792R91

GAUGE

GAGE ASSEMBLY, oil level

1шт.

392249R92

SWITCH

oil pressure sending unit

1шт.

Выбрано товаров: 47