Запчасти Case IH C-153 (E-33) - GOVERNOR

Схема запчастей Case IH C-153 - (E-33) - GOVERNOR
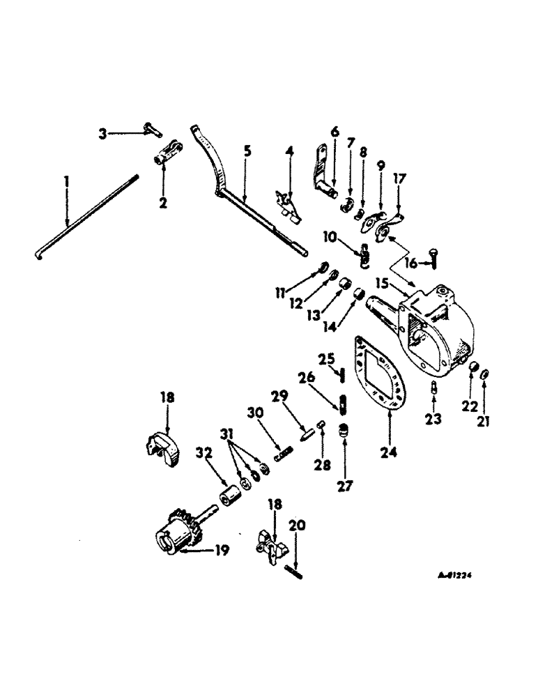
12
3
30
4
5
15
32
19
21
23
2
6
25
24
9
7
10
14
29
20
1
27
16
26
28
18
22
8
18
13
11
17
31
FIT
1:1
100%

Артикул

Название

Примечание

Количество

1

375780R1

ROD

governor connecting, 444, 2444, 2444 lo-boy tractors and 4000 fork lifts

1шт.

1

678366C1

ROD, governor connecting, 93, 105, 203 combines 210, 230, 275, 375 windrowers, 3514 tractors and 225 hayswathers

1шт.

137130

PIN

1/16 x 7/16 cotter

1шт.

2

104036

ADJUSTABLE CLEVIS,1/4"-28 x 2"

CLEVIS, 1/4-28 adjustable rod end

1шт.

25-114

NUT,1/4"-28, G5

1/4-28 hex.

1шт.

3

103494

ADJUSTABLE CLEVIS,1/4" x .770"

PIN, 1/4 rod end

1шт.

137130

PIN

1/16 x 7/16 cotter

1шт.

4

367711R1

FORK

governor rockshaft, 93 combines 444, 2444, 2444 lo-boy, 3514 tractors and 4000 fork lifts

1шт.

4

383798R1

FORK

governor rockshaft, 105, 203 combines 210, 230, 275, 375 windrower and 225 hayswathers

1шт.

131970

SCREW,Sl Fil Hd, #8 - 32 x 1/2"

no. 8 x 1/2 slt-rd-hd mach

2шт.

492-11008

LOCK WASHER,#8

Washer, Lock, #8

2шт.

5

367709R11

ROCKSHAFT

ASSY, governor

1шт.

6

46947DAXB

LEVER

AND SHAFT, governor

1шт.

114494

NUT,Jam, 3/8"-24, G5

1шт.

93-41039

LOCK WASHER,Ext Tooth, 3/8"

WASHER, governor spring lever lock

1шт.

7

149345R91

OIL SEAL

SEAL, governor speed change shaft oil

1шт.

8

151341R1

WASHER

governor spring lever, inside and outside governor housing

2шт.

9

51491DB

LEVER

governor spring

1шт.

10

369686R2

SPRING

governor high speed, 3514 tractors

1шт.

10

381242R1

SPRING

governor, 105, 203 combines 210, 230, 275 and 375 windrowers and 225 hayswathers

1шт.

10

69235D

SPRING

governor, 93 combines

1шт.

10

389452R2

SPRING

governor high speed, 444, 2444, 2444 lo-boy tractors and 4000 fork lifts

1шт.

11

43483D

SEAL RETAINER

RETAINER, governor rockshaft seal

1шт.

12

43482D

SEAL,9.53mm ID x 18.26mm OD x 5.56mm Thk

SEAL, governor rockshaft

1шт.

13

46939D

BUSHING,9.59mm ID x 19.13mm OD x 11.11mm L

governor rockshaft

1шт.

14

45753D

BEARING, NEEDLE,Needle, 9.51mm ID x 15.89mm OD x 12.7mm W

BEARING, governor rockshaft needle

1шт.

15

6340DBX

HOUSING

ASSEMBLY, governor, consists of (2) bearing 45753D, (1) bushing 46939D, (1) housing (NSS), (1) pin 49942D, (1) pin 49220D, (1) plug 172531

1шт.

179821

BOLT,Hex, 5/16" - 18 x 1 3/8", Gr 5

1шт.

179827

FRONT AXLE

2шт.

179829

BOLT,Hex, 5/16" - 18 x 2 3/4", Gr 5

2шт.

103320

LOCK WASHER,5/16"

WASHER, LOCK, 5/16"

5шт.

16

357432R3

BOLT

STOP, governor speed change lever

1шт.

114503

JAM NUT,Jam, 3/8"-16, G5

1шт.

17

389451R1

SPRING

governor low speed, 444, 2444, 2444 lo-boy tractors and 4000 fork lifts

1шт.

18

374710R1

WEIGHT

governor, 93, 105, 203 combines 210, 230, 275 and 375 windrowers, 3514 tractors and 225 hayswathers

1шт.

18

393750R1

WEIGHT

governor, 444, 2444, 2444 lo-boy tractors and 4000 fork lifts

2шт.

19

375778R11

GEAR

PINION ASSEMBLY, ignition unit and governor, 33 teeth

1шт.

20

46924D

PIN

governor weight

2шт.

108628

PIN

1/16 x 7/8 cotter

2шт.

21

172531

PLUG,Exp, 3/4"

3/4 expansion, governor housing

1шт.

22

45753D

BEARING, NEEDLE,Needle, 9.51mm ID x 15.89mm OD x 12.7mm W

BEARING, governor rockshaft needle

1шт.

23

46942D

AXLE PIN,5.56mm OD x 18.26mm L

PIN, governor rockshaft lever retainer

1шт.

24

45875D

GASKET

governor housing

1шт.

25

28078D

VALVE SPRING

SPRING, governor bumper

1шт.

26

31804DA

BODY

governor bumper spring

1шт.

425-157

JAM NUT,Jam, 7/16"-20, G5

1шт.

27

131487

NUT

7/16-20 low crown

1шт.

28

49220D

STOP

PIN, governor shaft stop

1шт.

29

49219DA

AXLE PIN,4.78mm OD x 26.99mm L

PIN, governor shaft bumper

1шт.

30

49218DA

SPRING

governor bumper

1шт.

31

43481D

BEARING ASSY,12.8mm ID x 23.81mm OD x 10.19mm W

BEARING, governor thrust ball

1шт.

32

49325D

BUSHING

SLEEVE, governor thrust, steel, optional with 363866R1

1шт.

32

363866R1

BUSHING,12.83mm ID x 23.81mm OD x 27.51mm L

SLEEVE, governor thrust, nylon, optional with 49325D

1шт.

Выбрано товаров: 53