Запчасти Case IH C-153 (E-41) - UNDERSLUNG EXHAUST, 504 AND 2504 TRACTORS

Схема запчастей Case IH C-153 - (E-41) - UNDERSLUNG EXHAUST, 504 AND 2504 TRACTORS
8
1
5
15
12
16
6
13
9
3
11
4
14
2
7
10
12
FIT
1:1
100%

Артикул

Название

Примечание

Количество

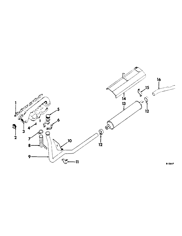
1

352014R3

GASKET

intake and exhaust manifold

2шт.

2

20976R1

PLUG

1-1/2 sq-soc-hd pipe

1шт.

3

377179R11

MANIFOLD

W/PLUG, intake and exhaust, gasoline engine tractors

1шт.

3

377181R11

MANIFOLD W/PLUG, intake and exhaust, LP gas tractors

1шт.

179841

BOLT,Hex, 3/8" - 16 x 1 1/4", Gr 5

3/8-16 x 1-1/4 hex-hd cap

6шт.

445671

PLUG,Sq Hd, 1/8"-27 NPTF

1/8 sq-hd pipe, optional w/plug 445685

1шт.

445685

PLUG, 1/8 sq-hd pipe, optional w/plug 445671

1шт.

4

12215D

STUD

carburetor

2шт.

103026

NUT,3/8"-24, G5

2шт.

103321

LOCK WASHER,3/8"

WASHER, LOCK, 3/8"

2шт.

5

377057R1

FITTING

ADAPTER, exhaust pipe

1шт.

6

362300R1

CLAMP

exhaust pipe

2шт.

120376

NUT,5/16"-18, G5

2шт.

180084

BOLT,Hex, 5/16" - 18 x 1 5/8", Gr 5

SCREW, 5/16-18 x 1-5/8 C-Z hex-hd cap

2шт.

7

55624D

CLAMP

exhaust pipe sleeve

2шт.

8

377058R2

SLEEVE

exhaust pipe asbestos, 8 in. long

1шт.

9

377056R11

PIPE

W/TWO CLAMPS AND SLEEVE, exhaust

1шт.

10

370341R11

BRACKET ASSY, exhaust pipe support

1шт.

11

369838R1

CLAMP

exhaust pipe support

1шт.

179789

BOLT,Hex, 1/4" - 20 x 3/8", Gr 5, Full Thd

1шт.

179793

BOLT,Hex, 1/4" - 20 x 5/8", Gr 5, Full Thd

1шт.

12

362304R1

CLAMP

muffler

2шт.

102635

NUT,3/8"-16, G5

2шт.

413-622

BOLT,Hex, 3/8" - 16 x 1-3/8", Gr 5

3/8-16 x 1-3/8 hex-hd cap

2шт.

13

365966R91

MUFFLER

exhaust

1шт.

13

365966R91GV

MUFFLER

Value, Exhaust Muffler

1шт.

14

378073R91

SHIELD ASSY, muffler

1шт.

15

379270R1

SUPPORT, muffler rear, 504 tractors

1шт.

179873

BOLT,Hex, 7/16" - 14 x 3 3/4", Gr 5

1шт.

392664R1

SPACER, rear support

1шт.

15

369323R1

SUPPORT, muffler rear, 2504 tractors

1шт.

179873

BOLT,Hex, 7/16" - 14 x 3 3/4", Gr 5

1шт.

389324R1

SPACER, rear support

1шт.

16

365972R1

PIPE

tail

1шт.

Выбрано товаров: 34