Запчасти Case IH C-221 (A-05) - CONNECTING RODS AND PISTONS

Схема запчастей Case IH C-221 - (A-05) - CONNECTING RODS AND PISTONS
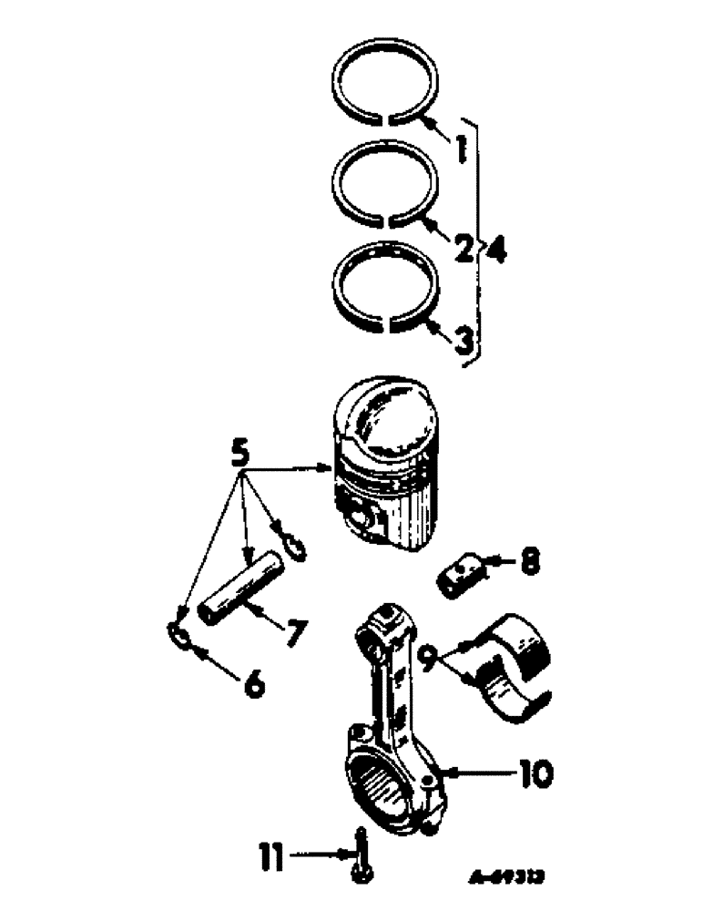
11
1
4
9
3
6
10
8
2
7
5
FIT
1:1
100%

Артикул

Название

Примечание

Количество

1

NSS

NOT SOLD SEPARAT

RING, compression piston, top or first groove, not serviced separately, order piston ring set

6шт.

2

NSS

NOT SOLD SEPARAT

RING, compression piston, second groove, not serviced separately, order piston ring set

6шт.

3

NSS

NOT SOLD SEPARAT

RING, oil regualting piston, third or bottom groove, not serviced separately, order piston ring set

6шт.

4

539379R2

SET

RING SET, piston, consists of two compression and one oil regulating ring, std and .010 O/S

6шт.

4

539380R2

SET

RING SET, piston, consists of two comprssion and one oil regulating ring, .020 O/S

6шт.

4

539381R2

SET

RING SET, piston, consists of two compression and one oil regulating ring, .030 O/S

6шт.

4

539382R2

RING, SET

RING SET, piston, consists of two compression and one oil regulating ring, .040 O/S

6шт.

5

388045R92

PISTON

ASSY, std

6шт.

5

388046R92

PISTON ASSY, .010 O/S

6шт.

5

388047R92

PISTON

ASSY, .020 O/S

6шт.

5

388048R92

PISTON

ASSY, .030 O/S

6шт.

5

388049R92

PISTON ASSY, .040 O/S

6шт.

5

388050R92

NO LONGER SERVICED

PISTON ASSY, std, high altitude

6шт.

5

388051R92

PISTON ASSY, .010 O/S, high altitude

6шт.

5

388052R92

PISTON ASSY, .020 O/S, high altitude

6шт.

5

388053R92

PISTON

ASSY, .030 O/S, high altitude

6шт.

5

388054R92

PISTON ASSY, .040 O/S, high altitude

6шт.

6

19517D

SPECIAL RING

RING, piston pin retainer

12шт.

7

278271R1

PISTON PIN

PIN, piston, standard

6шт.

7

278326R1

PIN

piston, .005 oversize

6шт.

8

364913R1

BUSHING,21.84mm ID x 23.66mm OD x 33.2mm L

piston pin

6шт.

9

367408R11

BEARING ASSY,60.84mm ID x 64.01mm OD x 25.48mm W

BEARING ASSY, connecting rod, 2 halves, standard

6шт.

9

367632R11

BEARING ASSY

BEARING ASSY, connecting rod, 2 halves

2шт.

9

376666R11

BEARING ASSY

ASSY, connecting rod, 2 halves, .010 U/S

6шт.

9

376668R11

CONN. ROD SHELL

BEARING ASSY, connecting rod, 2 halves, .020 U/S

6шт.

9

367631R11

BEARING ASSY

ASSY, connecting rod, 2 halves, .030 U/S

6шт.

10

367406R21

ROD

W/TWO BOLTS, 280318C1 and bushing, 364913R1, connecting

6шт.

11

280318C1

BOLT,Hex, 3/8" - 24 x 1.875"

connecting rod

12шт.

Выбрано товаров: 28