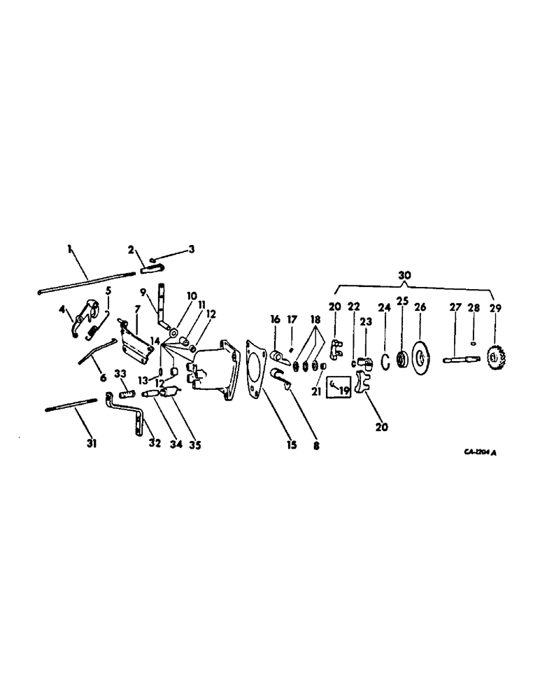
Запчасти Case IH C-263 (B-59) - GOVERNOR, ALL MACHINES EXCEPT 403 AND 615 COMBINES

Схема запчастей Case IH C-263 - (B-59) - GOVERNOR, ALL MACHINES EXCEPT 403 AND 615 COMBINES
20
12
4
13
14
35
6
20
8
27
23
16
19
1
33
10
26
30
25
2
22
32
11
3
7
17
31
34
29
21
24
12
18
9
5
28
15
FIT
1:1
100%

Артикул

Название

Примечание

Количество

372708R93

GOVERNOR

ASSEMBLY, all machines except 656 tractors with gear drive, consists of ref nos. 8 thru 10, 14, 16 thru 18 and 20 thru 30

1шт.

378127R93

GOVERNOR

ASSEMBLY, 656 tractors with gear drive, consists of ref nos 8 thru 10, 14, 16 thru 18 and 20 thru 30

1шт.

1

368335R1

ROD

, Serial Range: governor-carburetor

1шт.

137130

PIN

1/16 x 7/16 cotter

1шт.

2

104036

ADJUSTABLE CLEVIS,1/4"-28 x 2"

CLEVIS, 1/4-20 adj rod end

1шт.

25-114

NUT,1/4"-28, G5

1/4-28 hex

1шт.

3

103494

ADJUSTABLE CLEVIS,1/4" x .770"

PIN, 1/4 x 51/64 rod end

1шт.

137130

PIN

1/16 x 7/16 cotter

1шт.

4

378133R1

LEVER

governor speed control, 656 and 706 tractors

1шт.

137130

PIN

1/16 x 7/16 cotter

1шт.

95-11034

WASHER,1/4"

11/32 x 11/16 x .065

1шт.

5

384588R1

SPRING

governor, 656 and 706 tractors

1шт.

6

Not used in this application

1шт.

7

378131R21

SUPPORT

BRACKET ASSY, governor control lever, 656 and 706 tractors

1шт.

114492

JAM NUT,Jam, 1/4"-28, G5

1/4-28 hex jam

1шт.

181315

BOLT,Hex, 1/4" - 28 x 1", Gr 5

1шт.

179816

BOLT,Hex, 5/16" - 18 x 3/4", Gr 5

2шт.

103320

LOCK WASHER,5/16"

WASHER, LOCK, , Gasoline engine tractors 5/16"

2шт.

114492

JAM NUT,Jam, 1/4"-28, G5

1/4-28 hex jam

1шт.

393023R1

SCREW, governor speed control lever

1шт.

453025R1

SCREW, 5/16-18 x 3/4 hex-hd

1шт.

12736D

ELECTRICAL WIRE

SEAL, governor speed control screw

1шт.

103320

LOCK WASHER,5/16"

WASHER, LOCK, 5/16"

2шт.

179816

BOLT,Hex, 5/16" - 18 x 3/4", Gr 5

LP gas engine tractors Hex, 5/16"-18 x 3/4", G5, Full Thd

1шт.

8

374795R1

VALVE SPRING

SPRING, bumper

1шт.

9

367656R12

ROCKSHAFT

LEVER AND ROCKTSHAFT ASSEMBLY, governor

1шт.

10

361123R91

OIL SEAL

governor rockshaft oil

1шт.

11

369593R1

BUSHING

governor

1шт.

12

369594R1

BUSHING

governor

2шт.

13

172530

PLUG,Exp, 11/16"

11/16 expansion

1шт.

14

367651R31

HOUSING ASSEMBLY, governor

1шт.

NLS

NO LONGER SERVICED

3шт.

103321

LOCK WASHER,3/8"

WASHER, LOCK, 3/8"

3шт.

127842

YOKE

SCREW, 1/4-28 x 1-1/2 slt-rd-hd mach

1шт.

114492

JAM NUT,Jam, 1/4"-28, G5

1/4-28 hex jam

1шт.

15

367669R1

GASKET

governor housing

1шт.

16

367653R1

FORK

governor thrust

1шт.

17

368938R1

SET SCREW,Hdls Hex Skt, 1/4" - 28 x 5/16", Cup Pt

governor thrust fork set

1шт.

18

393405R91

THRUST BEARING,11.07mm ID x 25.4mm OD x 11.13mm W

governor thrust ball

1шт.

19

251460R1

RING, SNAP

RING, governor sleeve stop, used only with governor shaft having snap ring groove

1шт.

20

367741R1

WEIGHT

governor, used w/governor 372708R93

2шт.

20

378129R1

WEIGHT

governor, used w/governor 378127R93

2шт.

17053R1

LOCK PIN,Sl Spring, 1/4" x 1 3/8"

PIN, 1/4" x 1 3/8", Slotted

2шт.

21

387878R1

SLEEVE

governor thrust

1шт.

22

369477R1

RING

snap

1шт.

23

367726R1

CARRIER

governor weight

1шт.

24

281907C1

SNAP RING,1.438", Int, #143

Ring, Snap, , governor shaft brg 1.438", Int, #143

1шт.

25

ST552

BALL BEARING,12mm ID x 37mm OD x 12mm W

BEARING, governor shaft ball

1шт.

26

367666R1

RETAINER, governor bearing

1шт.

27

367665R1

SHAFT

governor

1шт.

28

452560

KEY, 1/16 x 3/8 Woodruff no. 211

1шт.

29

367664R1

PINION

GEAR, governor

1шт.

864337R1

NUT, 7/16-20 hex lock

1шт.

30

368939R93

PINION

GEAR AND WEIGHT ASSEMBLY, governor, used w/governor 372708R93

1шт.

30

378128R92

GEAR-SET

GEAR AND WEIGHT ASSEMBLY, governor, used w/governor 378127R93

1шт.

31

367659R1

STUD

ROD, governor spring retainer, 50 forage harvesters

1шт.

25-114

NUT,1/4"-28, G5

1/4-28 hex

1шт.

32

367742R1

BRACKET, governor spring, 50 forage harvesters

1шт.

179818

BOLT,Hex, 5/16" - 18 x 1", Gr 5

2шт.

103320

LOCK WASHER,5/16"

WASHER, LOCK, 5/16"

2шт.

33

367660R1

BOLT,Hex, 1/2" - 20 x 1.19"

ADJUSTER, governor spring, 50 harvesters

1шт.

114496

HOURMETER,Jam, 1/2"-20, G5

NUT, 1/2-20 hex jam

1шт.

12736D

ELECTRICAL WIRE

SEAL, governor spring adjuster

1шт.

34

367740R1

PIN

RETAINER, governor spring, 50 forage harvesters

1шт.

35

372709R2

VALVE SPRING

SPRING, governor, 50 forage harvesters

1шт.

386010R91

KIT

PACKAGE, governor overhaul, used with governor 372708R93

1шт.

386011R91

KIT

PACKAGE, governor overhaul, used with governor 378127R93

1шт.

Выбрано товаров: 67