Запчасти Case IH C-291 (D-26) - CARBURETOR, LP GAS

Схема запчастей Case IH C-291 - (D-26) - CARBURETOR, LP GAS
12
13
7
3
39
29
12
18
27
12
19
8
15
17
1
20
32
36
30
28
5
31
34
35
11
37
2
40
22
24
33
6
26
4
23
10
9
38
14
16
21
25
FIT
1:1
100%

Артикул

Название

Примечание

Количество

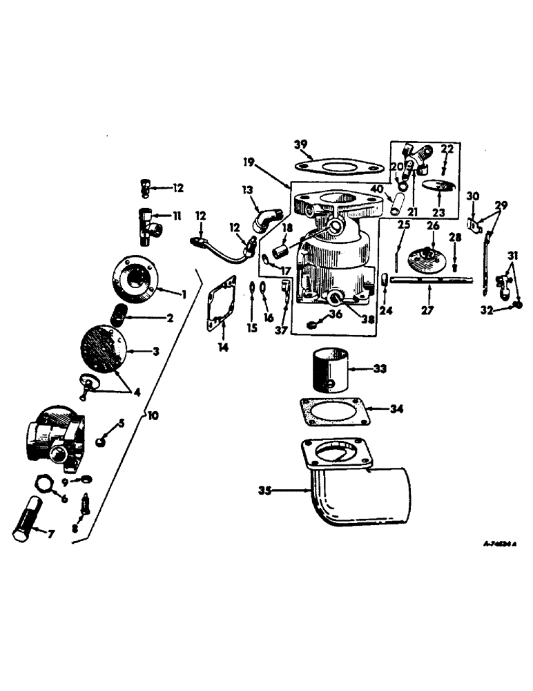
383372R93

CARBURETOR, 1-1/2 updraft, 616 and 622 cotton pickers with hydrostaic transmission

1шт.

383371R93

CARBURETOR, 1-1/2 updraft, all machines except 616 and 622 cotton pickers w/hydrostatic transmission

1шт.

1

359623R1

COVER, economizer

1шт.

131974

SCREW,Sl Fil Hd, #8 - 32 x 5/8"

no. 8-32 x 5/8 slt-fil-hd C-Z mach

5шт.

131182

WASHER, LOCK

WASHER, no. 8 C-Z light lock

5шт.

2

128071R1

SPRING, economizer

1шт.

3

113504R1

DIAPHRAGM, economizer

1шт.

4

359621R91

DIAPHRAGM ASSEMBLY, economizer

1шт.

5

373189R1

SCREW, economizer bleed

1шт.

6

56430D

NUT, fuel adjusting screw lock

1шт.

7

56429D

SCREW, fuel adjusting

1шт.

8

359620R1

SCREW, starting adjusting

1шт.

9

113506R1

NUT, starting adjusting screw lock

1шт.

10

307977R1

BODY, economizer assembly, gas, less Ref. 5

1шт.

132203

SCREW, no. 12 x 7/8 slt-fil-hd C-Z mach Slotted Fil Hd, #12-24 x 7/8"

4шт.

131184

CONNECTING LINK

WASHER, no. 12 C-Z light lock

4шт.

11

19272R1

TEE, 1/8 x 90 deg, for 3/16 tube

1шт.

12

19983R1

NUT, 3/8-24 hi-duty tube fitting

3шт.

13

32468H

ELBOW,90 Degree x 1/8" NPT x 3/8"-24

1/8 x 90 deg, for 3/16 tube

1шт.

14

359624R1

GASKET, gas inlet & economizer

1шт.

15

37183D

WASHER, valve lever

1шт.

16

359615R1

WASHER, spring

1шт.

17

47856H

PLUG, 1/2 expansion

1шт.

18

37024D

BUSHING, throttle bearing

2шт.

19

392575R92

BODY ASSY, throttle

1шт.

20

379598R1

SEAL

throttle shaft oil, replaces 64837D

2шт.

21

373536R91

SHAFT & STOP ASSEMBLY, throttle

1шт.

22

56370D

SCREW, throttle shaft disc

2шт.

23

374860R1

DISC, throttle

1шт.

24

58899D

WASHER, dust

1шт.

25

359616R1

PIN, valve lever

1шт.

26

128068R91

DISC ASSY, spring loaded choke

1шт.

27

128069R1

SHAFT, choke

1шт.

28

56365D

SCREW, choke shaft disc

2шт.

29

58889D

SUPPORT ASSEMBLY, choke tube

1шт.

443799

SCREW, no. 8 x 1/4 slt-binding-hd C-Z mach

2шт.

30

56389D

CLAMP, choke tube

1шт.

120614

NUT,Hex, #10 - 32

NUT, #10-32

1шт.

132105

SCREW,Sl Fil Hd, #10 - 32 x 3/8"

no. 10-32 x 3/8 slt-fil-hd C-Z mach

1шт.

31

275583R91

LEVER ASSEMBLY, choke

1шт.

32

36756D

SCREW, B set

1шт.

33

383380R1

VENTURI NO. 46, used w/carburetor 383372R93

1шт.

33

373940R1

VENTURI NO. 40, used w/carburetor 383371R93

1шт.

132198

SCREW, no. 12-24 x 3/4 slt-fil-hd C-Z mach

1шт.

131184

CONNECTING LINK

WASHER, no. 12 C-Z light lock

1шт.

34

128073R1

GASKET, air intake elbow

1шт.

35

383383R2

ELBOW, air intake

1шт.

NLS

NO LONGER SERVICED

SCREW, no. 12-24 x 5/8 slt-fil-hd C-Z mach

4шт.

131184

CONNECTING LINK

WASHER, no. 12 C-Z light lock

4шт.

36

13123D

PLUG, 3/16 expansion

1шт.

37

359614R1

LEVER, valve

1шт.

38

64835D

NOZZLE, balance tube

1шт.

39

383376R1

GASKET

carburetor

1шт.

40

528488R1

BUSHING, throttle shaft bearing

1шт.

387444R93

PACKAGE, carburetor gasket

1шт.

396405R92

PACKAGE, carburetor overhaul

1шт.

Выбрано товаров: 56