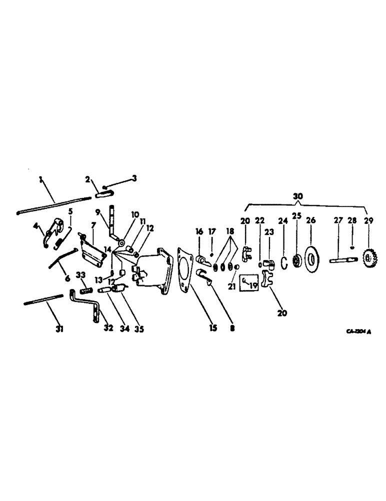
Запчасти Case IH C-291 (D-41) - GOVERNOR

Схема запчастей Case IH C-291 - (D-41) - GOVERNOR
28
12
17
20
16
26
9
31
27
3
7
32
33
15
12
35
19
24
13
30
20
14
34
21
23
6
10
5
22
4
18
29
2
11
25
1
8
FIT
1:1
100%

Артикул

Название

Примечание

Количество

378127R93

GOVERNOR

ASSEMBLY, Farmall 666 and 686 tractors with gear drive, consists of Ref. nos. 8 thru 14, 16 thru 18 and 20 thru 30

1шт.

372708R93

GOVERNOR

ASSEMBLY, consists of Ref. nos. 8 thru 14, 16 thru 18, and 20 thru 30, all machines except 616 and 622 cotton pickers with hydrostatic transmission and Farmall 666 and 686 tractors with gear drive

1шт.

403639R91

GOVERNOR ASSEMBLY, consists of Ref. nos. 8 thru 14, 16 thru 18, and 20 thru 30, 616 and 622 cotton pickers with hydrostatic transmission and engine serial no. 7935 & below

1шт.

529390R91

GOVERNOR ASSEMBLY, consists of Ref. nos 8 thru 14, 16 thru 18, 20 thru 30, 616 and 622 cotton pickers with hydrostatic transmission and engine serial no. 7936 & above

1шт.

1

368335R1

ROD

, Serial Range: governor-carburetor

1шт.

137130

PIN

1/16 x 7/16 cotter

1шт.

2

104036

ADJUSTABLE CLEVIS,1/4"-28 x 2"

CLEVIS, 1/4-20 adj rod end

1шт.

25-114

NUT,1/4"-28, G5

1/4-28 hex.

1шт.

3

103494

ADJUSTABLE CLEVIS,1/4" x .770"

PIN, 1/4 x 51/64 rod end

1шт.

137130

PIN

1/16 x 7/16 cotter

1шт.

4

378133R1

LEVER

governor speed control, used w/616 and 622 cotton pickers w/hydrostatic transmission and engine serial no. 7936 and above and Farmall, International 706, 766, Farmall 666, 686 gear drive and 666, 70 and 86 hydrostatic drive and 766 tractors

1шт.

137130

PIN

1/16 x 7/16 cotter

1шт.

Q3817

WASHER

.344 x .656 x .021 pln

1шт.

5

384588R1

SPRING

governor, Farmall 666 and 686 gear drive and 666, 70 and 86 hydrostatic drive tractors, 706, 756, 766 and International 706 and 756 tractors

1шт.

5

529383R1

SPRING, governor, used w/616 and 622 cotton pickers w/hydrostatic transmission and engine serial no. 7936 and above, and Farmall, International 706, 756 and Farmall 766 tractors

1шт.

6

Not used in this application

1шт.

7

378131R21

SUPPORT

BRACKET ASSY, governor control lever

1шт.

Used w/616 and 622 cotton pickers w/hydrostatic transmission and engine serial no. 7936 and above and Farmall, International 706, 756 Farmall, 666, 686 gear drive and 666, 70 and 86 hydrostatic drive tractors, and 766 tractors

1шт.

114492

JAM NUT,Jam, 1/4"-28, G5

1/4-28 hex. jam

1шт.

181315

BOLT,Hex, 1/4" - 28 x 1", Gr 5

All machines except Farmall 656, 686 gear drive and 666, 70 and 86 hydrostatic drive tractors Hex, 1/4"-28 x 1", G5, Full Thd

1шт.

453025R1

BOLT, 5/16-18 x 3/4 special hex-hd, 666, 686 gear drive and 666, 70 and 86 hydrostatic drive tractors

1шт.

179816

BOLT,Hex, 5/16" - 18 x 3/4", Gr 5

1шт.

393023R1

SCREW, governor speed control lever, 666, 686 gear drive and 666, 70 and 86 hydrostatic drive tractors

1шт.

12736D

ELECTRICAL WIRE

SEAL, governor spring adjuster, Farmall 666 tractors

1шт.

179816

BOLT,Hex, 5/16" - 18 x 3/4", Gr 5

2шт.

103320

LOCK WASHER,5/16"

WASHER, LOCK, , Gasoline engine tractors 5/16"

2шт.

114492

JAM NUT,Jam, 1/4"-28, G5

1/4-28 hex. jam

1шт.

393023R1

SCREW, governor speed control lever

1шт.

453025R1

SCREW, 5/16-18 x 3/4 hex-hd

1шт.

12736D

ELECTRICAL WIRE

SEAL, governor speed control screw

1шт.

103320

LOCK WASHER,5/16"

WASHER, LOCK, 5/16"

2шт.

179816

BOLT,Hex, 5/16" - 18 x 3/4", Gr 5

LP gas engine tractors Hex, 5/16"-18 x 3/4", G5, Full Thd

1шт.

8

374795R1

VALVE SPRING

SPRING, bumper

1шт.

9

367656R12

ROCKSHAFT

LEVER AND ROCKSHAFT ASSEMBLY, governor

1шт.

10

361123R91

OIL SEAL

governor rockshaft oil

1шт.

11

369593R1

BUSHING

governor

1шт.

12

369594R1

BUSHING

governor

2шт.

13

172530

PLUG,Exp, 11/16"

11/16 expansion

1шт.

14

367651R31

HOUSING ASSEMBLY, governor, used with governor 372708R93, 378127R93 and 403639R91

1шт.

14

401646R91

HOUSING ASSEMBLY, governor, used w/governor 529390R91

1шт.

NLS

NO LONGER SERVICED

3шт.

103321

LOCK WASHER,3/8"

WASHER, LOCK, 3/8"

3шт.

127842

YOKE

SCREW, 1/4-28 x 1-1/2 slt-rd-hd mach

1шт.

114492

JAM NUT,Jam, 1/4"-28, G5

1/4-28 hex. jam

1шт.

15

367669R1

GASKET

governor housing

1шт.

16

367653R1

FORK

goveror thrust

1шт.

17

368938R1

SET SCREW,Hdls Hex Skt, 1/4" - 28 x 5/16", Cup Pt

governor thrust fork set

1шт.

18

393405R91

THRUST BEARING,11.07mm ID x 25.4mm OD x 11.13mm W

governor thrust ball

1шт.

19

251460R1

RING, SNAP

RING, governor sleeve stop, used only with governor shaft having snap ring groove

1шт.

20

367741R1

WEIGHT

governor, used w/governor 372708R93

2шт.

20

378247R1

WEIGHT, governor, used w/governor 403639R91

2шт.

20

378129R1

WEIGHT

governor, used w/governor 378127R93

2шт.

17053R1

LOCK PIN,Sl Spring, 1/4" x 1 3/8"

PIN, 1/4" x 1 3/8", Slotted

2шт.

21

387878R1

SLEEVE

governor thrust, used with governor 372708R93 and 378127R93

1шт.

21

403640R1

SLEEVE, governor thrust, used w/governor 529390R91 and 403639R91

1шт.

22

369477R1

RING

snap

1шт.

23

367726R1

CARRIER

governor weight

1шт.

24

281907C1

SNAP RING,1.438", Int, #143

Ring, Snap, , governor shaft brg 1.438", Int, #143

1шт.

25

ST552

BALL BEARING,12mm ID x 37mm OD x 12mm W

BEARING, governor shaft ball

1шт.

26

367666R1

RETAINER, governor bearing

1шт.

27

367665R1

SHAFT

governor

1шт.

28

452560

KET, 1/16 x 3/8 Woodruff No. 211

1шт.

29

367664R1

PINION

GEAR, governor

1шт.

864337R1

NUT, top lock jam

1шт.

30

368939R93

PINION

GEAR AND WEIGHT ASSEMBLY, governor, used w/governor 372708R93

1шт.

30

378246R92

GEAR

AND WEIGHT ASSEMBLY, governor, used w/governor 529390R91 and 403639R91

1шт.

30

378128R92

GEAR-SET

GEAR AND WEIGHT ASSEMBLY, governor, used w/governor 378127R93

1шт.

31

367659R1

STUD

ROD, governor spring retainer, 616 and 622 cotton pickers w/gear drive or hydrostatic transmission w/engine serial no. 7935 and below

1шт.

25-114

NUT,1/4"-28, G5

1/4-28 hex.

1шт.

32

367742R1

BRACKET, governor spring, 616 and 622 cotton pickers w/gear drive or hydrostatic transmission w/engine serial no. 7935 & below

1шт.

179818

BOLT,Hex, 5/16" - 18 x 1", Gr 5

2шт.

103320

LOCK WASHER,5/16"

WASHER, LOCK, 5/16"

2шт.

33

367660R1

BOLT,Hex, 1/2" - 20 x 1.19"

ADJUSTER, governor spring, 616 and 622 cotton pickers w/gear drive or hydrostatic transmission w/engie serial no. 7935 & below

1шт.

114496

HOURMETER,Jam, 1/2"-20, G5

NUT, 1/2-20 hex. jam

1шт.

12736D

ELECTRICAL WIRE

SEAL, governor spring adjuster

1шт.

34

367740R1

PIN

RETAINER, governor spring, 616 and 622 cotton pickers w/gear drive or hydrostatic transmission w/engine serial no. 7935 & below

1шт.

35

372709R2

VALVE SPRING

SPRING, governor, 616 and 622 cotton pickers w/gear drive

1шт.

35

367739R2

SPRING

governor, 616 and 622 cotton pickers with hydrostatic and gasoline engine w/serial no. 7935 and below

1шт.

35

376592R2

SPRING

governor, 616 and 622 cotton pickers with hydrostatic transmission and LP gas engine w/serial no. 7935 and below

1шт.

386010R91

KIT

PACKAGE, governor overhaul, used w/governor 372708R93

1шт.

386011R91

KIT

PACKAGE, governor overhaul, used w/governor 378127R93

1шт.

533232R91

PACKAGE, governor overhaul, used w/governor 403639R91 and 529390R91

1шт.

Выбрано товаров: 82