Запчасти Case IH C-301 (E-40) - GOVERNOR

Схема запчастей Case IH C-301 - (E-40) - GOVERNOR
2
25
12
11
5
14
4
3
33
7
27
13
16
30
20
31
26
9
10
35
15
34
1
12
8
6
23
21
20
17
28
19
32
29
18
2
24
FIT
1:1
100%

Артикул

Название

Примечание

Количество

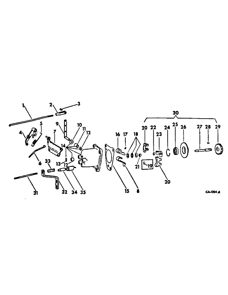
378245R92

GOVERNOR ASSEMBLY, 453 combines, consists of Ref. nos 8 thru 14, 16 thru 18 and 20 thru 30

1шт.

372708R93

GOVERNOR

ASSEMBLY, all machines except 453, 715 combines, 616 and 622 cotton pickers with hydrostatic transmissions, consists of Ref. nos. 8 thru 14, 16 thru 18 and 20 thru 30

1шт.

379851R92

GOVERNOR

ASSY, 715 combines, consists of Ref. nos 8 thru 14, 16 thru 18 and 20 thru 30

1шт.

529390R91

GOVERNOR ASSEMBLY, 616 and 622 cotton pickers with hydrostatic transmission, consists of Ref. nos 8 thru 14, 16 thru 18 and 20 thru 30

1шт.

1

368335R1

ROD

, Serial Range: governor-carburetor

1шт.

137130

PIN

1/16 x 7/16 cotter

1шт.

2

104036

ADJUSTABLE CLEVIS,1/4"-28 x 2"

CLEVIS, 1/4-20 adj rod end

1шт.

25-114

NUT,1/4"-28, G5

1/4-28 hex.

1шт.

3

103494

ADJUSTABLE CLEVIS,1/4" x .770"

PIN, 1/4 x 51/64 rod end

1шт.

137130

PIN

1/16 x 7/16 cotter

1шт.

4

378133R1

LEVER

governor speed control 826, 856, 2826, 2956 tractors, 616 and 622 cotton pickers with hydrostatic transmission

1шт.

137130

PIN

1/16 x 7/16 cotter

1шт.

95-11034

WASHER,1/4"

11/32 x 11/16 x .065

1шт.

5

384588R1

SPRING

governor, 826, 856, 2826 and 2856 tractors

1шт.

5

529383R1

SPRING, governor, used w/616 and 622 cotton pickers w/hydrostatic transmission

1шт.

6

Not used in this application

1шт.

7

378131R21

SUPPORT

BRACKET ASSY, governor control lever, 826, 856, 2826, 2856 tractors, 616 and 622 cotton pickers with hydrostatic transmission

1шт.

114492

JAM NUT,Jam, 1/4"-28, G5

1/4-28 hex. jam

1шт.

393023R1

SCREW, governor speed control lever

1шт.

453025R1

SCREW, 5/16-18 x 3/4 hex-hd

1шт.

12736D

ELECTRICAL WIRE

SEAL, governor speed control screw

1шт.

103320

LOCK WASHER,5/16"

WASHER, LOCK, 5/16"

2шт.

179816

BOLT,Hex, 5/16" - 18 x 3/4", Gr 5

1шт.

8

374795R1

VALVE SPRING

SPRING, bumper

1шт.

9

367656R12

ROCKSHAFT

LEVER AND ROCKSHAFT ASSEMBLY, governor, used w/governor 372708R93 and 529390R91

1шт.

9

378130R91

LEVER

AND ROCKSHAFT ASSEMBLY, governor, used w/governor 379851R92 and 378245R92

1шт.

10

361123R91

OIL SEAL

governor rockshaft oil

1шт.

11

369593R1

BUSHING

governor

1шт.

12

369594R1

BUSHING

governor

2шт.

13

172530

PLUG,Exp, 11/16"

11/16 expansion

1шт.

14

367651R31

HOUSING ASSEMBLY, governor, used w/governor 372708R93, 379851R92, and 378245R92

1шт.

14

401646R91

HOUSING ASSEMBLY, governor, used w/governor 529390R91

1шт.

179843

BOLT,Hex, 3/8" - 16 x 1 1/2", Gr 5

3шт.

103321

LOCK WASHER,3/8"

WASHER, LOCK, 3/8"

3шт.

127842

YOKE

SCREW, 1/4-28 x 1-1/2 slt-rd-hd mach

1шт.

114492

JAM NUT,Jam, 1/4"-28, G5

1/4-28 hex. jam

1шт.

15

367669R1

GASKET

governor housing

1шт.

16

367653R1

FORK

governor thrust

1шт.

17

368938R1

SET SCREW,Hdls Hex Skt, 1/4" - 28 x 5/16", Cup Pt

governor thrust fork set

1шт.

18

393405R91

THRUST BEARING,11.07mm ID x 25.4mm OD x 11.13mm W

governor thrust ball

1шт.

19

251460R1

RING, SNAP

RING, governor sleeve stop, used only with governor shaft having snap ring groove

1шт.

20

367741R1

WEIGHT

governor, used w/governor 372708R93 and 379851R92

2шт.

20

378247R1

WEIGHT, governor, used w/governor 529390R91 and 378245R92

2шт.

17053R1

LOCK PIN,Sl Spring, 1/4" x 1 3/8"

PIN, 1/4" x 1 3/8", Slotted

2шт.

21

387878R1

SLEEVE

governor thrust, used w/governor 372708R93, 379851R92 and 378245R92

1шт.

21

403640R1

SLEEVE, governor thrust, used w/governor 529390R91

1шт.

22

369477R1

RING

snap

1шт.

23

367726R1

CARRIER

governor weight

1шт.

24

281907C1

SNAP RING,1.438", Int, #143

Ring, Snap, , governor shaft brg 1.438", Int, #143

1шт.

25

ST552

BALL BEARING,12mm ID x 37mm OD x 12mm W

BEARING, governor shaft ball

1шт.

26

367666R1

RETAINER, governor bearing

1шт.

27

367665R1

SHAFT

governor

1шт.

28

452560

KEY, 1/16 x 3/8 Woodruff no. 211

1шт.

29

367664R1

PINION

GEAR, governor

1шт.

864337R1

NUT, 7/16-20 hex. lock

1шт.

30

368939R93

PINION

GEAR AND WEIGHT ASSEMBLY, governor, used w/governor 372708R93 and 379851R92

1шт.

30

378246R92

GEAR

AND WEIGHT ASSEMBLY, governor, used w/governor 529390R91 and 378245R92

1шт.

31

367659R1

STUD

ROD, governor spring retainer, 616 and 622 cotton pickers with gear drive

1шт.

31

378249R1

ROD, governor spring retainer, 453 and 715 combines

1шт.

25-114

NUT,1/4"-28, G5

1/4-28 hex.

1шт.

32

367742R1

BRACKET, governor spring, 616 and 622 cotton pickers with gear drive

1шт.

32

378248R1

BRACKET, governor spring, 453 and 715 springs

1шт.

179818

BOLT,Hex, 5/16" - 18 x 1", Gr 5

2шт.

103320

LOCK WASHER,5/16"

WASHER, LOCK, 5/16"

2шт.

33

367660R1

BOLT,Hex, 1/2" - 20 x 1.19"

ADJUSTER, governor spring, 453, 715 combines, 616 and 622 pickers w/gear drive

1шт.

114496

HOURMETER,Jam, 1/2"-20, G5

NUT, 1/2-20 hex. jam

1шт.

12736D

ELECTRICAL WIRE

SEAL, governor spring adjuster

1шт.

34

367740R1

PIN

RETAINER, governor spring, used w/453 and 715 combines and 616 and 622 cotton pickers w/gear drive

1шт.

35

372709R2

VALVE SPRING

SPRING, governor, 715 combines, 616 and 622 cotton, pickers w/gear drive

1шт.

35

367739R2

SPRING

governor, used w/453 combines

1шт.

386010R91

KIT

PACKAGE, governor overhaul, used with governor 372708R93

1шт.

386013R91

SERVICE KIT

PACKAGE, governor overhaul, used with governor 379851R92

1шт.

533232R91

PACKAGE, governor overhaul, used with governor 529390R91

1шт.

386012R91

PACKAGE, governor overhaul, used with governor 378245R92

1шт.

Выбрано товаров: 74