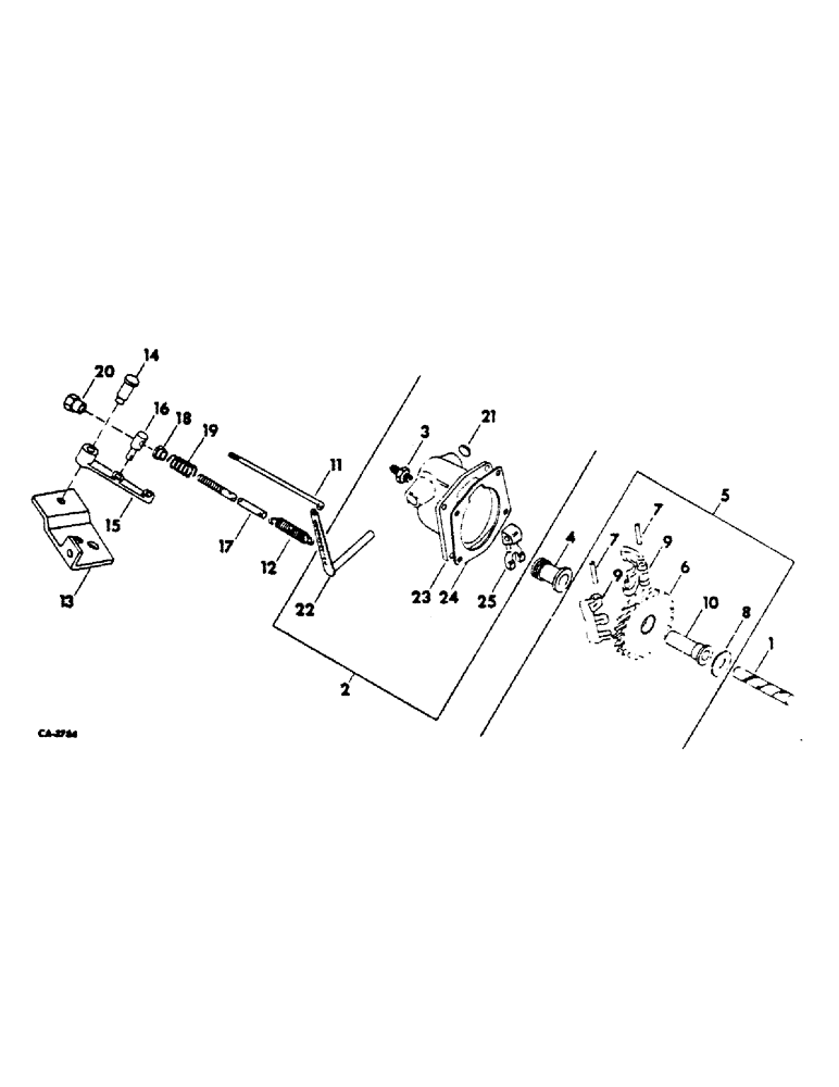
Запчасти Case IH DG4D (K-23) - GOVERNOR AND CONNECTIONS, 3200A LOADERS

Схема запчастей Case IH DG4D - (K-23) - GOVERNOR AND CONNECTIONS, 3200A LOADERS
13
12
20
23
15
4
8
7
18
2
5
17
7
9
24
6
1
11
16
25
10
19
14
3
22
21
9
FIT
1:1
100%

Артикул

Название

Примечание

Количество

69032C91

GOVERNOR ASSY

1шт.

1

69651C1

SHAFT, governor

1шт.

20972R1

DRAIN PLUG,Sq Hd, 3/8"-18 NPTF

PLUG, 3/8-18 C-Z auto sq-hd pipe

1шт.

180081

BOLT,Hex, 5/16"-18 x 1 1/4", G5

5/16-18 x 1-1/4 znd hex-hd cap

10шт.

80681

LOCK WASHER,5/16"

WASHER, LOCK, 5/16"

10шт.

2

69033C91

HOUSING ASSY

1шт.

103883

PIPE PLUG,Slotted, Headless, 1/8" NPT

1/8 zn slt pipe

1шт.

3

69506C1

FITTING, oil

1шт.

4

70037C1

SLEEVE, governor thrust

1шт.

5

70038C91

WEIGHT ASSY

1шт.

6

69034C1

GEAR, drive

1шт.

7

618638R1

PIN,3/16" x 1 1/8", Coiled

2шт.

8

NSS

NOT SOLD SEPARAT

WASHER, gear bushing, not serviced separately, order ref no. 5

1шт.

9

NSS

NOT SOLD SEPARAT

WEIGHT, not serviced separately, order ref no. 5

1шт.

10

NSS

NOT SOLD SEPARAT

BUSHING, gear, not serviced separately, order ref no. 5

1шт.

11

69652C1

ROD, governor control

1шт.

12

69507C1

SPRING, governor

1шт.

191598

PIN, 3/64 x 3/8 zn cot.

1шт.

13

69653C1

BRACKET, control lever

1шт.

180081

BOLT,Hex, 5/16"-18 x 1 1/4", G5

1/4-20 x 5/8 znd hex-hd cap

1шт.

492-11025

LOCK WASHER,1/4"

WASHER, LOCK, 1/4"

1шт.

14

69654C1

PIN, control lever pivot

1шт.

15

69655C1

LEVER, control

1шт.

16

69656C1

PIN, pivot

1шт.

103361

PIN, SPLIT (COTTER)

PIN, 1/16 x 1/2 cot.

2шт.

17

69657C1

SCREW, adj

1шт.

18

69658C1

RETAINER, SPRING

1шт.

19

69508C1

SPRING, adj screw

1шт.

20

69659C1

NUT, lock

1шт.

21

172527

DISC

PLUG, 1/2 expansion

1шт.

113499

SPARE PART

PIN, no. 0 x 7/8 taper

1шт.

180078

BOLT,Hex, 5/16" - 18 x 7/8", Gr 5

SCREW, 5/16-18 x 7/8 znd hex-hd cap

4шт.

80681

LOCK WASHER,5/16"

WASHER, LOCK, 5/16"

4шт.

22

NSS

NOT SOLD SEPARAT

CROSS SHAFT AND LEVER, not serviced separately, order ref no. 2

1шт.

23

NSS

NOT SOLD SEPARAT

HOUSING, not serviced separately, order ref no. 2

1шт.

24

NSS

NOT SOLD SEPARAT

GASKET, governor housing, not serviced separately, order gasket package

1шт.

25

NSS

NOT SOLD SEPARAT

YOKE, not serviced separately, order ref no 2

1шт.

Выбрано товаров: 37