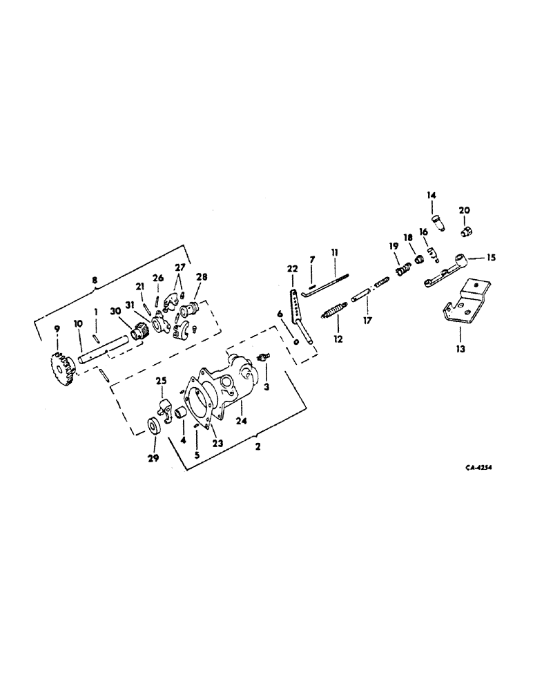
Запчасти Case IH DG4D (K-24) - GOVERNOR AND CONNECTIONS, 3200B LOADERS

Схема запчастей Case IH DG4D - (K-24) - GOVERNOR AND CONNECTIONS, 3200B LOADERS
27
31
25
14
7
22
19
29
6
10
18
24
17
2
12
15
23
11
9
13
21
28
8
5
26
4
30
20
16
1
3
FIT
1:1
100%

Артикул

Название

Примечание

Количество

71010C91

GOVERNOR ASSY

1шт.

1

19371R1

PIN,1/8" x 3/4", Coiled

1шт.

2

71011C91

HOUSING ASSY

1шт.

3

69506C1

FITTING, oil

1шт.

4

71013C1

BUSHING, shaft

1шт.

5

20702R1

DOWEL,3/16" x 3/4"

PIN, dowel

2шт.

6

360599R1

O-RING,0.07" Thk x 0.18" ID, -8, Cl 5, 75 Duro

cross shaft

1шт.

7

191598

PIN, 3/64 x 3/8 znd cot.

1шт.

8

71016C1

SHAFT ASSY, drive

1шт.

9

71017C1

GEAR, drive

1шт.

10

71018C1

SHAFT, drive

1шт.

11

71015C1

ROD, governor control

1шт.

12

69507C1

SPRING, governor

1шт.

191598

PIN, 3/64 x 3/8 zn cot.

1шт.

13

69653C1

BRACKET, control lever

1шт.

18018

SCREW, 1/4-20 x 5/8 znd hex-hd cap

1шт.

492-11025

LOCK WASHER,1/4"

WASHER, LOCK, 1/4"

1шт.

14

69645C1

PIN, control lever pivot

1шт.

15

69655C1

LEVER, control

1шт.

16

69656C1

PIN, pivot

1шт.

NLS

NO LONGER SERVICED

PIN, 1/16 x 1/2 cot.

2шт.

17

71066C1

SCREW, adj

1шт.

18

69658C1

RETAINER, spring

1шт.

19

69508C1

SPRING, adj screw

1шт.

20

69659C1

NUT, lock

1шт.

21

19711R1

PIN,3.17mm OD x 31.75mm L, Coiled

2шт.

22

71014C1

CROSS SHAFT AND LEVER ASSY, control housing

1шт.

23

NSS

NOT SOLD SEPARAT

GASKET, governor housing, not serviced separately order gasket package

1шт.

24

NSS

NOT SOLD SEPARAT

HOUSING, not serviced separately, order ref no. 2

1шт.

25

71012C1

YOKE

1шт.

26

618638R1

PIN,3/16" x 1 1/8", Coiled

2шт.

27

71063C1

FLYWHEEL ASSY

2шт.

28

71021C91

SLEEVE ASSY, thrust

1шт.

29

71022C1

BEARING

1шт.

30

71019C1

GEAR, distributor

1шт.

31

71020C1

HUB

1шт.

Выбрано товаров: 36