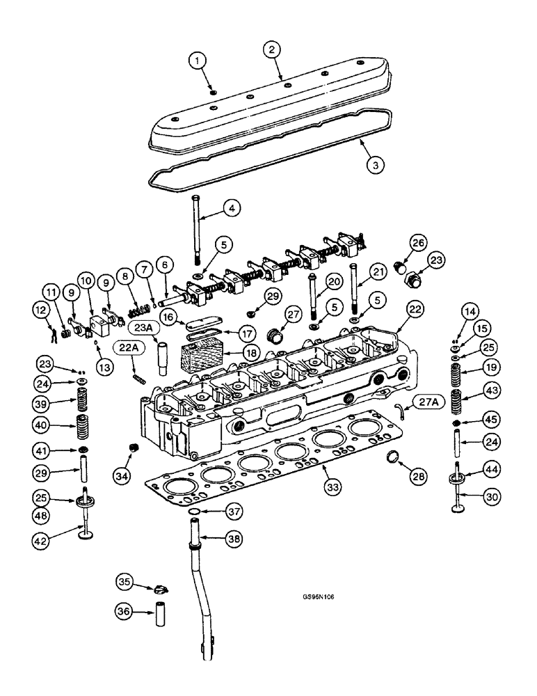
Запчасти Case IH DT-407 (7-14) - CYLINDER HEAD AND RELATED PARTS

Схема запчастей Case IH DT-407 - (7-14) - CYLINDER HEAD AND RELATED PARTS
9
14
5
38
24
2
10
22a
29
45
48
11
37
5
9
42
12
25
4
34
30
23
39
44
3
43
5
8
7
40
25
15
26
33
41
22
21
6
27
29
35
17
1
27a
13
24
23
28
18
16
20
19
36
23a
FIT
1:1
100%

Артикул

Название

Примечание

Количество

1

934662R1

SEALING RING,10mm ID x 14mm OD x 1mm Thk

GASKET - annular, 3/8 inch

6шт.

2

601390C1

COVER ASSY

COVER - valve, no longer available

1шт.

413-656

BOLT,Hex, 3/8" - 16 x 3-1/2", Gr 5

- hex, 3/8 NC x 3-1/2 inch (Replaces bolt 17673R1)

6шт.

3

328678R1

GASKET

- valve cover

1шт.

4

601783C1

BOLT (SPREADER),Cyl Hd, 9/16" - 12 x 8"

BOLT - cylinder head, long

6шт.

5

326515R1

WASHER,15.88mm ID x 28.45mm OD x 4.83mm Thk

- cylinder head bolt

26шт.

6

326509R11

SHAFT

ASSEMBLY - valve lever

1шт.

7

109544R1

PLUG

- valve lever shaft

2шт.

8

16045D

SPRING - valve lever, no longer available

5шт.

9

341074R92

ARM

ASSEMBLY - rocker, Includes: Ref. 9A & 9B

1шт.

9a

133093R1

NUT,Hex, 3/8" - 24

- lock, tappet adjusting screw, not illustrated

1шт.

9b

16067DA

ADJUSTMENT SCREW,3/8" - 24

- tappet adjusting, not illustrated

1шт.

10

326510R2

BRACKET

- valve lever shaft, no longer available

6шт.

11

16043D

VALVE SPRING

SPRING - front and rear rocker

2шт.

16051D

SPRING WASHER

- rocker spring, no longer available

2шт.

12

133927R1

RING, SNAP

RING - snap

2шт.

13

17244R1

LOCK PIN,5/16" x 1 1/4", Slotted

PIN, 5/16" x 1 1/4", Slotted

2шт.

14

32485D

KEY

LOCK - valve spring retainer

24шт.

15

615324C1

RETAINER

- valve spring

12шт.

16

607260C11

COVER - breather

1шт.

17

609402C1

GASKET

- breather cover

1шт.

492-11056

LOCK WASHER,9/16"

WASHER, LOCK, (Replaces washer 103324) 9/16"

1шт.

413-924

BOLT,Hex, 9/16" - 12 x 1-1/2", Gr 5

- hex, 9/16 NC x 1-1/2 inch (Replaces bolt 179906)

1шт.

413-618

BOLT,Hex, 3/8" - 16 x 1-1/8", Gr 5

(Replaces bolt 179840) Hex, 3/8"-16 x 1 1/8", G5, Full Thd

3шт.

92-11038

LOCK WASHER,3/8"

WASHER, LOCK, (Replaces washer 103321) 3/8"

1шт.

18

330397R2

FILTER, ELEMENT

ELEMENT - breather

1шт.

19

62264VA

VALVE SPRING

SPRING - intake valve inner

6шт.

20

601781C1

BOLT (SPREADER),Cyl Hd, 9/16" - 12 x 5.25"

BOLT - cylinder head, short

7шт.

21

601782C1

BOLT (SPREADER),Cyl Hd, 9/16" - 12 x 5.88"

BOLT - cylinder head, medium

13шт.

749634C91

HEAD ASSY.

HEAD ASSEMBLY - cylinder with valves, remanufactured (North America only), component parts do not apply to the remanufactured assembly, no longer available

1шт.

1928107C1

CORE-CYLINDER HEAD

RETURN NUMBER - use this part number to return cylinder head for credit when using a remanufactured assembly

1шт.

670323C92

CYLINDER HEAD

HEAD ASSEMBLY - cylinder, new, no longer available, order remanufactured assembly 749634C91, Includes: Ref. 22 - 29C

1шт.

22

NSS

NOT SOLD SEPARAT

HEAD - cylinder, order head assembly

1шт.

22a

250450R1

STUD

- manifold

12шт.

23

221-607

REDUCER,Hex, 1 1/4" x 1/2" NPT

- 1-1/4 inch male x 1-1/2 inch female

1шт.

23a

326503R1

SLEEVE CYLINDER

SLEEVE - injector

6шт.

24

326505R3

GUIDE

- valve

12шт.

25

670301C1

INSERT

- exhaust valve seat, standard

6шт.

26

217-439

PLUG,Hex Soc, 1/2" - 14 NPTF

- hex socket, 1/2 inch PT (Replaces plug 444588)

1шт.

27

601244C1

PLUG

- pipe, countersunk headless, 1-1/4 inch

4шт.

27a

326504R1

TUBE

- jet

6шт.

28

41-1624

PLUG,Cup, 1 1/2", Stainless

- cup, core hole, 1-1/2 inch PT (Replaces plug 601093C1)

5шт.

29

217-469

DRAIN PLUG,Sq Soc, 3/4" - 14 NPTF

PLUG - hex socket, 3/4 inch PT (Replaces plug 9409949)

6шт.

29a

221-841

PLUG

- cylinder head, hex socket, 1/4 inch PT (Replaces plug 444655), not illustrated

1шт.

29b

221-846

PLUG,Hex Soc, 1"-11 1/2

- cylinder head, hex socket, 1 inch PT (Replaces plug 444678), not illustrated

1шт.

29c

612267C1

STUD

- cylinder head, not illustrated

4шт.

24838R1

BOLT,Hex, 3/8" - 16 x 1/2", Gr 8

Hex, 3/8"-16 x 1/2" G8, Full Thd (Replaces bolt 179833)

2шт.

116103

COPPER WASHER,10.31mm ID x 20.63mm OD x 1.65mm Thk

WASHER - copper, 3/8 inch

2шт.

30

343433R2

LOCK VALVE

VALVE - intake

6шт.

30

670308C1

HYDRAULIC VALVE

VALVE - intake, used with all machines except 1456 and 21456 tractors, no longer available, order valve 343433R2

6шт.

30

670811C1

HYDRAULIC VALVE

VALVE - intake, no longer used, order valve 670812C1 below

6шт.

30

670812C1

LOCK VALVE

VALVE - intake, used with 1456 and 21456 tractors (Replaces valve 670811C1)

6шт.

33

670672C1

CYLINDER HEAD GASKET

- cylinder head (Replaces gasket 670291C1)

1шт.

34

221-846

PLUG,Hex Soc, 1"-11 1/2

- hex socket, 1 inch PT (Replaces plug 444679)

1шт.

35

214-1418

HOSE CLAMP,#18, 0.94" - 1.63", Type F Worm

CLAMP - engine breather extension hose (Replaces clamp 274086R91)

1шт.

36

393767R1

HOSE - engine breather extension

1шт.

37

238-5214

O-RING,0.139" Thk x 0.984" ID, -214, Cl 5, 75 Duro

Breather tube -214, 70 Duro, .984" ID x .139" Thk

1шт.

38

328957R11

BREATHER

TUBE - breather outlet, no longer available

1шт.

413-610

BOLT,Hex, 3/8" - 16 x 5/8", Gr 5

(Replaces screw 179835) Hex, 3/8"-16 x 5/8", G5, Full Thd

1шт.

92-11038

LOCK WASHER,3/8"

WASHER, LOCK, (Replaces washer 103321) 3/8"

1шт.

39

160907R1

SPRING

- exhaust valve, inner

6шт.

40

160908R1

SPRING

- exhaust valve, outer

6шт.

41

343734R91

CUP ASSY.

ROTO-COIL - exhaust valve

6шт.

42

612313C2

VALVE

- exhaust

6шт.

43

62265VA

VALVE SPRING

SPRING - intake valve, outer

6шт.

44

349022R1

INSERT

- intake valve seat, standard, no longer available, order insert 349023R1

6шт.

44

349023R1

SEAT

INSERT - intake valve seat, .005 oversize

6шт.

44

349024R1

SEAT

INSERT - intake valve seat, .010 oversize, no longer available

6шт.

45

341284R1

SPACER

- intake valve spring

6шт.

48

670302C1

INSERT

- exhaust valve seat, .005 oversize (Replaces insert 670303C1)

6шт.

48

670304C1

INSERT

- exhaust valve seat, .015 oversize

6шт.

607260C11

COVER - front, used with all machines except 856 and 2856 tractors, no longer available

1шт.

345410R91

LIFTING EYE - front, used with 856 and 2856 tractors, no longer available

1шт.

330267R1

LIFTING EYE - rear, no longer available

1шт.

413-722

BOLT,Hex, 7/16" - 14 x 1-3/8", Gr 5

- hex, 7/16 NC x 1-3/8 inch (Replaces screw 179861)

2шт.

496-21047

WASHER

- flat, 15/32 x 59/64 x 7/64 inch (Replaces washer 103342)

2шт.

Выбрано товаров: 76