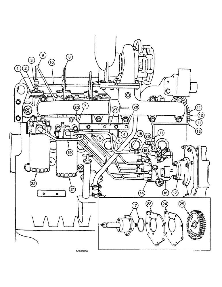
Запчасти Case IH DT-407 (7-34) - FUEL INJECTION PUMP AND CONNECTIONS, 1026, 1256, 1456, 21026, 21256, 21456 TRACTORS & 915 COMBINES

Схема запчастей Case IH DT-407 - (7-34) - FUEL INJECTION PUMP AND CONNECTIONS, 1026, 1256, 1456, 21026, 21256, 21456 TRACTORS & 915 COMBINES
5
15
1
10
26
28
24
19
18
11
23
17
2
8
21
11
22
4
14
20
17
25
12
13
3
9
6
7
11
16
27
FIT
1:1
100%

Артикул

Название

Примечание

Количество

1

610715C91

NOZZLE INJECTION

NOZZLE AND HOLDER ASSEMBLY - injection, Bosch, used with 1256 and 21256 tractors with engine serial numbers prior to 6663, parts list Figure 7-42

6шт.

1

702541C91

NOZZLE INJECTION

NOZZLE AND HOLDER ASSEMBLY - used with 1256 and 21256 tractors with engine serial number 6663 and after, used with 1026, 1256, 1456, 21026, 21256, 21456 tractors and 915 combines, parts list Figure 7-42

6шт.

1

749089C91

NOZZLE INJECTION

Nozzle; For N.A. only

1шт.

601076C1

WASHER,9.42mm ID x 17.27mm OD x 1.68mm Thk

GASKET - nozzle

6шт.

413-626

BOLT,Hex, 3/8" - 16 x 1-5/8", Gr 5

BOLT, (Replaces screw 179844) Hex, 3/8"-16 x 1 5/8", G5

12шт.

2

336980R1

NUT

NUT - leakoff manifold sleeve

6шт.

222-102

SLEEVE,1/4" Tube

SLEEVE, (Replaces sleeve 915500R1) 1/4" Tube

3шт.

3

250617R1

NUT

NUT - injection pipe

6шт.

250610R2

GUARD

SLEEVE - injection pipe

6шт.

4

701234C1

PIPE CLAMP

PIPE - injection no. 1, used with nozzle assembly 610715C91, no longer available

1шт.

4

701228C2

INJECTION PIPE

PIPE - injection no. 1, used with nozzle assembly 702541C91

1шт.

5

701235C1

PIPE

PIPE - injection no. 2, used with nozzle assembly 610715C91, no longer available

1шт.

5

701229C2

PIPE CLAMP

PIPE - injection no. 2, used with nozzle assembly 702541C91

1шт.

6

701236C1

PIPE CLAMP

PIPE - injection no. 3, used with nozzle assembly 610715C91, no longer available

1шт.

6

701230C1

PIPE CLAMP

PIPE - injection no. 3, used with nozzle assembly 702541C91

1шт.

7

701237C1

PIPE CLAMP

PIPE - injection no. 4, used with nozzle assembly 610715C91

1шт.

7

701231C1

PIPE CLAMP

PIPE - injection no. 4, used with nozzle assembly 702541C91

1шт.

8

701238C1

PIPE CLAMP

PIPE - injection no. 5, used with nozzle assembly 610715C91, no longer available

1шт.

8

701232C1

TUBE

PIPE - injection no. 5, used with nozzle assembly 702541C91

1шт.

9

701239C1

PIPE CLAMP

SPARE PART PIPE - injection no. 6, used with nozzle assembly 610715C91, no longer available

1шт.

9

701233C2

PIPE CLAMP

PIPE - injection no. 6, used with nozzle assembly 702541C91

1шт.

10

612222C11

TUBE

MANIFOLD ASSEMBLY - leakoff, Includes: Ref. 10A & 11

1шт.

10a

222-102

SLEEVE,1/4" Tube

SLEEVE, (Replaces sleeve 915500R1), Not illustrated 1/4" Tube

1шт.

11

87017024

TUBE NUT,1/2"-24

NUT - hex, 1/4 tube OD x 1/2-24 inch (Replaces nut 915499R1)

1шт.

12

615369C1

UNION

ELBOW - tube union

1шт.

13

612223C11

TUBE

TUBE ASSEMBLY - leakoff return, lower, Includes: Ref. 13A & 13B

1шт.

13a

87017024

TUBE NUT,1/2"-24

NUT - leakoff return lower, hex, 1/4 tube OD x 1/2-24 inch (Replaces nut 915499R1), not illustrated

2шт.

13b

222-102

SLEEVE,1/4" Tube

SLEEVE, , Leakoff return lower (Replaces sleeve 915500R1), Not illustrated 1/4" Tube

2шт.

14

612180C1

GASKET

GASKET - fuel line connector

12шт.

15

615370C1

TEE

TEE - hi-duty tube fitting, 7/16 inch NC

1шт.

16

REF

INSTRUCTION

PUMP ASSEMBLY - fuel injection, parts list Figure 7-24

1шт.

17

REF

INSTRUCTION

DRIVE - fuel injection pump, see Figure 7-44

1шт.

413-618

BOLT,Hex, 3/8" - 16 x 1-1/8", Gr 5

BOLT, (Replaces bolt 179840) Hex, 3/8"-16 x 1 1/8", G5, Full Thd

3шт.

92-11038

LOCK WASHER,3/8"

WASHER, LOCK, (Replaces washer 103321) 3/8"

3шт.

496-21041

WASHER,13/32" x 13/16" x .089", HDN

WASHER - injection pump, flat, 13/32 x 13/16 x 3/32", hardened (Replaces washer 103341)

3шт.

18

670028C11

TUBE

TUBE ASSEMBLY - pump to final fuel filter, no longer available

1шт.

19

612272C11

TUBE

TUBE ASSEMBLY - primary to final fuel filter, Includes: Ref. 19A & 19B

1шт.

19a

222-104

SLEEVE,3/8" Tube

SLEEVE - tube, 3/8 inch OD (Replaces sleeve 265204R1), not illustrated

2шт.

19b

222-114

NUT,5/8"-24

NUT - hex, 3/8 inch OD x 5/8 inch (Replaces nut 265205R1), not illustrated

2шт.

20

701109C1

SPARE PART BRACKET - fuel filter, no longer available

1шт.

425-118

NUT,1/2"-20, G5

NUT - hex, 1/2 inch NF (Replaces nut 103028)

2шт.

80679

LOCK WASHER,1/20.507 CST ZND

WASHER, LOCK, (Replaces washer 103323) 1/2"

2шт.

413-664

BOLT,Hex, 3/8" - 16 x 4", Gr 5

BOLT - hex, 3/8 NC x 4 inch (Replaces bolt 186285)

2шт.

413-680

BOLT,Hex, 3/8" - 16 x 5", Gr 5

BOLT, (Replaces 186289) Hex, 3/8"-16 x 5", G5

2шт.

496-21041

WASHER,13/32" x 13/16" x .089", HDN

WASHER - flat, 13/32 x 13/16 x 3/32", hardened (Replaces washer 103341)

4шт.

21455R1

WASHER - filter, no longer used

2шт.

21

702253C1

FILTER CARTRIDGE

FILTER - primary fuel, see Figure 7-46

1шт.

22

REF

INSTRUCTION

FILTER - primary fuel, see Figure 7-46

1шт.

23

328841R1

SPARE PART PLATE - injection pump mounting

1шт.

425-116

NUT,3/8" - 24, Gr 5

NUT - hex, 3/8 inch NF (Replaces nut 103026).

2шт.

27588R1

12 PT SCREW,Flg, 3/8"-16 x 3/4"

SCREW - cap, 3/8 NC x 3/4 inch (Replaces screw 324235R1)

2шт.

413-644

BOLT,Hex, 3/8" - 16 x 2-3/4", Gr 5

BOLT - hex, 3/8 NC x 2-3/4 inch (Replaces bolt 179850)

1шт.

328-656

BOLT,Hex, 3/8" - 24 x 3-1/2", Gr 8

BOLT, (Replaces screw 186310) Hex, 3/8"-24 x 3 1/2", G8

2шт.

92-11038

LOCK WASHER,3/8"

WASHER, LOCK, (Replaces washer 103321) 3/8"

3шт.

24

328842R1

GASKET

GASKET - injection pump mounting plate

1шт.

25

341525R1

PINION

GEAR - injection pump drive

1шт.

126-112

WOODRUFF KEY,#6, 5/32" x 5/8", HT

WOODRUFF KEY, (Replaces key 124546) #6, 5/32" x 5/8", HT

1шт.

341508R1

WASHER

WASHER - gear, no longer available

1шт.

19899R1

NUT

NUT - gear hub lock

1шт.

26

222-4047

ELBOW

ELBOW - 90 degree compression x 3/8 tube OD x 1/4 inch PT (Replaces elbow 606845C1)

1шт.

27

670011C21

BAND

CLAMP - injection pipe, outer, no longer available

1шт.

670010C2

PAD

PAD - injection pipe clamp

2шт.

114-6

BOLT,Hex, 1/4" - 28 x 1-1/4", Gr 5

BOLT, (Replaces 181317) Hex, 1/4"-28 x 1 1/4", G5

4шт.

95-11028

WASHER,1/4"

WASHER - flat, 9/32 x 5/8 x 1/16 inch (Replaces washer 103339)

4шт.

28

670009C11

CLAMP

CLAMP - injection pipe, inner

1шт.

Выбрано товаров: 0