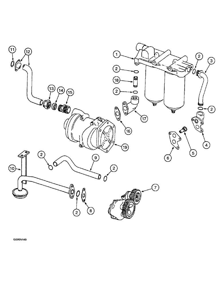
Запчасти Case IH DT-429 (9-50) - OIL FILTER, OIL PUMP AND PIPING

Схема запчастей Case IH DT-429 - (9-50) - OIL FILTER, OIL PUMP AND PIPING
17
5
19
18
2
3
8
6
2
2
2
2
7
2
10
14
11
13
16
2
4
1
9
15
12
FIT
1:1
100%

Артикул

Название

Примечание

Количество

1

345443R1

FILTER - lubricating oil, see page 9-53

1шт.

25759R1

BOLT,Hex, 3/8" - 16 x 7 1/2", Gr 8

SCREW - hex, 3/8 NC x 7-1/2 inch, no longer used (Replaces screw 186375)

3шт.

92-11038

LOCK WASHER,3/8"

WASHER, LOCK, (Replaces washer 103321) 3/8"

3шт.

2

343396R2

SEALING RING

O-RING - oil tubes, 1-1/8 x 1-3/8 x 1/8

7шт.

3

332606R11

TUBE - oil filter to pressure regulating valve elbow, no longer available

1шт.

413-612

BOLT,Hex, 3/8" - 16 x 3/4", Gr 5

(Replaces bolt 179837) Hex, 3/8"-16 x 3/4", G5, Full Thd

1шт.

92-11038

LOCK WASHER,3/8"

WASHER, LOCK, (Replaces washer 103321) 3/8"

1шт.

4

345194R1

ELBOW UNION

ELBOW - oil gallery inlet, no longer available

1шт.

413-616

BOLT,Hex, 3/8" - 16 x 1", Gr 5

- hex, 3/8 NC x 1 inch (Replaces bolt 179839)

3шт.

92-11038

LOCK WASHER,3/8"

WASHER, LOCK, (Replaces washer 103321) 3/8"

3шт.

5

341195R92

VALVE

- pressure regulating, in crankcase

1шт.

6

345193R1

GASKET - oil gallery inlet elbow, no longer available

1шт.

7

REF

INSTRUCTION

PUMP ASSEMBLY - oil, parts list page 9-55

1шт.

26-624

BOLT,Hex, 3/8" - 16 x 1-1/2", Gr 8

- hex, 3/8 NC x 1-1/2 inch, grade 8 (Replaces bolt 354921R1)

2шт.

670278C1

WASHER

- flat, 13/32 x 3/4 x 7/64 inch, hardened, no longer used

2шт.

92-11038

LOCK WASHER,3/8"

WASHER, LOCK, (Replaces washer 103321) 3/8"

2шт.

8

607130C2

GASKET

- oil pump inlet tube

1шт.

9

345196R1

TUBE

- oil pump outlet, no longer available

1шт.

10

612253C11

TUBE - oil pump inlet, no longer available (Replaces tube 609373C11)

1шт.

10

609373C11

TUBE - oil pump, no longer available

1шт.

413-612

BOLT,Hex, 3/8" - 16 x 3/4", Gr 5

(Replaces bolt 179837) Hex, 3/8"-16 x 3/4", G5, Full Thd

2шт.

413-630

BOLT,Hex, 3/8" - 16 x 1-7/8", Gr 5

- hex, 3/8 NC x 1-7/8 inch (Replaces screw 179846)

2шт.

92-11038

LOCK WASHER,3/8"

WASHER, LOCK, (Replaces washer 103321) 3/8"

4шт.

11

238-5214

O-RING,0.139" Thk x 0.984" ID, -214, Cl 5, 75 Duro

Cooler to flywheel housing tube -214, 70 Duro, .984" ID x .139" Thk

1шт.

12

326781R11

TUBE

- cooler to flywheel housing

1шт.

413-612

BOLT,Hex, 3/8" - 16 x 3/4", Gr 5

(Replaces bolt 179837) Hex, 3/8"-16 x 3/4", G5, Full Thd

2шт.

92-11038

LOCK WASHER,3/8"

WASHER, LOCK, (Replaces washer 103321) 3/8"

2шт.

13

279472R91

NUT

- flywheel housing tube, includes collar

1шт.

14

687331C1

SEAL

FERRULE - cooler to flywheel housing tube (Replaces ferrule 338700R91)

1шт.

15

310154R1

CONNECTOR, ELEC

CONNECTOR - cooler to flywheel housing tube, no longer available

1шт.

16

332414R1

GASKET

- oil outlet elbow

1шт.

17

607345C1

ELBOW -, Serial Range: flywheel-filter

1шт.

413-616

BOLT,Hex, 3/8" - 16 x 1", Gr 5

- hex, 3/8 NC x 1 inch (Replaces bolt 179839)

1шт.

413-656

BOLT,Hex, 3/8" - 16 x 3-1/2", Gr 5

- hex, 3/8 NC x 3-1/2 inch (Replaces bolt 186283)

1шт.

92-11038

LOCK WASHER,3/8"

WASHER, LOCK, (Replaces washer 103321) 3/8"

2шт.

18

332605R1

TUBE - elbow to filter, no longer available

1шт.

19

343792R92

COOLER ASSY.

COOLER - oil, no longer available

1шт.

Выбрано товаров: 37