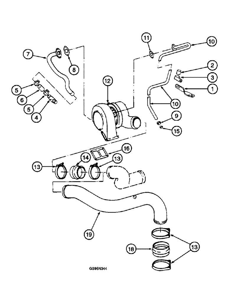
Запчасти Case IH DT-466 (9E-174) - TURBOCHARGER AND CONNECTIONS, 5288 AND 5488 TRACTORS

Схема запчастей Case IH DT-466 - (9E-174) - TURBOCHARGER AND CONNECTIONS, 5288 AND 5488 TRACTORS
5
10
6
7
16
10
2
4
11
13
12
18
13
3
1
14
19
5
13
8
15
9
FIT
1:1
100%

Артикул

Название

Примечание

Количество

1

1806190C1

BRACKET

- tube clamp

1шт.

329-115

NUT,5/16"-24, G8

(Replaces nut 25521R1) 5/16"-24, G8

1шт.

392-11031

LOCK WASHER,5/16"

(Replaces washer 116120) 5/16"

1шт.

2

1806409C1

TUBE,0.36" ID, 0.59" OD

CUSHION - turbocharger oil inlet tube

1шт.

3

132112H1

CLAMP,9/16", 3/8" Bolt

- turbocharger oil inlet tube, no longer available

1шт.

326-516

BOLT,Hex, 5/16" - 18 x 1", Gr 8

1шт.

396-21034

WASHER,8.74mm ID x 17.48mm OD x 2.26mm Thk

- flat, 11/32 x 11/16 x 3/32 inch, hardened (Replaces washer 27326R1)

2шт.

392-11031

LOCK WASHER,5/16"

(Replaces washer 116120) 5/16"

1шт.

329-105

NUT,5/16"-18, G8

(Replaces nut 25520R1) 5/16"-18, G8

1шт.

4

673622C1

ELBOW

- turbocharger oil drain

1шт.

5

214-1412

HOSE CLAMP,#12, 0.69" - 1.25", Type F Worm

Adj - Turbocharger oil drain (Replaces clamp 995218R1) #12, 0.69/1.25 Type F Worm

2шт.

6

675859C2

HOSE,22.35mm ID x 66.04mm L

Turbocharger Oil Drain

1шт.

7

691620C91

TUBE,12.7, 2.4" Length

- turbocharger oil drain

1шт.

326-616

BOLT,Hex, 3/8" - 16 x 1", Gr 8

(Replaces bolt 24840R1) Hex, 3/8"-16 x 1", G8, Full Thd

2шт.

396-21041

WASHER,10.31mm ID x 20.63mm OD x 2.26mm Thk

- flat, 13/32 x 13/16 x 3/32 inch, hardened

2шт.

8

1342835C1

GASKET

- turbocharger oil drain tube (Replaces gasket 687903C1)

1шт.

9

222-114

NUT,5/8"-24

NUT - hex, 3/8 inch OD x 5/8 inch (Replaces nut 265205R1)

1шт.

10

691622C92

TUBE

- turbocharger oil inlet

1шт.

326-516

BOLT,Hex, 5/16" - 18 x 1", Gr 8

2шт.

396-21034

WASHER,8.74mm ID x 17.48mm OD x 2.26mm Thk

- flat, 11/32 x 11/16 x 3/32 inch, hardened (Replaces washer 27326R1)

2шт.

11

1342834C1

GASKET

- turbocharger oil inlet tube (Replaces gasket 253660R1)

1шт.

12

REF

INSTRUCTION

TURBOCHARGER ASSEMBLY - parts list pages 9E-172

1шт.

113-2234

BOLT,Hex, 3/8" - 16 x 1-1/2", SST

- hex, 3/8 NC x 1-1/2 inch (Replaces bolt 22737R1)

4шт.

232-4136

LOCK NUT,3/8"-16, GC

NUT, LOCK, (Replaces nut 676524C1) 3/8"-16, GC

4шт.

13

687456C1

CLAMP

- turbocharger air outlet pipe hose

4шт.

14

675723C2

HOSE,1.96" ID, 2.21" ID x 2.50", SAE J200

Turbocharger Air Outlet Pipe - turbocharger air outlet pipe, 1-31/32 x 2-7/32 x 2-1/2 inch (63.5 mm) long 1.96" ID, 2.21" ID x 2.50", SAE J200

1шт.

15

222-104

SLEEVE,3/8" Tube

- tube, 3/8 inch OD (Replaces sleeve 265204R1)

1шт.

16

1342826C1

GASKET

- turbocharger (Replaces gasket 670073C1)

1шт.

17

1802057C1

PIPE

- turbocharger air outlet and intercooler air inlet elbow, used with 5488 tractors, not shown

1шт.

18

310385R2

INTAKE AIR HOSE,2.21" ID x 3.00", SAE J200

- Turbocharger Air Outlet Pipe 2.21" ID x 3.00", SAE J200

1шт.

19

1800178C91

PIPE

- turbocharger air outlet, used with 5288 tractors, also order plug 217-504

1шт.

217-433

PLUG,Hex Soc, 1/4" - 18 NPTF

- square, 1/4 inch PT (Replaces plug 444576)

1шт.

Выбрано товаров: 32