Запчасти Case IH DTI-466B (9E-150) - INTERCOOLER AND CONNECTIONS, 4386 TRACTORS WITH ENGINE SERIAL NUMBERS PRIOR TO 26888

Схема запчастей Case IH DTI-466B - (9E-150) - INTERCOOLER AND CONNECTIONS, 4386 TRACTORS WITH ENGINE SERIAL NUMBERS PRIOR TO 26888
5
20
30
29
4
32
28
30
6
16
7
24
3
8
15
10
17
21
13
14
30
18
27
26
11
29
2
25
33
31
23
12
1
9
22
19
30
FIT
1:1
100%

Артикул

Название

Примечание

Количество

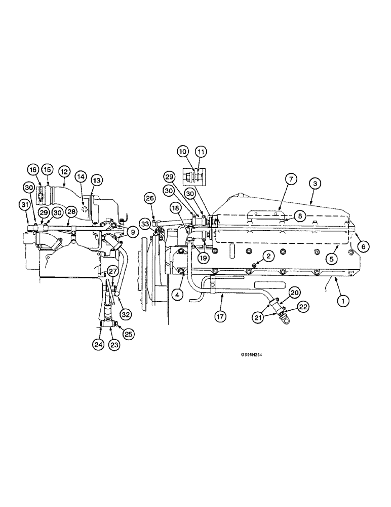
1

1802157C1

HOUSING

- intercooler (Replaces housing 686132C1)

1шт.

326-560

BOLT,Hex, 5/16" - 18 x 3-3/4", Gr 8

(Replaces bolt 26043R1) Hex, 5/16"-18 x 3 3/4", G8

5шт.

326-524

BOLT,Hex, 5/16" - 18 x 1-1/2", Gr 8

(Replaces bolt 25654R1) Hex, 5/16"-18 x 1 1/2", G8

7шт.

396-21034

WASHER,8.74mm ID x 17.48mm OD x 2.26mm Thk

- flat, 11/32 x 11/16 x 3/32 inch, hardened (Replaces washer 25533R1)

12шт.

2

217-430

PLUG,Hex Soc, 1/8" - 27 NPTF

- hex socket, 1/8 inch PT (Replaces plug 444687)

1шт.

3

686157C3

COVER

- intercooler housing

1шт.

326-528

BOLT,Hex, 5/16" - 18 x 1-3/4", Gr 8

8шт.

4

1342839C1

MANIFOLD GASKET

- intake manifold (Replaces gasket 682199C1)

1шт.

5

686210C91

COOLER

INTERCOOLER - engine

1шт.

326-516

BOLT,Hex, 5/16" - 18 x 1", Gr 8

8шт.

684496C1

WASHER

- flat, 5/16 inch, hardened

8шт.

6

686142C2

GASKET

- cover, intercooler

1шт.

7

689037C1

SUPPORT

- ether start

1шт.

326-536

BOLT,Hex, 5/16" - 18 x 2-1/4", Gr 8

(Replaces bolt 25234R1) Hex, 5/16"-18 x 2 1/4", G8

2шт.

396-21034

WASHER,8.74mm ID x 17.48mm OD x 2.26mm Thk

- flat, 11/32 x 11/16 x 3/32 inch, hardened (Replaces washer 27326R1)

2шт.

8

700121908

SPACER

- pipe, 1/4 x 3/8 inch (Replaces spacer 86224H)

2шт.

9

686146C1

FLANGE

- intercooler water

2шт.

326-516

BOLT,Hex, 5/16" - 18 x 1", Gr 8

4шт.

396-21034

WASHER,8.74mm ID x 17.48mm OD x 2.26mm Thk

- flat, 11/32 x 11/16 x 3/32 inch, hardened (Replaces washer 27326R1)

4шт.

10

686145C2

GASKET

- intercooler flange

2шт.

11

238-5114

O-RING,0.103" Thk x 0.612" ID, -114, Cl 5, 75 Duro

(Replaces O-ring 350429R1) -114, 70 Duro, .612" ID x .103" Thk

2шт.

12

686148C1

FITTING

ELBOW - intercooler air inlet

1шт.

326-544

BOLT,Hex, 5/16" - 18 x 2-3/4", Gr 8

(Replaces bolt 26269R1) Hex, 5/16"-18 x 2 3/4", G8

1шт.

326-524

BOLT,Hex, 5/16" - 18 x 1-1/2", Gr 8

(Replaces bolt 25654R1) Hex, 5/16"-18 x 1 1/2", G8

2шт.

396-21034

WASHER,8.74mm ID x 17.48mm OD x 2.26mm Thk

- flat, 11/32 x 11/16 x 3/32 inch, hardened (Replaces washer 27326R1)

3шт.

13

1342838C1

GASKET

- intercooler air inlet elbow (Replaces gasket 686181C1)

1шт.

14

217-433

PLUG,Hex Soc, 1/4" - 18 NPTF

- square, 1/4 inch PT (Replaces plug 444576)

1шт.

15

675723C2

HOSE,1.96" ID, 2.21" ID x 2.50", SAE J200

Turbocharger Air Outlet Pipe 1.96" ID, 2.21" ID x 2.50", SAE J200

1шт.

16

687456C1

CLAMP

- turbocharger air outlet hose (Replaces clamp 681209C1)

2шт.

17

690075C91

TUBE

- intercooler water inlet

1шт.

On orders for tube 688359C1, furnish tube 690075C91, connector 116487, bracket 689381C1, clamp 515-23159 and elbow 690108C1.

1шт.

18

437575C3

HOSE,0.63" ID x 6.50", SAE 30R1

Elbow, , Intercooler Water Inlet Tube Replaces Elbow 169192R1 0.63" ID x 6.50", SAE 30R1

1шт.

19

214-1412

HOSE CLAMP,#12, 0.69" - 1.25", Type F Worm

Adj - Intercooler water inlet elbow (Replaces clamps 122316R91 and 995218R1) #12, 0.69/1.25 Type F Worm

2шт.

20

279165R1

TUBE

HOSE - intercooler water inlet tube, 2-3/8 inch (7 mm) long, cut from bulk hose 364359C1 below

1шт.

21

214-1412

HOSE CLAMP,#12, 0.69" - 1.25", Type F Worm

Adj - Intercooler water inlet tube hose (Replaces clamps 122316R91 and 995218R1) #12, 0.69/1.25 Type F Worm

2шт.

22

864440R1

NIPPLE, LUBE

CONNECTOR - heater, no longer available

1шт.

23

189393

TEE

- pipe, 3/8 x 3/8 x 1/2 inch, no longer available

1шт.

24

121207

PIPE,Nipple, 3/8" NPT x 1"

NIPPLE - pipe, 3/8 PT x 1 inch

1шт.

25

217-407

PLUG,Hex Hd, 3/8" - 18 NPT

Pipe (Replaces plug 444624) Hex Hd, 3/8"-18

1шт.

26

515-23159

CLAMP,5/8", Insul, 3/8" Bolt

P-type (Replaces clamp 129083R1) 5/8", Insul, 3/8" Bolt

1шт.

27

612233R1

SPACER,5/8" Tube x 1 1/8"

- pipe, 13/32 x 5/8 x 1-3/16 inch

1шт.

326-632

BOLT,Hex, 3/8" - 16 x 2", Gr 8

(Replaces bolt 24843R1) Hex, 3/8"-16 x 2", G8

1шт.

396-21041

WASHER,10.31mm ID x 20.63mm OD x 2.26mm Thk

- flat, 13/32 x 13/16 x 3/32 inch, hardened

1шт.

28

688484C1

TUBE

- intercooler water outlet

1шт.

29

279165R1

TUBE

HOSE - intercooler water outlet tube, 2-3/8 inch (7 mm) long, cut from bulk hose 364359C1 below

2шт.

30

214-1412

HOSE CLAMP,#12, 0.69" - 1.25", Type F Worm

Adj - Intercooler water outlet (Replaces clamps 122316R91 and 995218R1) #12, 0.69/1.25 Type F Worm

4шт.

31

217-332

FITTING,90 Degree Elbow, 5/8" Hose Barb x 3/8" Male NPTF

ELBOW - intercooler water outlet, 90 degree x 5/8 stem end x 3/8 inch PT (Replaces elbow 864456R1)

1шт.

32

515-23159

CLAMP,5/8", Insul, 3/8" Bolt

P-type (Replaces clamp 129083R1) 5/8", Insul, 3/8" Bolt

1шт.

33

688485C1

CLIP

- intercooler water outlet tube extension

1шт.

326-616

BOLT,Hex, 3/8" - 16 x 1", Gr 8

(Replaces bolt 24840R1) Hex, 3/8"-16 x 1", G8, Full Thd

1шт.

396-21041

WASHER,10.31mm ID x 20.63mm OD x 2.26mm Thk

- flat, 13/32 x 13/16 x 3/32 inch, hardened

2шт.

492-11038

LOCK WASHER,3/8"

(Replaces washer 120382) 3/8"

1шт.

329-106

NUT,3/8"-16, G8

(Replaces nut 25522R1) 3/8"-16, G8

1шт.

364359C1

HOSE

- bulk, 50 foot (15240 mm) long

1шт.

Выбрано товаров: 54