Запчасти Case IH DTI-466B (9E-166) - COOLANT FILTER AND CONDITIONER

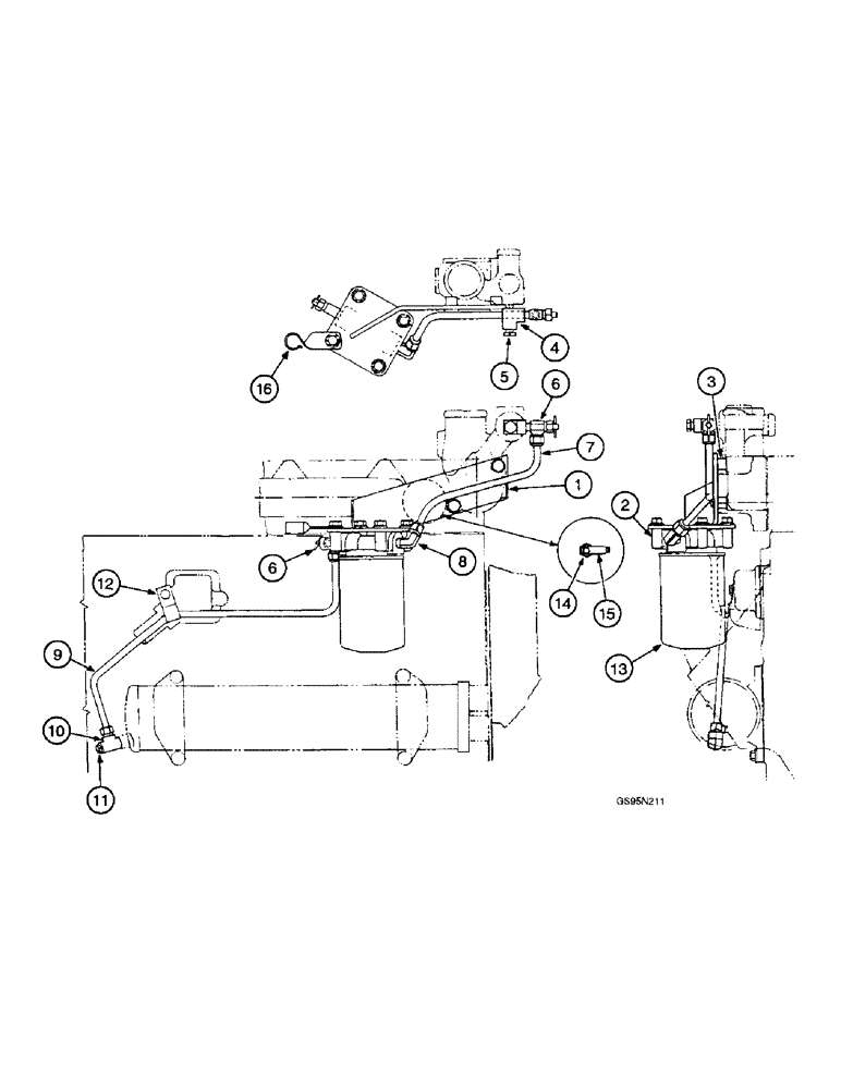
Схема запчастей Case IH DTI-466B - (9E-166) - COOLANT FILTER AND CONDITIONER
4
6
11
12
13
10
7
16
3
9
5
1
2
6
8
14
15
FIT
1:1
100%

Артикул

Название

Примечание

Количество

1

121881C1

BRACKET

- water filter

1шт.

326-656

BOLT,Hex, 3/8" - 16 x 3-1/2", Gr 8

(Replaces bolt 24844R1) Hex, 3/8"-16 x 3 1/2", G8

2шт.

396-21041

WASHER,10.31mm ID x 20.63mm OD x 2.26mm Thk

- flat, 13/32 x 13/16 x 3/32 inch, hardened

2шт.

2

A152821

HEAD

BASE - coolant filter (Replaces base 427446C1)

1шт.

326-620

BOLT,Hex, 3/8" - 16 x 1-1/4", Gr 8

(Replaces bolt 140483H) Hex, 3/8"-16 x 1 1/4", G8, Full Thd

4шт.

396-21041

WASHER,10.31mm ID x 20.63mm OD x 2.26mm Thk

- flat, 13/32 x 13/16 x 3/32 inch, hardened

4шт.

492-11038

LOCK WASHER,3/8"

(Replaces washer 115093) 3/8"

4шт.

3

359105R1

SPACER,3/8" X-Strng Pipe x 1/2"

- tubular, 3/8 x 1/2 inch, pipe

2шт.

4

444150

TEE,3/8"-18 NPTF Fem x 3/8"-18 NPTF Male Run

- pipe, 3/8 inch PT

1шт.

5

217-87

PLUG,Hex Hd, 3/8"-18 NPTF, Brass

- hex, 3/8 inch PT (Replaces plug 20990R1)

1шт.

6

121894C1

FAUCET,3/8" - 18 NPTF x 5/8" - 24

VALVE - shut-off (Replaces valve 690191C1)

2шт.

7

121888C2

TUBE

- coolant outlet, 14 inch (356 mm) long, cut from bulk hose 995063R1 below, Includes: Ref. 7A & 7B

1шт.

7a

222-114

NUT,5/8"-24

NUT - hex, 3/8 inch OD x 5/8 inch (Replaces nut 265205R1), not illustrated

2шт.

7b

222-104

SLEEVE,3/8" Tube

- tube, 3/8 inch OD (Replaces sleeve 265204R1), not illustrated

2шт.

8

222-48

ELBOW,90º, 13/16"-18 Fem x 3/8"-18 NPTF

- coolant outlet tube, 90 degree compression, 3/8 tube OD x 3/8 inch PT (Replaces elbow 606618C1)

1шт.

9

121889C1

TUBE

- coolant inlet, 23 inch (554 mm) long, cut from bulk hose 995063R1 below, used with 4386 tractors with engine serial numbers, Serial Range: prior-38634

1шт.

9

690406C91

TUBE

- coolant inlet, used with 4386 tractors with engine serial number 38434 and after, 3588, 3788, 6588 and 6788 tractors, 1480 combines and 1470 hillside combines, Includes: Ref. 9A & 9B

1шт.

9a

222-114

NUT,5/8"-24

NUT - hex, 3/8 inch OD x 5/8 inch (Replaces nut 265205R1), not illustrated

1шт.

9b

222-104

SLEEVE,3/8" Tube

- tube, 3/8 inch OD (Replaces sleeve 265204R1), not illustrated

1шт.

10

690592C1

TEE,3/8" x 1/4" - 18 NPT x 1/8" - 27 NPT

- oil cooler, used with 4386, 3788 and 6788 tractors, 1480 combines and 1470 hillside combines

1шт.

11

217-84

PLUG,Hex Hd, 1/8"-27, Brass

- square, 1/8 inch PT (Replaces plug 444572)

1шт.

12

362120R1

CLAMP,9.53mm ID, 10.32mm Bolt Hole, P Type

CLAMP - P-type, used with 4386 tractors with engine serial numbers, Serial Range: prior-38434

1шт.

12

673193C1

CLIP

- tube, used with 4386 tractors with engine serial number 38434 and after, 3588, 3788, 6588 and 6788 tractors, 1480 combines and 1470 hillside combines

1шт.

13

A77544

FILTER

- coolant, includes gasket (Replaces filter 1801090C1)

1шт.

14

121756C2

SENSOR

- temperature, used with 4386 tractors with engine serial numbers prior to 77744, 3588, 3788, 6588 and 6788 tractors

1шт.

14

130861C2

SWITCH

- coolant temperature, used with 4386 tractors with engine serial number 77744 and after, 1480 combines and 1470 hillside combines

1шт.

15

384396R1

SPADE TERMINAL,Male

TERMINAL - sender, used with 4386 tractors with engine serial numbers prior to 77744, 3588, 3788, 6588 and 6788 tractors

1шт.

16

363660R1

CLIP

CLAMP - electrical harness, used with 3588, 3788, 6588 and 6788 tractors, 1480 combines, 1470 hillside combines

1шт.

16

362667R1

CLIP

CLAMP - retainer, electrical harness, used with 4386 tractors

1шт.

995063R1

TUBE

HOSE - bulk, 50 foot (15240 mm) long

1шт.

Выбрано товаров: 30