Качественные детали и логистика
Оригинальные и аналоговые запчасти с доставкой по России, Казахстану и Беларуси
©2022 PartSell ООО "Система" ИНН 2463123282 ОГРН 1212400004838
Центральный офис: г. Красноярск, Академика Киренского, д.87, пом.4
Телефон: 8 (800) 777-65-74 Email: zakaz@partsell.ru
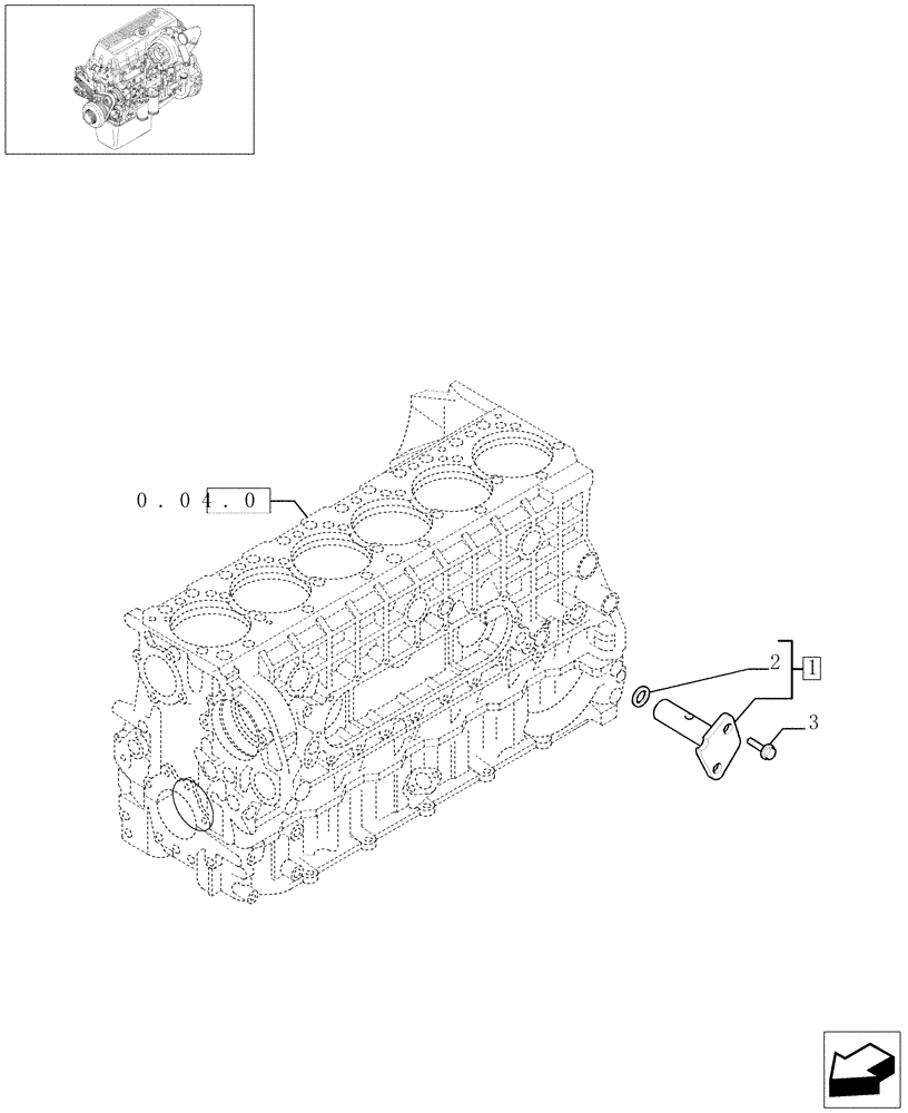
(0.30.3[01]) - OIL PRESSURE REGULATION VALVE (99467843)
№
Артикул
Название
Примечание
Количество
1
99488357
HYDRAULIC VALVE
- ASSY
1шт.
2
14463281
O-RING,0.984" ID x 0.139" Width
D=24.9X3.5 mm
3
2852234
FLANGE BOLT,Hex, M8 x 1.25 x 20mm
2шт.
Выбрано товаров: 0