Качественные детали и логистика
Оригинальные и аналоговые запчасти с доставкой по России, Казахстану и Беларуси
©2022 PartSell ООО "Система" ИНН 2463123282 ОГРН 1212400004838
Центральный офис: г. Красноярск, Академика Киренского, д.87, пом.4
Телефон: 8 (800) 777-65-74 Email: zakaz@partsell.ru
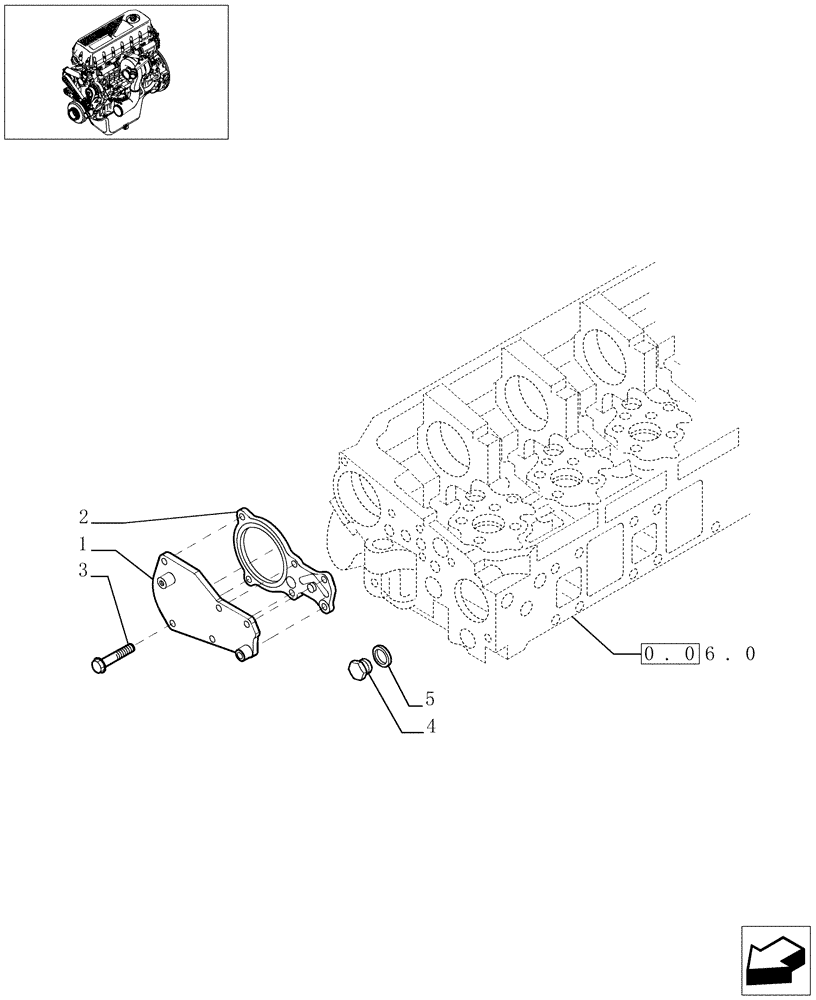
(0.37.0[01]) - ENGINE EXHAUST BRAKE (504031541)
№
Артикул
Название
Примечание
Количество
1
500327986
COVER
1шт.
2
99450932
GASKET
3
2852100
FLANGE BOLT,Hex, M8 x 1.25 x 16mm
5шт.
4
16992411
PLUG
M16X1.5
5
99489019
SEALING WASHER
Выбрано товаров: 0