Качественные детали и логистика
Оригинальные и аналоговые запчасти с доставкой по России, Казахстану и Беларуси
©2022 PartSell ООО "Система" ИНН 2463123282 ОГРН 1212400004838
Центральный офис: г. Красноярск, Академика Киренского, д.87, пом.4
Телефон: 8 (800) 777-65-74 Email: zakaz@partsell.ru
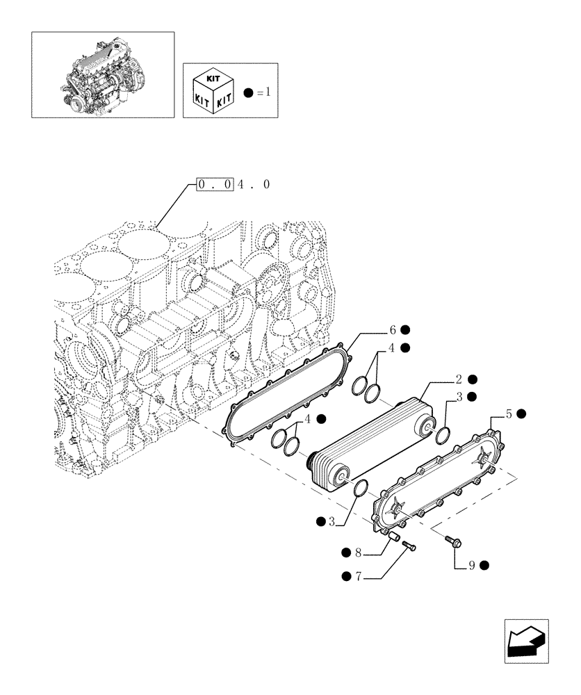
(0.31.0[01]) - HEAT EXCHANGER (504130575)
№
Артикул
Название
Примечание
Количество
1
504130575
HEAT EXCHANGER
- ASSY
1шт.
2
504127469
OIL COOLER
3
17283481
O-RING
42.5X2,6mm
2шт.
4
17289781
47,22X3,55mm
4шт.
5
504127468
COVER
6
504128027
GASKET
7
16674635
BOLT
16шт.
8
17816414
SPACER
9
2856035
SCREW,Flng, M12 x 30mm, Cl 8.8
M12X30mm
Выбрано товаров: 0