Запчасти Case IH F2CE9684D E013 (0.07.8) - EXHAUST MANIFOLD (500322365)

Схема запчастей Case IH F2CE9684D E013 - (0.07.8) - EXHAUST MANIFOLD (500322365)
8
3
5
7
1
3
1
10
6
4
6
6
1
9
6
2
0.06.0
4
5
home
FIT
1:1
100%

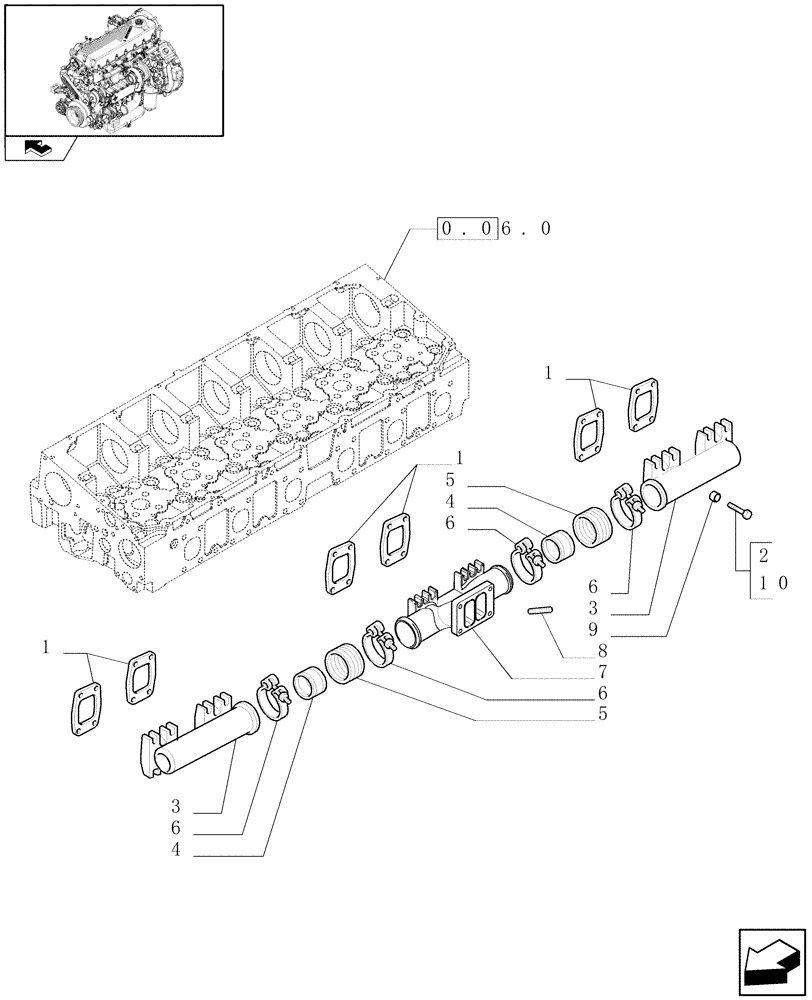
Артикул

Название

Примечание

Количество

1

504154202

GASKET

6шт.

2

99443210

SCREW,M10 x 1.5 x 40

24шт.

3

504030843

EXHAUST MANIFOLD

2шт.

4

2859382

LOCKING RING

2шт.

5

99454992

RING

2шт.

6

500305814

HOSE CLIP

4шт.

7

500306971

EXHAUST MANIFOLD

1шт.

8

16731270

STUD

M10 x 25 mm

4шт.

9

504074155

SPACER

24шт.

10

504078465

FLANGE BOLT,M10 x 1.5 x 70mm

24шт.

Выбрано товаров: 10