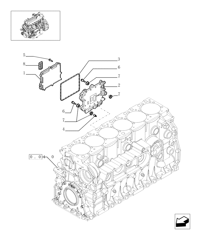
Запчасти Case IH F2CE9684E E002 (0.17.0[01]) - ELECTRONIC INJECTION (504182263)

Схема запчастей Case IH F2CE9684E E002 - (0.17.0[01]) - ELECTRONIC INJECTION (504182263)
4
2
0.04.0
6
5
8
3
7
7
1
7
6
FIT
1:1
100%

Артикул

Название

Примечание

Количество

1

2854594

ECU

1шт.

1

2854594R

REMAN-MODULE

Reman for New PN 2854594

1шт.

1

2854594C

CORE-MODULE

Return Number

1шт.

2

504097239

SUPPORT

1шт.

3

2854079

GASKET,6.45mm Thk

1шт.

4

99475194

SPACER

1шт.

5

2854083

BOLT,Flng, M6 x 1 x 30mm

M6 x 30

8шт.

6

16586824

SCREW,M8 x 45mm

M8 x 45

3шт.

7

2855150

INSULATOR BLOCK

6шт.

8

2852825

PLUG,100mm x 40mm L

1шт.

Выбрано товаров: 10