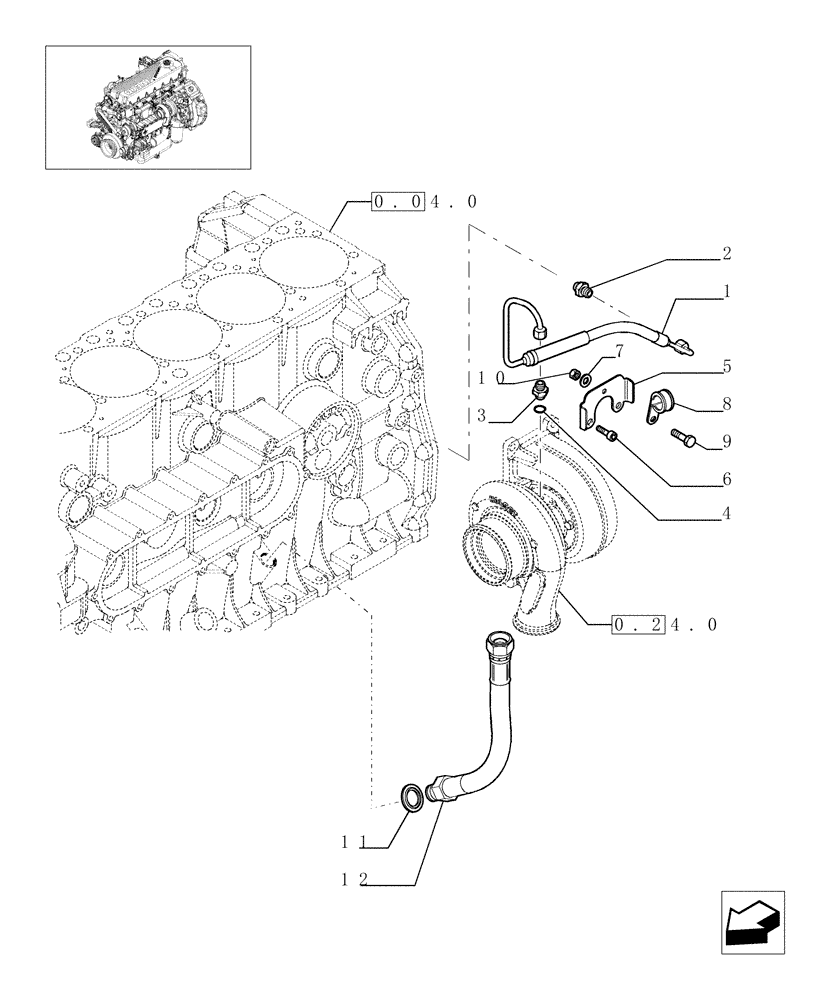
Запчасти Case IH F2CE9684E E002 (0.30.63[01]) - TURBOBLOWER PIPES (504135380 - 99487300)

Схема запчастей Case IH F2CE9684E E002 - (0.30.63[01]) - TURBOBLOWER PIPES (504135380 - 99487300)
8
4
0.04.0
3
2
1
11
0.24.0
5
12
7
9
6
10
FIT
1:1
100%

Артикул

Название

Примечание

Количество

1

504127256

TUBE

1шт.

2

504081275

HYD CONNECTOR

M14X1,5 / M16X1,5mm

1шт.

3

16500114

UNION

M12X1,5 / M14X1,5mm

1шт.

4

2855325

SEAL

12X20X1,17

1шт.

5

504213767

RETAINER

1шт.

6

16691424

BOLT

2шт.

7

16666716

WASHER

1шт.

8

10450590

CLAMP,18mm, Coat, 9mm Bolt Hole, P Type

1шт.

9

2854600

SCREW

M8 x 20

1шт.

10

2852389

FLANGE NUT

1шт.

11

99434480

SEAL

D = 30 x 40 mm

1шт.

12

500324053

HOSE

1шт.

Выбрано товаров: 0