Запчасти Case IH F2CE9684P E033 (0.45.0) - HOOKS - ENGINE

Схема запчастей Case IH F2CE9684P E033 - (0.45.0) - HOOKS - ENGINE
0.40.0
3
0.02.1
2
0.40.0
3
1
FIT
1:1
100%

Артикул

Название

Примечание

Количество

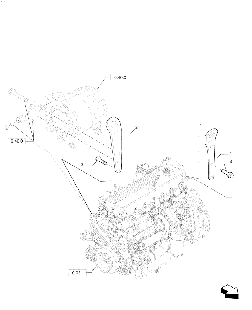
1

500361014

LOAD HOOK

1шт.

2

500336064

LOAD HOOK

1шт.

3

2852134

FLANGE BOLT,Hex, M12 x 1.75 x 25mm

3шт.

Выбрано товаров: 3