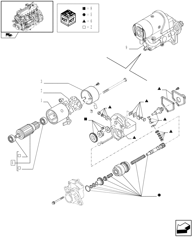
Запчасти Case IH F2CE9684U E151 (55.201.0101) - STARTER MOTOR - COMPONENTS (99432760) (06) - ELECTRICAL SYSTEMS

Схема запчастей Case IH F2CE9684U E151 - (55.201.0101) - STARTER MOTOR - COMPONENTS (99432760) (06) - ELECTRICAL SYSTEMS
3
6
8
6
6
5
6
6
2
5
8
4
8
home
6
5
2
2
7
6
2
1
6
9
FIT
1:1
100%

Артикул

Название

Примечание

Количество

1

42471365

STATOR

1шт.

2

42471382

KIT, STARTER MTR REP

3шт.

3

42471367

COVER

3шт.

4

42471368

ARMATURE

ASSY

1шт.

5

42471369

KIT, STARTER MTR REP

1шт.

6

42471370

KIT, STARTER MTR REP

1шт.

7

8093758

BRUSH SET

1шт.

8

8093757

KIT, STARTER MTR REP

1шт.

9

99432760

STARTER MOTOR

ASSY

1шт.

99432760R

REMAN-STARTER

ENGINE - 504365432 - 84141156

1шт.

99432760C

CORE-STARTER

Return Number

1шт.

Выбрано товаров: 11