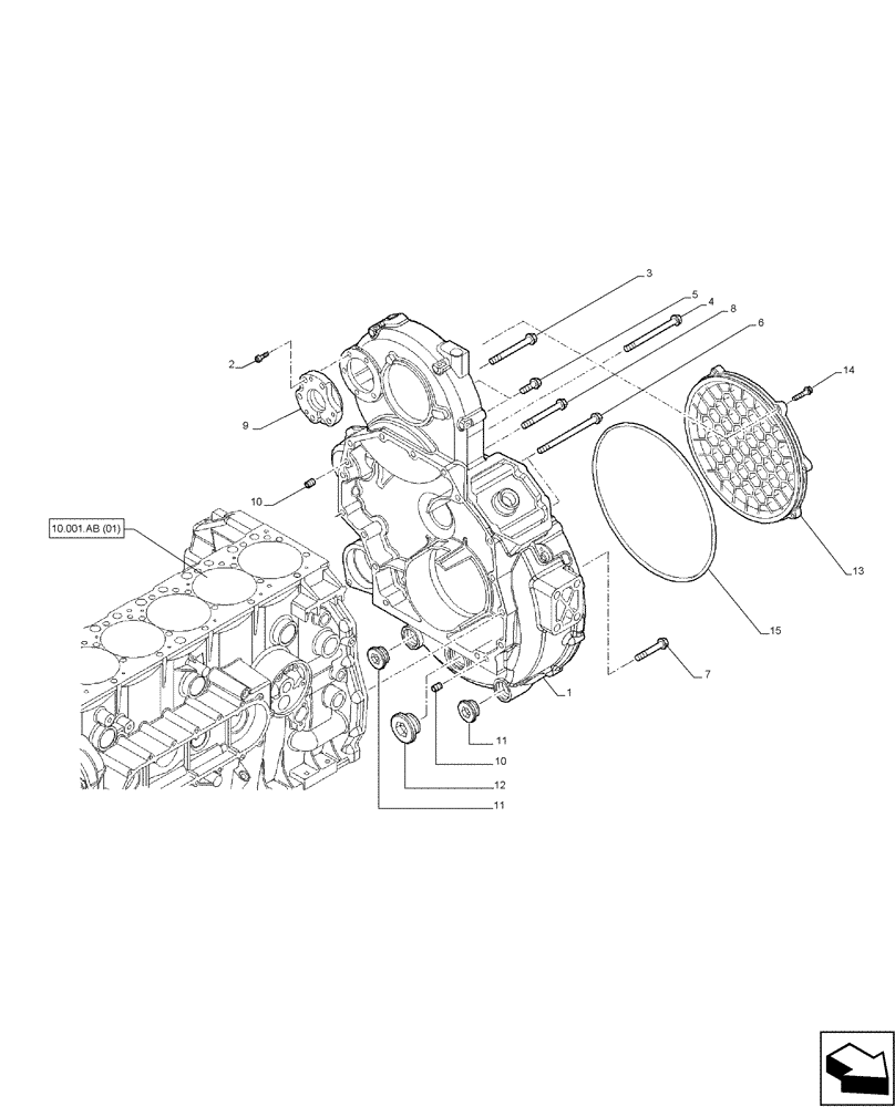
Запчасти Case IH F2CFA613A E001 (10.102.BB) - ENGINE BLOCK REAR COVER (10) - ENGINE

Схема запчастей Case IH F2CFA613A E001 - (10.102.BB) - ENGINE BLOCK REAR COVER (10) - ENGINE
11
5
10
3
6
15
2
12
13
7
1
8
4
9
11
10.001.ab (01)
10
14
FIT
1:1
100%

Артикул

Название

Примечание

Количество

1

504124669

HOUSING

1шт.

2

16707334

BOLT,M8 x 30mm, Cl 10.9

5шт.

3

16593625

BOLT,M12 x 1.75 x 120mm

1шт.

4

16599424

SCREW,M10 x 180mm

1шт.

5

16587325

SCREW,Hex, M10 x 35mm

3шт.

6

99475978

SCREW

2шт.

7

16678935

SCREW

7шт.

8

16598925

SCREW,Hex, M10 x 110mm, Cl 8.8

1шт.

9

504233003

FLANGE

1шт.

10

500314968

DOWEL

2шт.

11

17917240

PLUG

2шт.

12

16992915

PLUG

1шт.

13

504124620

COVER

1шт.

14

16673835

BOLT,Hex, M8 x 30mm

6шт.

15

17301181

O-RING

1шт.

Выбрано товаров: 0