Качественные детали и логистика
Оригинальные и аналоговые запчасти с доставкой по России, Казахстану и Беларуси
©2022 PartSell ООО "Система" ИНН 2463123282 ОГРН 1212400004838
Центральный офис: г. Красноярск, Академика Киренского, д.87, пом.4
Телефон: 8 (800) 777-65-74 Email: zakaz@partsell.ru
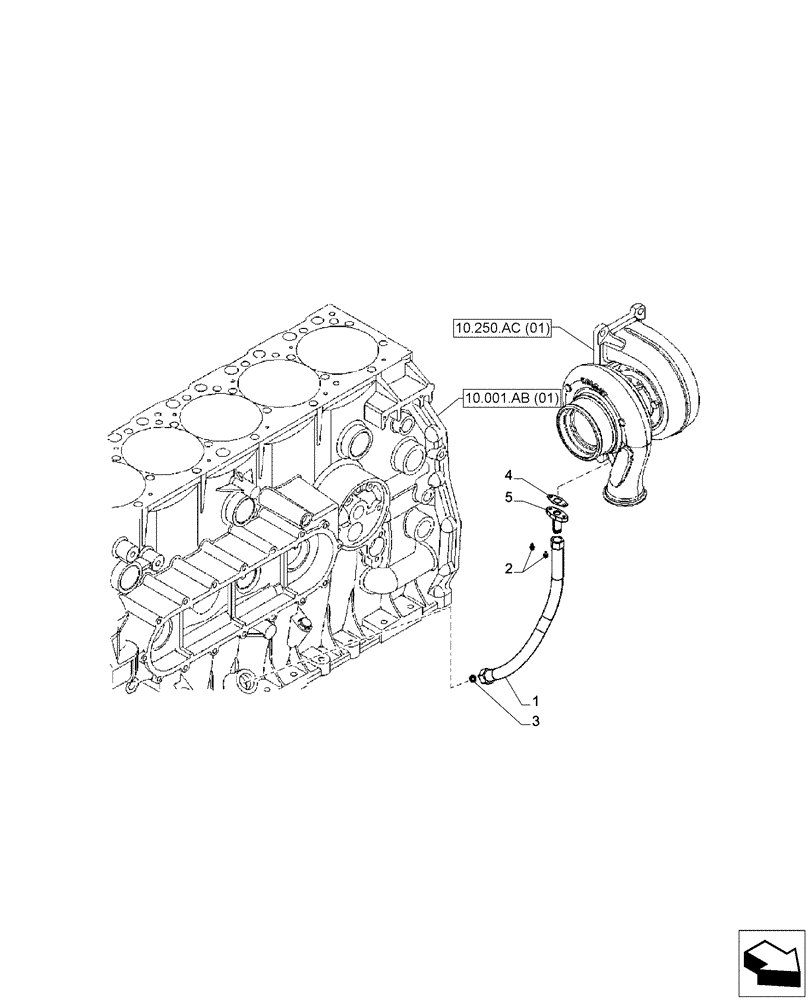
(10.250.AE) - TURBO OIL OUTLET PIPE
№
Артикул
Название
Примечание
Количество
1
504210618
HOSE
1шт.
2
16673735
BOLT,Hex, M8 x 1.25 x 25mm
2шт.
3
99434480
SEAL
4
98412509
GASKET,0.8mm Thk
5
500333923
FLANGE
Выбрано товаров: 5