Качественные детали и логистика
Оригинальные и аналоговые запчасти с доставкой по России, Казахстану и Беларуси
©2022 PartSell ООО "Система" ИНН 2463123282 ОГРН 1212400004838
Центральный офис: г. Красноярск, Академика Киренского, д.87, пом.4
Телефон: 8 (800) 777-65-74 Email: zakaz@partsell.ru
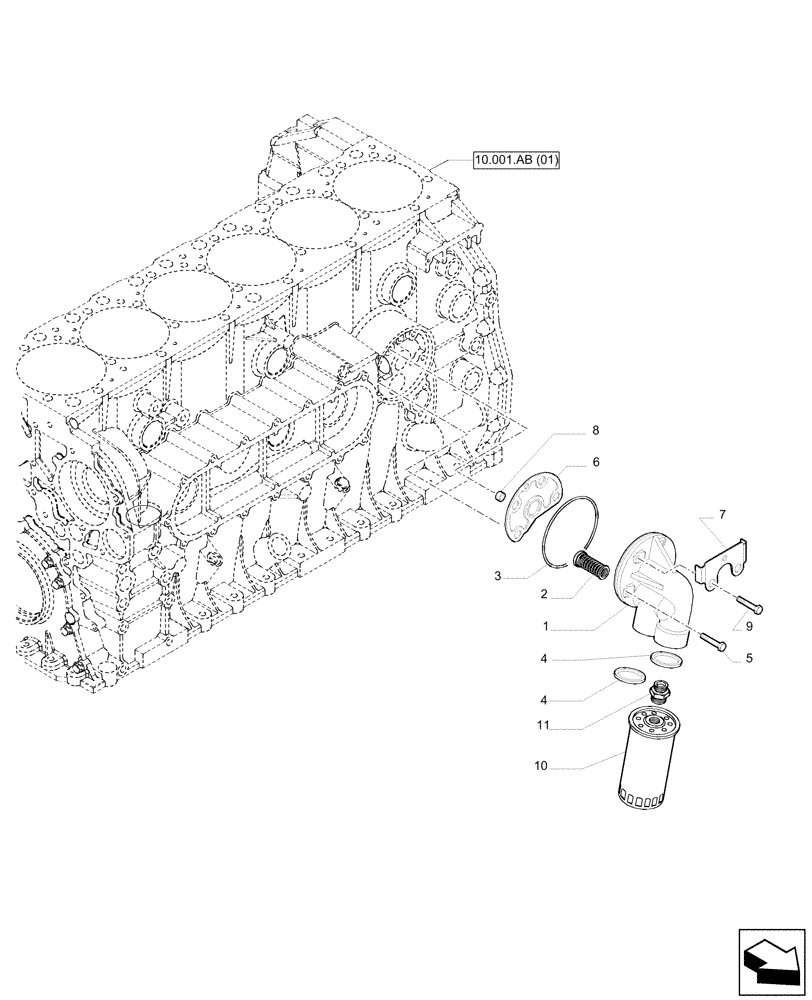
(10.304.AE) - OIL FILTER
№
Артикул
Название
Примечание
Количество
1
504190449
BRACKET
1шт.
2
500302241
HYDRAULIC VALVE
3
14466481
O-RING,-246, Cl 7, 4.484" ID x .139" Thk
M113.89 x 3.53
4
99434480
SEAL
D = 30 x 40 mm
2шт.
5
16673835
BOLT,Hex, M8 x 30mm
M8 x 30
6
504147366
GASKET
7
504213767
RETAINER
8
17816414
SPACER
D = 8.5 x 18 SP=20
9
16592224
SCREW,M8 x 55mm
M8 x 55
10
84346773
ENGINE OIL FILTER,110mm OD x 212mm L, M30 x 2
11
99431947
HYD CONNECTOR
Выбрано товаров: 0