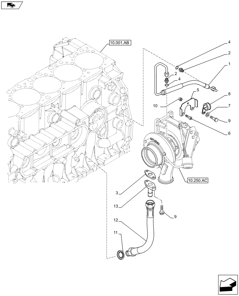
Запчасти Case IH F2CFA613A G001 (10.250.AD) - TURBOCHARGER LUBE LINE (10) - ENGINE

Схема запчастей Case IH F2CFA613A G001 - (10.250.AD) - TURBOCHARGER LUBE LINE (10) - ENGINE
6
2
13
4
7
11
10
8
9
12
9
1
5
4
3
10.250.ac
2
10.001.ab
home
FIT
1:1
100%

Артикул

Название

Примечание

Количество

1

5801583056

PIPE

1шт.

2

504081274

HYD CONNECTOR

2шт.

3

98412509

GASKET,0.8mm Thk

1шт.

4

4858609

WASHER,Brass

2шт.

5

504213767

RETAINER

1шт.

6

16691424

BOLT

M8 x 65 mm

2шт.

7

16666716

WASHER

1шт.

8

17316592

COLLAR

1шт.

9

16673635

BOLT,Hex, M8 x 1.25 x 20mm, Full Thd

3шт.

10

43362

NUT,M8 x 1.25, Cl 10

M8 x 1.25

1шт.

11

99434480

SEAL

1шт.

12

5801583063

PIPE

1шт.

13

500333923

FLANGE

1шт.

Выбрано товаров: 13