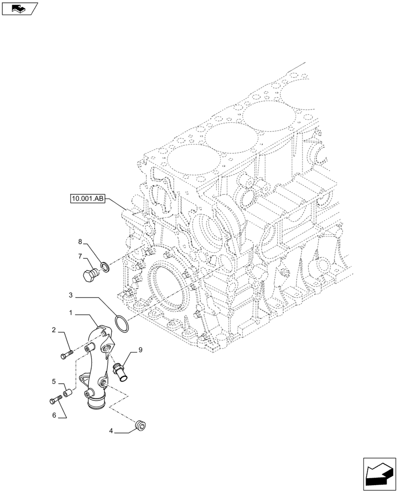
Запчасти Case IH F2CFA613A G001 (10.400.AQ) - WATER PUMP LINE (10) - ENGINE

Схема запчастей Case IH F2CFA613A G001 - (10.400.AQ) - WATER PUMP LINE (10) - ENGINE
7
10.001.ab
5
4
8
9
home
6
3
1
2
FIT
1:1
100%

Артикул

Название

Примечание

Количество

1

99469567

PIPE

1шт.

2

16586925

BOLT,M8 x 50mm

2шт.

3

14464681

O-RING,56.74mm ID x 2.512" OD x 3.53mm

1шт.

4

41221517

PLUG

1шт.

4

99430692

PLUG

1шт.

5

504253853

SPACER

1шт.

6

16592525

BOLT,M8 x 1.25 x 70mm

1шт.

7

10305171

PLUG,M22 x 1.5 x 21

1шт.

8

87332142

SEAL,23.5mm ID x 30mm OD x 1.5mm Thk

1шт.

9

99464284

FITTING

1шт.

Выбрано товаров: 10