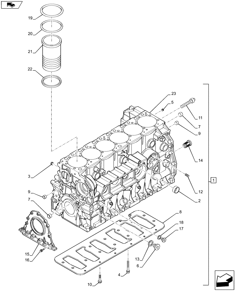
Запчасти Case IH F2CFA613B G001 (10.001.AB) - CRANKCASE (10) - ENGINE

Схема запчастей Case IH F2CFA613B G001 - (10.001.AB) - CRANKCASE (10) - ENGINE
9
20
3
11
7
5
home
12
15
4
2
13
16
1
14
10
18
19
21
9
7
22
8
17
23
6
FIT
1:1
100%

Артикул

Название

Примечание

Количество

1

504219039

CYLINDER BLOCK

ASSY; Incl 2 - 18; 23

1шт.

2

16991370

PLUG

D=45 mm

4шт.

3

504051237

PLUG

D=1/4

3шт.

4

504125417

SCREW

M16 x 2 mm

14шт.

5

504051236

PLUG,Threaded, 1/8"

D=1/8

1шт.

6

16992515

PLUG

M18 x 1.5 mm

1шт.

7

16990870

PLUG

D= 28 mm

3шт.

8

504127723

PLATE

1шт.

9

16990670

PLUG,Lock, 22mm Dia

D=22 mm

10шт.

10

18139424

SCREW,Hex, M10 x 20mm

M10 x 20 mm

12шт.

11

500356932

PLUG

D=12 mm

3шт.

12

500314967

DOWEL

D=10 mm

3шт.

13

5167640

SEALING WASHER,14.09mm ID x 26.45mm OD x 1.5mm Thk

1шт.

14

504142601

VALVE

1шт.

15

504125098

COVER ASSY

1шт.

16

16673735

BOLT,Hex, M8 x 1.25 x 25mm

M8 x 1.25 x 25 mm

9шт.

17

11903211

PLUG,M12 x 1.25 x 12, Cl5.8

1шт.

18

99489017

GASKET,9.9mm ID x 20mm OD x 2.5mm Thk

D=12 x 20 mm; SP=1.5 mm

1шт.

19

99459176

GASKET

12шт.

20

99459175

GASKET

6шт.

21

504305869

LINER, ENGINE CYLIND

6шт.

22

504128648

SHIM

0;08 mm

6шт.

22

504128649

SHIM

0;10 mm

6шт.

22

504128650

SHIM

0;12 mm

6шт.

22

504128651

SHIM

0;14 mm

6шт.

23

NSS

NOT SOLD SEPARAT

Crankcase; Incl in 1

1шт.

Выбрано товаров: 0