Запчасти Case IH F2CFA613C G001 (10.106.AO) - ROCKER ARM (10) - ENGINE

Схема запчастей Case IH F2CFA613C G001 - (10.106.AO) - ROCKER ARM (10) - ENGINE
6
4
10.101.aa
5
3
4
2
1
10.101.am
home
6
10.101.am
3
5
8
7
10.106.ap
FIT
1:1
100%

Артикул

Название

Примечание

Количество

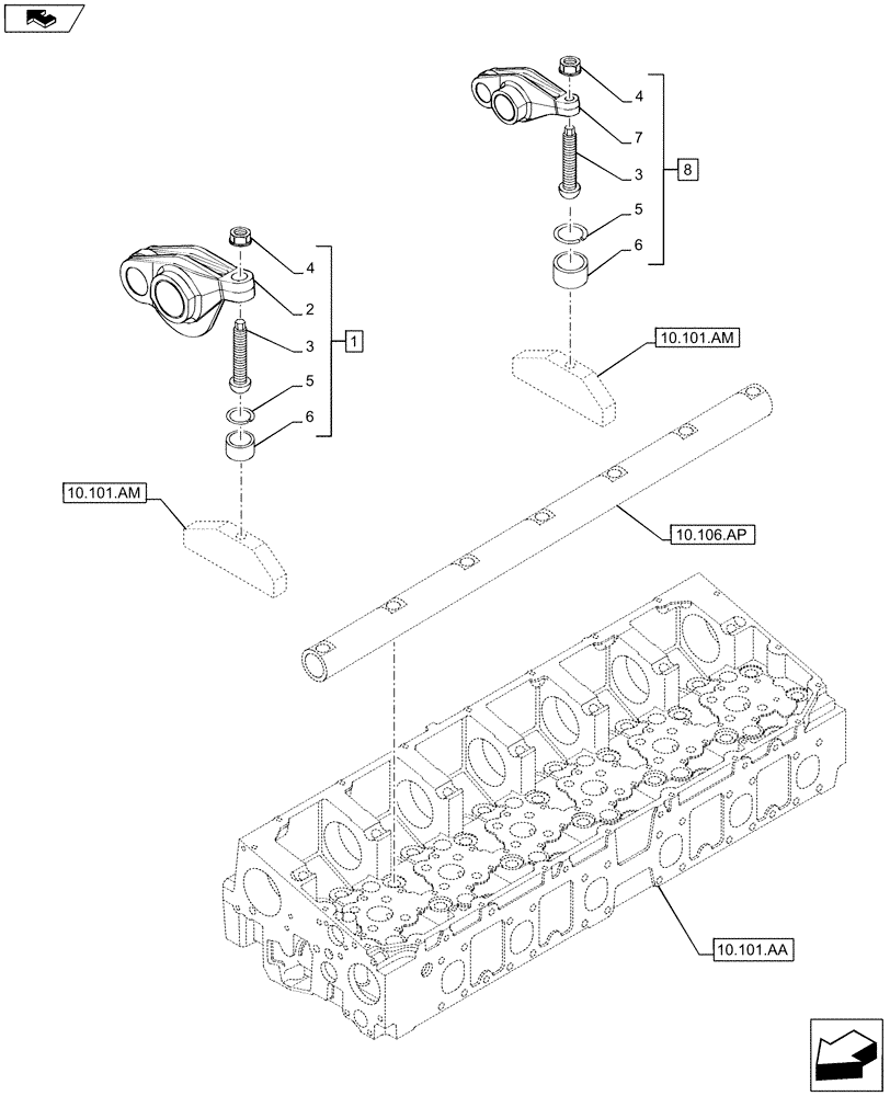
1

504127124

ROCKER ARM

Intake; ASSY; Incl 2 - 6

6шт.

2

NSS

NOT SOLD SEPARAT

Arm; Incl in 1

1шт.

3

NSS

NOT SOLD SEPARAT

Screw; Incl in 1, 8

2шт.

4

504059553

NUT

2шт.

5

NSS

NOT SOLD SEPARAT

Ring; Incl in 1, 8

12шт.

6

500300903

SLIDING PAD

2шт.

7

NSS

NOT SOLD SEPARAT

Arm; Incl in 8

1шт.

8

504165682

ROCKER ARM

Exhaust; ASSY; Incl 3 - 6, 7

6шт.

Выбрано товаров: 8