Качественные детали и логистика
Оригинальные и аналоговые запчасти с доставкой по России, Казахстану и Беларуси
©2022 PartSell ООО "Система" ИНН 2463123282 ОГРН 1212400004838
Центральный офис: г. Красноярск, Академика Киренского, д.87, пом.4
Телефон: 8 (800) 777-65-74 Email: zakaz@partsell.ru
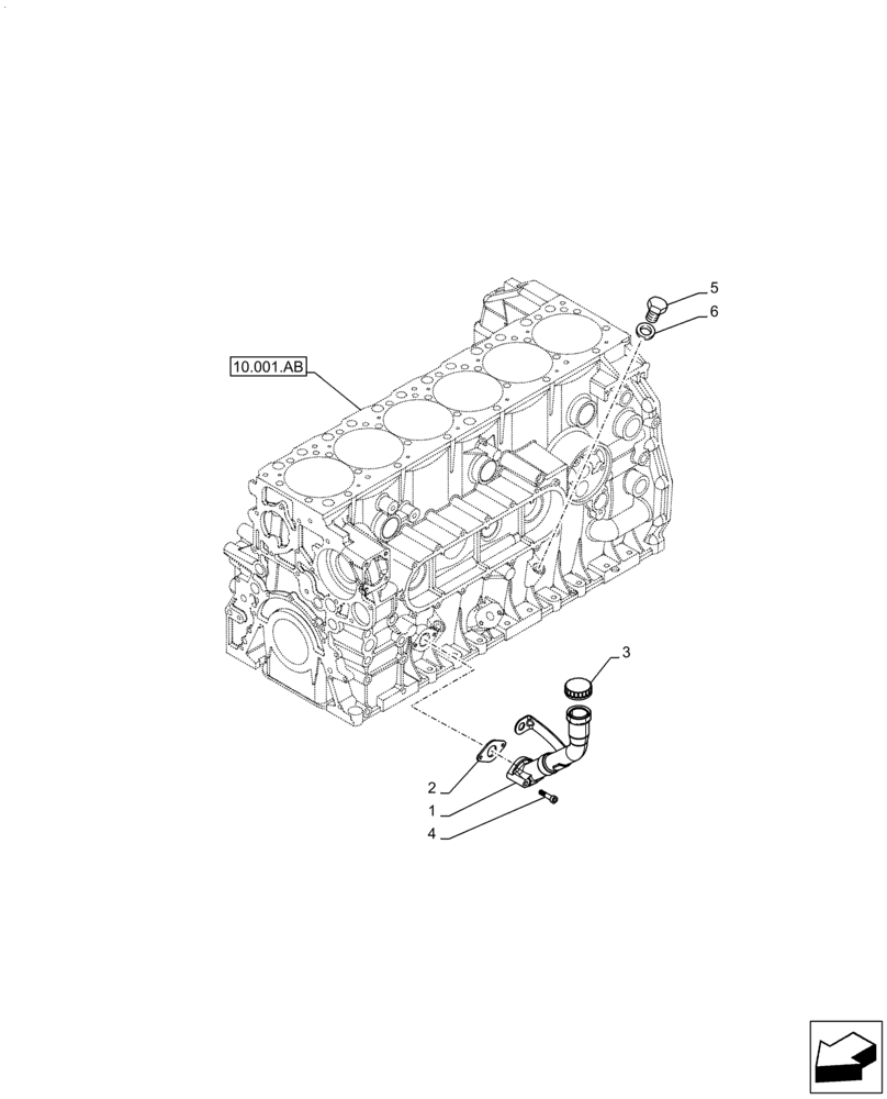
(10.304.AJ) - OIL, DIPSTICK
№
Артикул
Название
Примечание
Количество
1
5801375472
NECK FILLER
1шт.
2
504314384
GASKET
3
2852136
CAP,48mm ID x 56mm OD x 18mm W
4
16673735
BOLT,Hex, M8 x 1.25 x 25mm
M8 x 60 mm
2шт.
5
16992515
PLUG
M18 x 1,5
6
5167640
SEALING WASHER,14.09mm ID x 26.45mm OD x 1.5mm Thk
D=18 mm
Выбрано товаров: 6