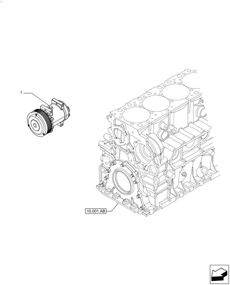
Запчасти Case IH F2CFA614A E011 (50.200.AA) - COMPRESSOR, AIR CONDITIONING (50) - CAB CLIMATE CONTROL

Схема запчастей Case IH F2CFA614A E011 - (50.200.AA) - COMPRESSOR, AIR CONDITIONING (50) - CAB CLIMATE CONTROL
10.001.ab
1
FIT
1:1
100%

Артикул

Название

Примечание

Количество

1

504290050

AIRCOND. COMPRESSOR

1шт.

Выбрано товаров: 0