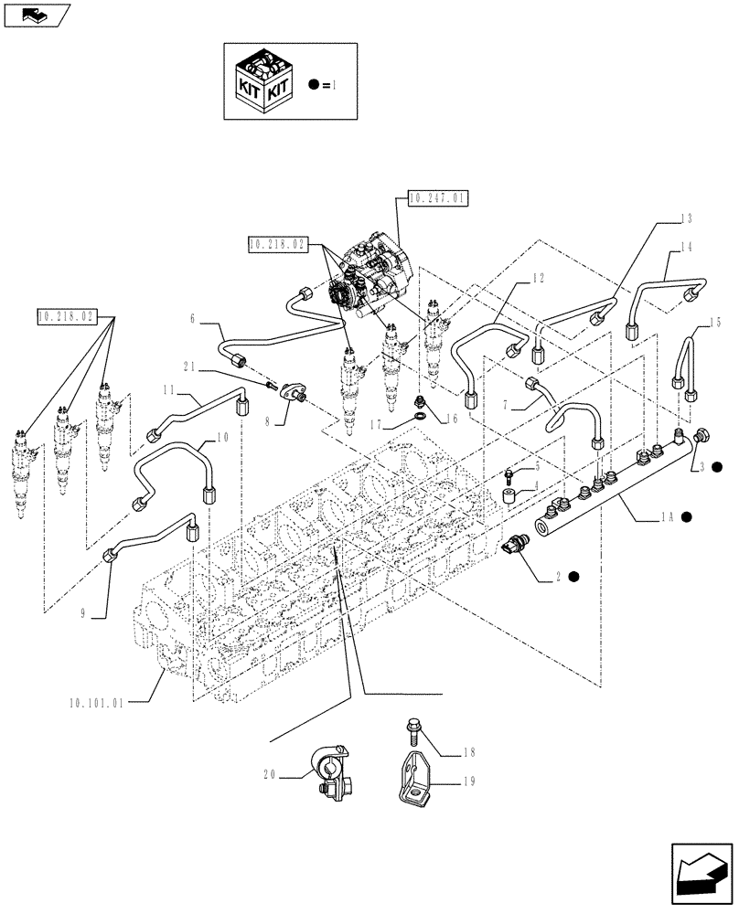
Запчасти Case IH F2CFE613A A017 (10.218.03) - INJECTION EQUIPMENT - PIPING (5801386397) (10) - ENGINE

Схема запчастей Case IH F2CFE613A A017 - (10.218.03) - INJECTION EQUIPMENT - PIPING (5801386397) (10) - ENGINE
15
1
7
9
18
19
4
3
10
1
11
17
16
8
5
14
10.101.01
home
10.218.02
10.247.01
10.218.02
2
1
20
13
21
1a
12
6
1
1
FIT
1:1
100%

Артикул

Название

Примечание

Количество

1

504373407

ACCUMULATOR

Assy, Contains Ref. 1A, 2, 3

1шт.

1a

NSS

NOT SOLD SEPARAT

1шт.

2

504382791

SENSOR

1шт.

3

504130662

VALVE

1шт.

4

504253853

SPACER

3шт.

5

16586825

BOLT,Hex, M8 x 1.25 x 45mm

3шт.

6

5801369307

FUEL TUBE

1шт.

7

504345093

TUBE

1шт.

8

504345104

HYD CONNECTOR

1шт.

9

504126981

INJECTION PIPE

1шт.

10

504126982

INJECTION PIPE

1шт.

11

504126983

INJECTION PIPE

1шт.

12

504126984

INJECTION PIPE

1шт.

13

504126985

INJECTION PIPE

1шт.

14

504126986

INJECTION PIPE

1шт.

15

504345222

TUBE

1шт.

16

504345096

BANJO BOLT

1шт.

17

87665413

SEALING WASHER,7.9mm ID x 17.0mm OD x 1.5mm Thk

D=10 x 17 x 2.3 mm

1шт.

18

16707034

BOLT,Flng, M8 x 16mm

M8 x 16

1шт.

19

504312745

STEEL PLATE

1шт.

20

504358313

STEEL PLATE

1шт.

21

16585870

SCREW,Hex, M6 x 20mm

2шт.

Выбрано товаров: 22