Качественные детали и логистика
Оригинальные и аналоговые запчасти с доставкой по России, Казахстану и Беларуси
©2022 PartSell ООО "Система" ИНН 2463123282 ОГРН 1212400004838
Центральный офис: г. Красноярск, Академика Киренского, д.87, пом.4
Телефон: 8 (800) 777-65-74 Email: zakaz@partsell.ru
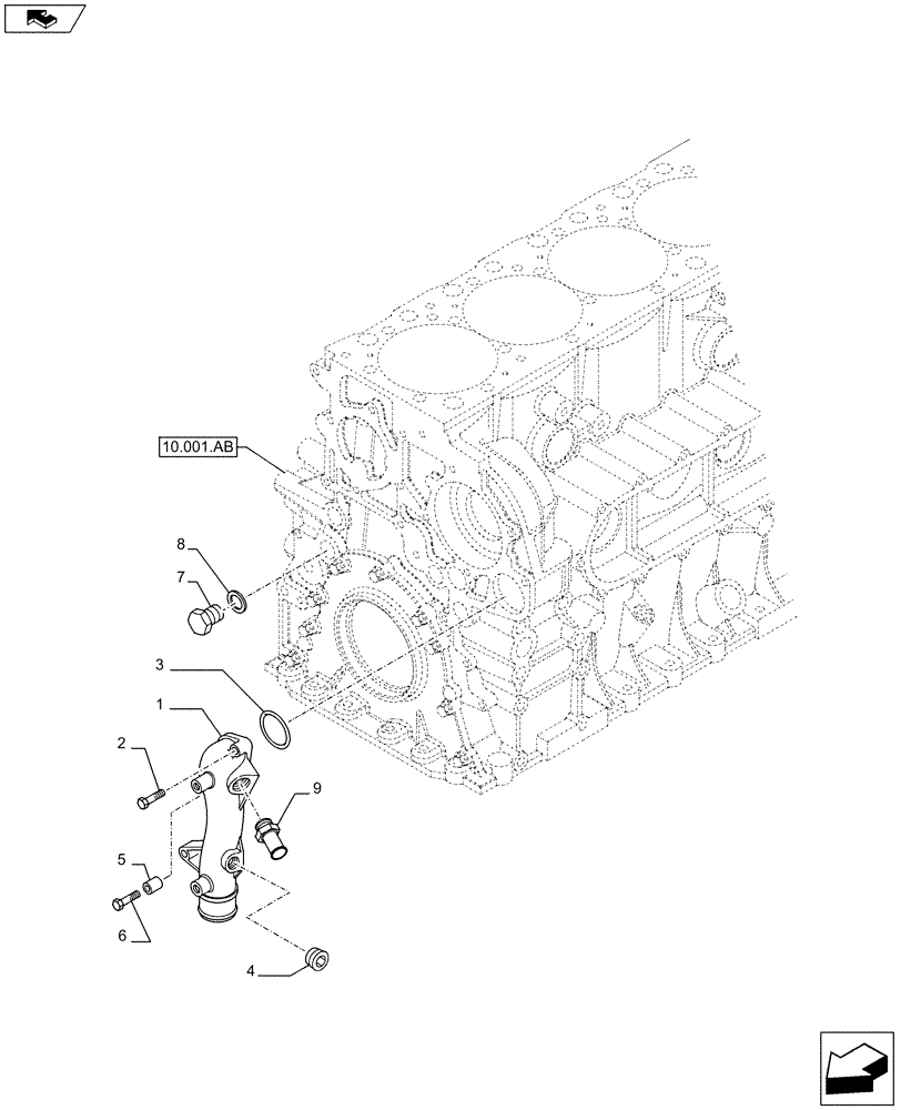
(10.400.AQ) - WATER PUMP LINE
№
Артикул
Название
Примечание
Количество
1
99469567
PIPE
1шт.
2
16586925
BOLT,M8 x 50mm
2шт.
3
14464681
O-RING,56.74mm ID x 2.512" OD x 3.53mm
4
41221517
PLUG
99430692
5
504253853
SPACER
6
16592525
BOLT,M8 x 1.25 x 70mm
7
10305171
PLUG,M22 x 1.5 x 21
8
87332142
SEAL,23.5mm ID x 30mm OD x 1.5mm Thk
9
99464284
FITTING
Выбрано товаров: 0