Качественные детали и логистика
Оригинальные и аналоговые запчасти с доставкой по России, Казахстану и Беларуси
©2022 PartSell ООО "Система" ИНН 2463123282 ОГРН 1212400004838
Центральный офис: г. Красноярск, Академика Киренского, д.87, пом.4
Телефон: 8 (800) 777-65-74 Email: zakaz@partsell.ru
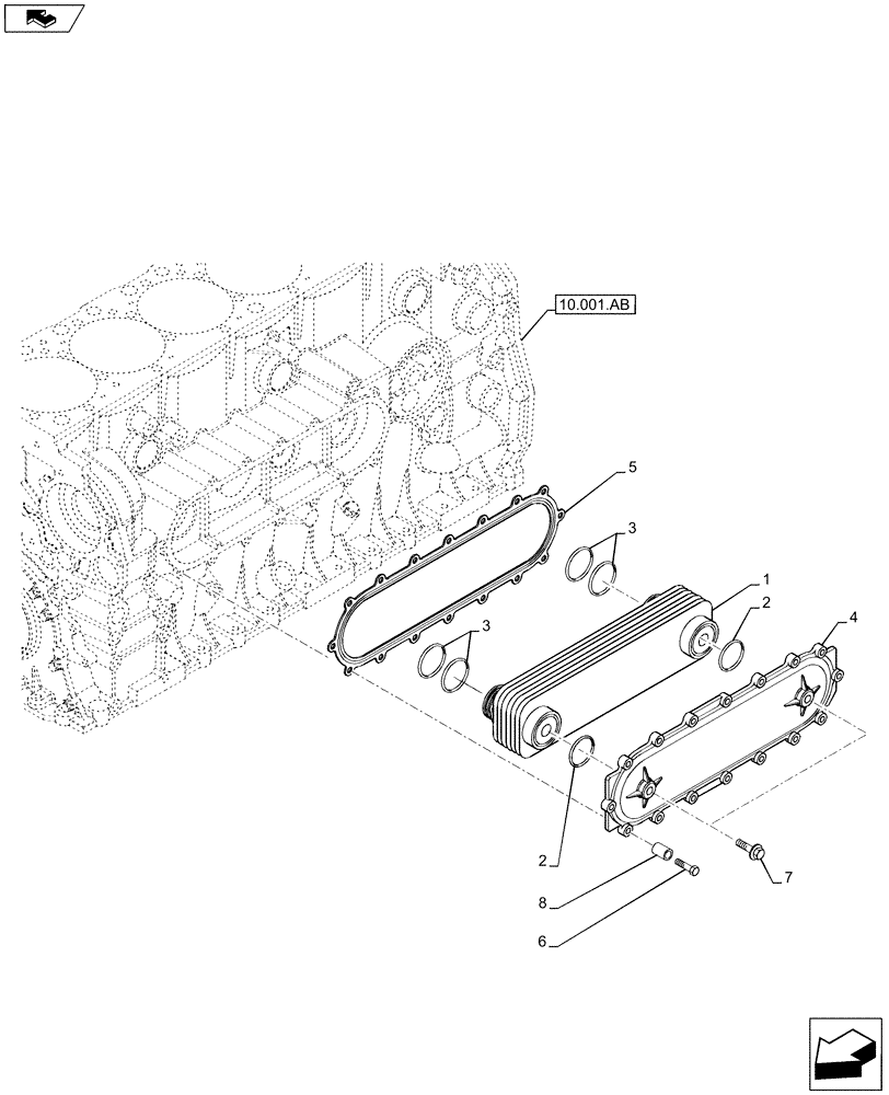
(10.408.AC) - ENGINE, HEAT EXCHANGER
№
Артикул
Название
Примечание
Количество
1
504127469
OIL COOLER
1шт.
2
17283481
O-RING
D=42.5 mm, SP=2.6 mm
2шт.
3
17289781
D=47.22 mm, SP=3.55 mm
4шт.
4
504127468
COVER
5
504128027
GASKET
6
16674434
SCREW
M8 x 50 mm
16шт.
7
2856035
SCREW,Flng, M12 x 30mm, Cl 8.8
M12 x 30 mm
8
17816414
SPACER
D=8.5 x 18 mm, SP=20 mm
Выбрано товаров: 0