Запчасти Case IH F2CFE613C A010 (10.102.03) - OIL LEVEL CHECK (504376868 - 504376865 - 5801411691 - 5801440482)

Схема запчастей Case IH F2CFE613C A010 - (10.102.03) - OIL LEVEL CHECK (504376868 - 504376865 - 5801411691 - 5801440482)
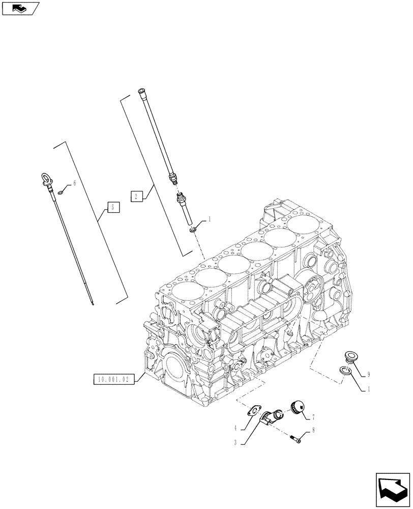
1
home
7
1
8
6
2
5
9
4
3
10.001.02
FIT
1:1
100%

Артикул

Название

Примечание

Количество

1

5167640

SEALING WASHER,14.09mm ID x 26.45mm OD x 1.5mm Thk

2шт.

2

504376866

TUBE

ASSY

1шт.

3

5801375472

NECK FILLER

1шт.

4

504314384

GASKET

1шт.

5

NSS

NOT SOLD SEPARAT

1шт.

6

504376868

DIPSTICK

ASSY

1шт.

7

504027969

SEALING RING

SEALRING

2шт.

8

504157200

KNOB

1шт.

9

2852136

CAP,48mm ID x 56mm OD x 18mm W

1шт.

10

16673735

BOLT,Hex, M8 x 1.25 x 25mm

1шт.

11

11903211

PLUG,M12 x 1.25 x 12, Cl5.8

1шт.

12

99489017

GASKET,9.9mm ID x 20mm OD x 2.5mm Thk

1шт.

Выбрано товаров: 12