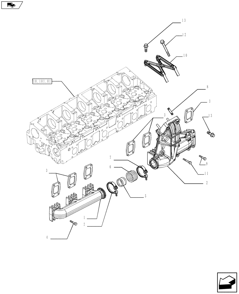
Запчасти Case IH F2CFE613C A011 (10.254.05) - EXHAUST MANIFOLD (504380218)

Схема запчастей Case IH F2CFE613C A011 - (10.254.05) - EXHAUST MANIFOLD (504380218)
10.101.01
7
10
12
7
5
11
13
home
3
4
3
12.5
9
12.5
3
2
8
1
13
6
FIT
1:1
100%

Артикул

Название

Примечание

Количество

1

504289341

EXHAUST MANIFOLD

FRONT

1шт.

2

504380222

EXHAUST MANIFOLD

REAR

1шт.

3

504380076

MANIFOLD GASKET

6шт.

4

99443210

SCREW,M10 x 1.5 x 40

M10 x 1,5 x 40

12шт.

5

99440118

RING

1шт.

6

2859383

LOCKING RING

1шт.

7

2859381

HOSE CLIP

2шт.

8

16731270

STUD

M10 x 30

2шт.

9

504295619

FLANGE BOLT,M10 x 1.5 x 87mm

12шт.

10

504380913

BRACKET, SUPPORTING

1шт.

11

16587824

BOLT,Hex, M10 x 1.5 x 60mm

2шт.

12

16675134

FLANGE BOLT

2шт.

13

16674635

BOLT

8шт.

Выбрано товаров: 13