Запчасти Case IH F2CFE613E B006 (10.101.AM) - VALVE (10) - ENGINE

Схема запчастей Case IH F2CFE613E B006 - (10.101.AM) - VALVE (10) - ENGINE
9
20
4
13
18
6
2
10
5
3
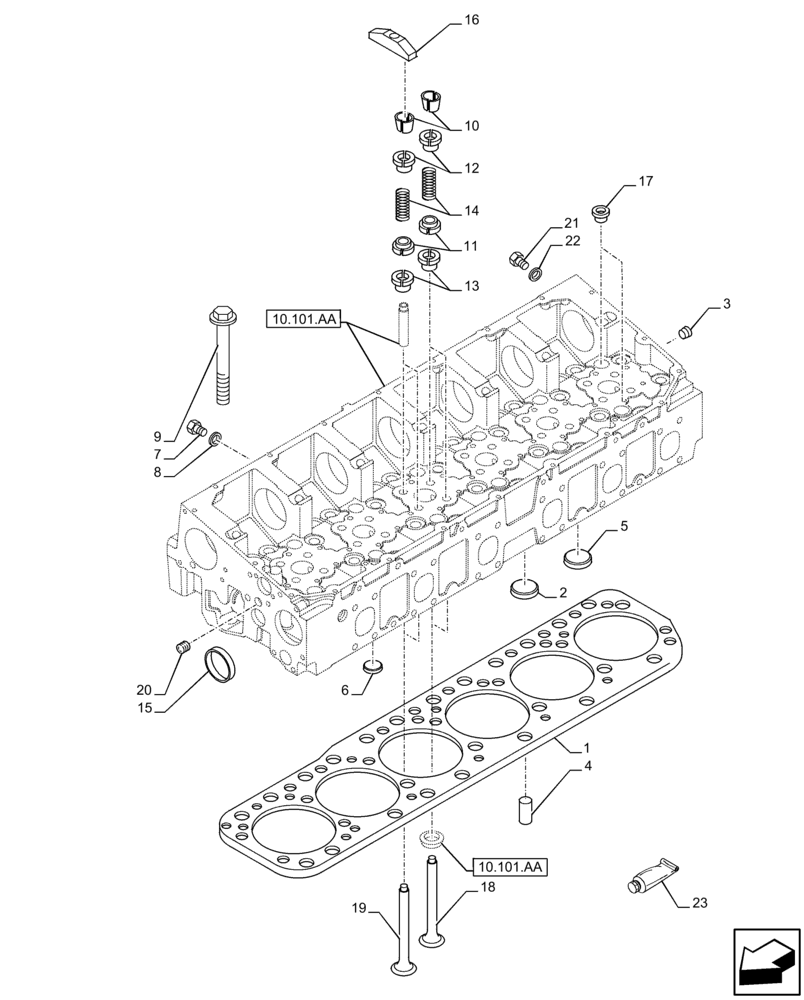
1
8
10.101.aa
22
12
14
17
7
15
16
11
21
10.101.aa
23
19
FIT
1:1
100%

Артикул

Название

Примечание

Количество

1

504385500

CYLINDER HEAD GASKET

1шт.

2

16991170

PLUG

36mm Dia

6шт.

3

504051237

PLUG

2шт.

4

500314967

DOWEL

10mm Dia

2шт.

5

16991370

PLUG

45mm Dia

2шт.

6

14282170

PLUG,M20, Tapered, Stainless

6шт.

7

16992211

PLUG

M12 x 1.5mm

1шт.

8

99489017

GASKET,9.9mm ID x 20mm OD x 2.5mm Thk

1шт.

9

500354580

BOLT

M16 x 2 x 170mm

26шт.

10

98499819

ROCKER ARM COTTER

48шт.

11

504129182

SPRING SEAT

Bottom

24шт.

12

504127797

SPRING CUP

Top

24шт.

13

5801520477

SEAL

Valve Stem Seal, Oil Deflector

24шт.

14

504125776

VALVE SPRING

24шт.

15

16990870

PLUG

28mm Dia

5шт.

16

504131444

BRIDGE

12шт.

17

504344694

PLUG,M25, Tapered

23шт.

18

5801506352

STD EXHAUST VALVE

12шт.

19

500354685

STD INLET VALVE

Intake

12шт.

20

504138062

PLUG

10mm Dia

3шт.

21

16992415

PLUG,M16 x 1.5

3шт.

22

5801560870

WASHER

M16 x 1.5 x 24mm

3шт.

23

2992693

SEALANT

1шт.

Выбрано товаров: 0