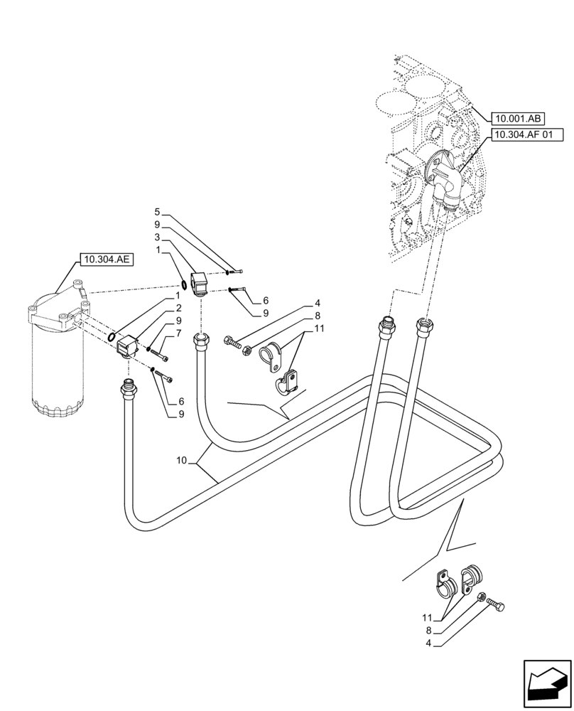
Запчасти Case IH F2CFE613E B006 (10.304.AF[02]) - ENGINE OIL FILTER, LINE (10) - ENGINE

Схема запчастей Case IH F2CFE613E B006 - (10.304.AF[02]) - ENGINE OIL FILTER, LINE (10) - ENGINE
8
11
7
5
11
6
2
4
10
9
10.304.ae
6
9
8
9
1
3
9
1
10.304.af 01
10.001.ab
4
FIT
1:1
100%

Артикул

Название

Примечание

Количество

1

17282281

O-RING,23.40mm ID x 2.60mm

2шт.

2

504005572

ELBOW

Engine Oil Filter Tube

1шт.

3

98481998

FITTING

Engine Oil Filter Tube

1шт.

4

16675834

SCREW,M10 x 1.5 x 30mm

4шт.

5

16689724

SCREW,M6 x 45mm

2шт.

6

16689824

SCREW,M6 x 50mm

4шт.

7

16689924

SCREW

2шт.

8

17044725

NUT,Hex, M8

4шт.

9

17088474

LOCK WASHER

8шт.

10

504218108

HYD TUBE

Engine Oil Filter

2шт.

11

17317390

CLAMP

6шт.

Выбрано товаров: 11