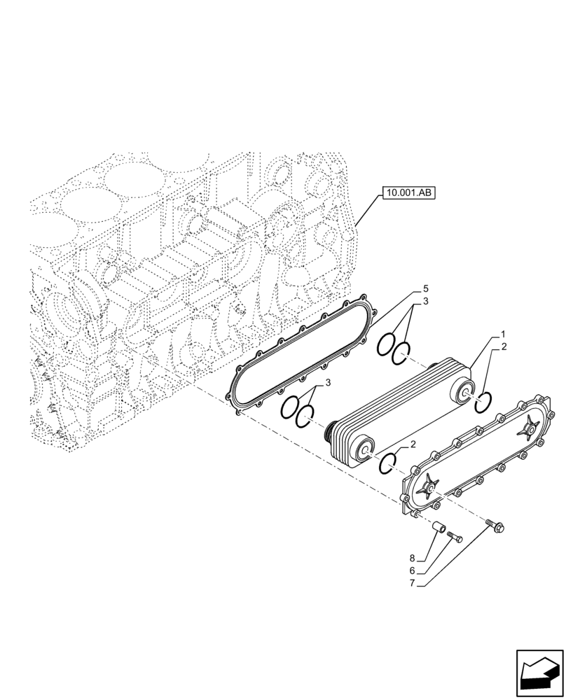
Запчасти Case IH F2CFE613E B006 (10.408.AC) - ENGINE, HEAT EXCHANGER (10) - ENGINE

Схема запчастей Case IH F2CFE613E B006 - (10.408.AC) - ENGINE, HEAT EXCHANGER (10) - ENGINE
2
8
5
7
2
10.001.ab
3
3
6
1
FIT
1:1
100%

Артикул

Название

Примечание

Количество

1

504127469

OIL COOLER

Engine

1шт.

2

17283481

O-RING

M42.5 x 2.6mm

2шт.

3

17289781

O-RING

M47.22 x 3.55mm

4шт.

4

504127468

COVER

1шт.

5

504128027

GASKET

1шт.

6

16674434

SCREW

M8 x 50mm

16шт.

7

16588025

SCREW,M12 x 30mm

2шт.

8

17816414

SPACER

M8.5 x 18 x 20mm

16шт.

Выбрано товаров: 8