Запчасти Case IH F2CFE613E B043 (10.218.AI) - INJECTION PIPE (10) - ENGINE

Схема запчастей Case IH F2CFE613E B043 - (10.218.AI) - INJECTION PIPE (10) - ENGINE
10.218.af
23
19
15
16
6
21
5
12
10
3
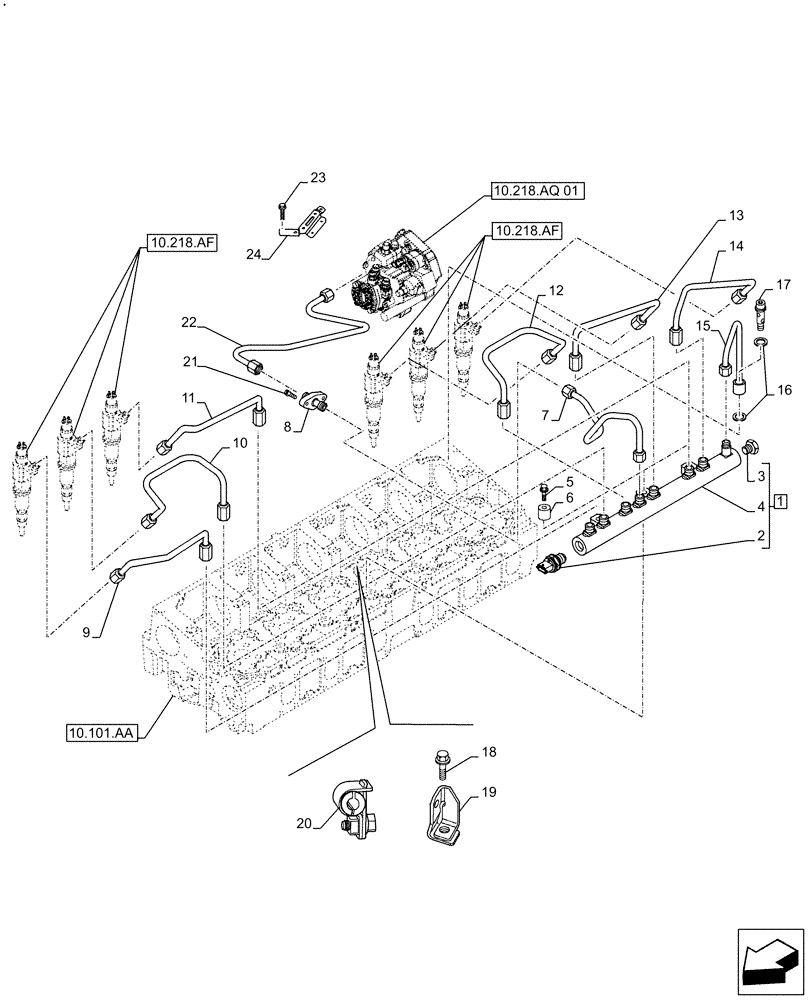
1
9
4
13
20
14
17
7
2
18
8
11
24
22
10.218.aq 01
10.101.aa
10.218.af
FIT
1:1
100%

Артикул

Название

Примечание

Количество

1

504373407

ACCUMULATOR

ASSY, Incl 2 - 4

1шт.

2

504382791

SENSOR

1шт.

3

504130662

VALVE

1шт.

4

NSS

NOT SOLD SEPARAT

Shaft, Incl in 1

1шт.

5

16586825

BOLT,Hex, M8 x 1.25 x 45mm

3шт.

6

504253853

SPACER

3шт.

7

504345093

TUBE

1шт.

8

504345104

HYD CONNECTOR

1шт.

9

504126981

INJECTION PIPE

1шт.

10

504126982

INJECTION PIPE

1шт.

11

504126983

INJECTION PIPE

1шт.

12

504126984

INJECTION PIPE

1шт.

13

504126985

INJECTION PIPE

1шт.

14

504126986

INJECTION PIPE

1шт.

15

504345222

TUBE

1шт.

16

99489016

GASKET

M10 x 17 x 2.3mm

2шт.

17

504345096

BANJO BOLT

1шт.

18

16707034

BOLT,Flng, M8 x 16mm

1шт.

19

504312745

STEEL PLATE

1шт.

20

504358313

STEEL PLATE

1шт.

21

16585870

SCREW,Hex, M6 x 20mm

2шт.

22

5801369307

FUEL TUBE

1шт.

23

16586225

BOLT,M8 x 16mm

2шт.

24

5801616974

BRACKET

1шт.

Выбрано товаров: 24