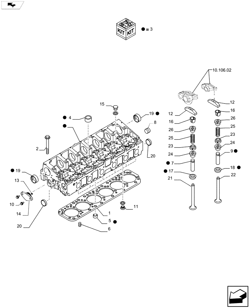
Запчасти Case IH F2CFE613F A010 (10.101.01) - CYLINDER HEAD & RELATED PARTS (504386313 - 504029659 - 5801379857 - 504320756) (Aug 10 2011 8:29:00.5063 AM)

Схема запчастей Case IH F2CFE613F A010 - (10.101.01) - CYLINDER HEAD & RELATED PARTS (504386313 - 504029659 - 5801379857 - 504320756) (Aug 10 2011 8:29:00.5063 AM)
19
3
home
9
18
3
3
3
5
10
26
21
12
25
12
20
home
24
16
17
3
3
26
11
14
6
3
13
25
20
1
24
15
23
22
7
16
home
2
3
19
4
3
3
10.106.02
8
3
23
FIT
1:1
100%

Артикул

Название

Примечание

Количество

1

504385500

CYLINDER HEAD GASKET

1шт.

2

500354580

BOLT

26шт.

3

504385964

CYLINDER HEAD

ASSY

1шт.

4

16991170

PLUG

D = 25 mm

6шт.

5

16991370

PLUG

D = 45 mm

2шт.

5

14282170

PLUG,M20, Tapered, Stainless

D = 20 mm

6шт.

6

500314967

DOWEL

D = 10 mm

2шт.

7

504361843

VALVE GUIDE

STD. INTAKE

12шт.

7

504361844

VALVE GUIDE

+0,20

12шт.

7

504361845

VALVE GUIDE

+0,40

12шт.

8

504138062

PLUG

3шт.

8

504051237

PLUG

2шт.

9

504361838

VALVE GUIDE

STD. EXHAUST

12шт.

9

504361839

VALVE GUIDE

+0,20

12шт.

9

504361840

VALVE GUIDE

+0,40

12шт.

10

18137825

BOLT,Hex, M6 x 16mm

M6 x 16

2шт.

11

98472271

PLUG

M12 x 1.5

2шт.

12

504131444

BRIDGE

12шт.

13

2852978

O-RING,0.103" Thk x 0.924" ID, -119, Cl 7, 75 Duro

1шт.

14

504319066

COVER

1шт.

15

504344694

PLUG,M25, Tapered

23шт.

16

98499819

ROCKER ARM COTTER

48шт.

17

504361850

VALVE SEAT

STD - INTAKE

12шт.

17

504361851

VALVE SEAT

+0,20

12шт.

18

504362737

VALVE SEAT

STD - EXHAUST

12шт.

18

504362736

VALVE SEAT

+0,20

12шт.

19

504125778

BUSHING

7шт.

20

16990870

PLUG

D = 28 mm

5шт.

21

500354685

STD INLET VALVE

STD ENGINE INLET VALVE

12шт.

22

504368419

STD EXHAUST VALVE

STD ENGINE EXHAUST VALVE

12шт.

23

504129182

SPRING SEAT

24шт.

24

504366703

OIL SEAL

12шт.

25

504125776

VALVE SPRING

24шт.

26

504127797

SPRING CUP

24шт.

Выбрано товаров: 34