Запчасти Case IH F2CFE613F A011 (10.114.01) - BELT PULLEY DRIVE & COVER (504150293) (10) - ENGINE

Схема запчастей Case IH F2CFE613F A011 - (10.114.01) - BELT PULLEY DRIVE & COVER (504150293) (10) - ENGINE
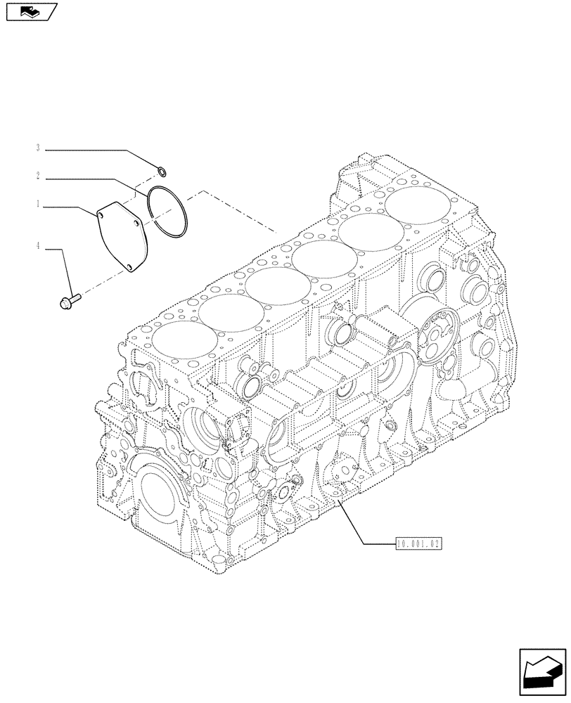
10.001.02
2
1
3
4
home
FIT
1:1
100%

Артикул

Название

Примечание

Количество

1

504150292

COVER

1шт.

2

14466981

O-RING,0.139" Thk x 5.109" ID, -251, Cl 7, 75 Duro

1шт.

3

14456881

O-RING,0.362" ID x 0.103" Width

1шт.

4

16677735

SCREW,M12 x 25mm

M12 x 25

3шт.

Выбрано товаров: 4